Архив Форума Hi-Fi.ru
По 23-5-2020
Портал Hi-Fi.ru более не предоставляет возможностей и сервисов по общению пользователей


Страницы: Пред. 1 ... 17 18 19 20 21 ... 60 След.

"Ода" про B&W, За что их можно ненавидеть.

 
 
Цитата
Валерий Цыганко пишет:
Контора работает!

Ага,на  кондерах сэкономили ,работает  контора ;)
 
 
Здравствуйте, господа!
Нда… позабавили. Прям зарегился из-за этой темы. С.Е.С. 51, Conrad Johnson PV-10+MF-2200, BW-801 matrix, кабели самодельные, но не суть… нормально все звучит. Рок, поп, классика, шансон… все зависит только от записи. Ни на какие сонусфаберы бэхи не поменяю. Подбирал аппаратуру строго исходя из собственных вкусов и музыкальных предпочтений. На назойливую рекламу и предвзятые чужие советы клал тяжелый стальной болт. Мой совет тем, кто еще не определился: слушайте и покупайте только то, что понравилось именно вам. Не верьте басням!
С уважением!
 
 
а корпус то еще круче и технологичнее
а кандеры - все дороже
 
 
Цитата
конрад макинтошный пишет:
клал тяжелый стальной болт.
Цитата
конрад макинтошный пишет:
С уважением!
:D
 
 
Цитата
Валерий Цыганко пишет:
а корпус то еще круче и технологичнее

Технологичнее   в двое,а  цена  в  разы.
Про звук  ваще  молчу.
 
 
Это равильно -лучше ваще молчать и хоть с месяц послушать
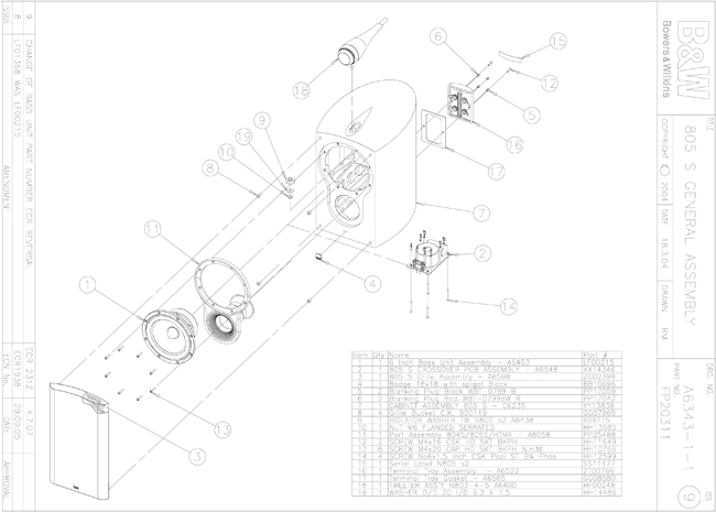
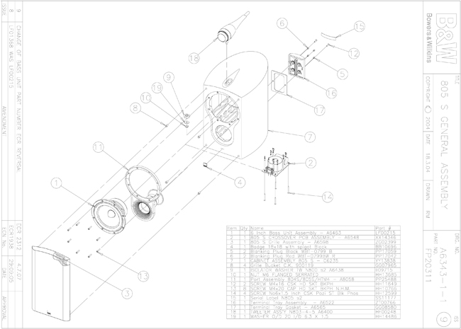
805S-TM-111.jpg (117.59 КБ)
 
 
На  209

Не  приму  даже  как  подарок.Серьезно
 
 
А я за гроши купить не могу 804S cherry
цену ломят дороже, чем было!
 
 
Ну  то  что  в  салонах  обурели  в  край  это  понятно.
Просто  появились  люди  ,кто  бабки  не  считает ,на  них  все это  и  расчитано.
 
 
я не про салоны , а про вторичный рынок (бу)
Страницы: Пред. 1 ... 17 18 19 20 21 ... 60 След.
Архив Форума Hi-Fi.ru
По 23-5-2020
Портал Hi-Fi.ru более не предоставляет возможностей и сервисов по общению пользователей

1997—2026 © Hi-Fi.ru (Лицензионное соглашение)