Архив Форума Hi-Fi.ru
По 23-5-2020
Портал Hi-Fi.ru более не предоставляет возможностей и сервисов по общению пользователей


Страницы: Пред. 1 ... 7 8 9 10 11 12 След.

JBL-4344., Замена терминалов подключения.

 
 
Григорий, также большое спасибо….и "крест".
Лучше в теме….она о тюнинге, так, что пролезет.
Общаюсь исключительно на дружеское ТЫ. Буду рад взаимности!
 
 
При снятых батарейках,ослабевают послезвучия.Такое впечатление,что слабые сигналы где то теряются.
teac ud-503,Yamaha B2x,JBL 4344 мк2.
 
 
Цитата
Виктор Дробышев пишет:
При снятых батарейках,ослабевают послезвучия.Такое впечатление,что слабые сигналы где то теряются.
- похоже на перезаряде конденсатора и теряются. А что с потерей естественности звука инструментов?
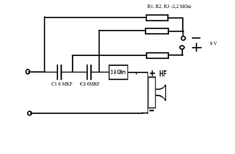
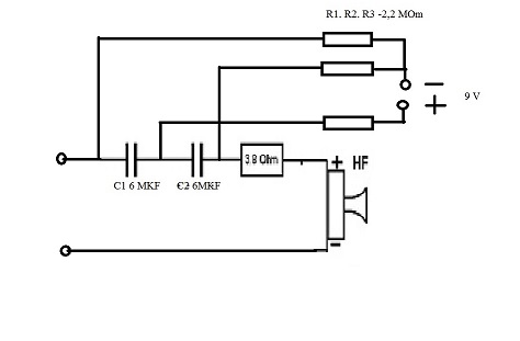
Ну а по теории, одно из немногих рациональных объяснений влияния конденсаторов на звук - это отличия в используемых диэлетриках, как следствие, разные характеристики связанные  с процессом перезаряда.  Для устранения этого эффекта и сделали такое решение, назвав его К2. Описание проблемы и способа решения в 1-ом файле, пример схемы - 2ой, заводская схема реализованная в JBL4344MK2 - в 3-м. Никакой эзотерики.  :)
Единственный недостаток, из-за последовательного включения конденсаторов требуется удвоенная емкость конденсаторов по сравнению с обычным включением и необходимость раз в 2 года менять батарейку. Если батарейка разрядилась или отсутствует - превращается в обычную схему.  Естественно, такое решение можно использовать и в других АС с соответствующей доработкой.
K2_test_s.jpg (20.77 КБ)
4344mk2_s.jpg (152.24 КБ)
 
 
Спасибо, изучаю.
Только….сдаётся мне, что все эти танцы с бубном вокруг батарейки, так и останутся "танцами".
Лишний раз убедился, что решение строить новый кросс правильное.
Общаюсь исключительно на дружеское ТЫ. Буду рад взаимности!
 
 
Цитата
Археолог  пишет:
Спасибо, изучаю.

Только….сдаётся мне, что все эти танцы с бубном вокруг батарейки, так и останутся "танцами".
-"При снятых батарейках,ослабевают послезвучия.Такое впечатление,что слабые сигналы где то теряются."-В. Дробышев.

Лишний раз убедился, что решение строить новый кросс правильное.
- Думаю результат будет лучше, чем с родными (хотя бы из-за более тщательной настройки).
 
 
В JBL,  Westlake  используется стекловата для заполнения части объема акустики.
Через фазик на нас регулярно летит мелкая пыль с канцерогенами. Это очень вредно. Есть ли у кого-либо опыт замены стекловаты на другие материалы. Поделитесь пожалуйста опытом.
 
 
Цитата
любитель иванов пишет:
В JBL, Westlake используется стекловата для заполнения части объема акустики.
Через фазик на нас регулярно летит мелкая пыль с канцерогенами. Это очень вредно. Есть ли у кого-либо опыт замены стекловаты на другие материалы. Поделитесь пожалуйста опытом.

Наденьте грили:)
 
 
Цитата
любитель иванов пишет:
В JBL, Westlake используется стекловата для заполнения части объема акустики.
Через фазик на нас регулярно летит мелкая пыль с канцерогенами.
Я сомневаюсь, что бы крупные производители использовали канцерогенные материалы. Скорее всего, это варианты экологичной минеральной ваты, сейчас достаточно таких производится, а внешне они похожи на стекловату. Но лучше бы найти спецификацию.
 
 
Цитата
Костя Мусатов пишет:
Цитата
любитель иванов пишет:

В JBL, Westlake используется стекловата для заполнения части объема акустики.

Через фазик на нас регулярно летит мелкая пыль с канцерогенами.
Я сомневаюсь, что бы крупные производители использовали канцерогенные материалы. Скорее всего, это варианты экологичной минеральной ваты, сейчас достаточно таких производится, а внешне они похожи на стекловату. Но лучше бы найти спецификацию.

Колонки выпущены 30 лет назад. Кто их знает насколько экологична эта минвата. Можете подсказать что-либо по замене наполнителя. Судя по плотности и характеру укладки (выложены все стенки) этой ваты заменителем мог бы быть акустический поролон.Но возможности экспериментировать нет, поэтому и спрашиваю.
Еще повторюсь с вопросом: чем заменить штатные конденсаторы. Часть вытекла, по прибору номинал соответствует, но режут полосы они совсем не так как указано в  даташите. Супертвитер, примеру начинает играть с 7,5 кГц и не с 10 как должен по инструкции.
 
 
Я когда внутрь лазил, кашлял как чахоточный.
Страницы: Пред. 1 ... 7 8 9 10 11 12 След.
Архив Форума Hi-Fi.ru
По 23-5-2020
Портал Hi-Fi.ru более не предоставляет возможностей и сервисов по общению пользователей

1997—2026 © Hi-Fi.ru (Лицензионное соглашение)