Вопрос по ЛПМ типа TCM-200D. Кварцевый привод подразумевает отсутствие регулировок скорости. Однако вполне возможен отказ в электронной начинке, например, электролитов как в блоке компаратора, так и на плате контроллера ДД. Есть ли у кого нибудь опыт замены этих компонентов в таком ЛПМ? Эта модель ЛПМ массово ставилась с 1991 года с разными индексами почти во всех моделях Sony серии ES (222/333/555 и т.п. начиная с серии ESL). И еще, а кто был поставщиком (изготовителем, разработчиком и т.п.) этого лентопротяга? С уважением, Аска.
Архив Форума Hi-Fi.ru
По 23-5-2020
Портал Hi-Fi.ru более не предоставляет возможностей и сервисов по общению пользователей
По 23-5-2020
Портал Hi-Fi.ru более не предоставляет возможностей и сервисов по общению пользователей
Sony ES
|
29-08-2016 13:47:05
|
|
|
|
|
|
29-08-2016 18:03:10
Регулировка скорости может и быть - путем регулируемого делителя частоты, например, ДД-проигрыватели с питч-контролем имеют эту возможность. |
|||
|
|
|
|
29-08-2016 18:11:03
|
|||
|
|
|
|
29-08-2016 18:17:00
Вещий Олень:
Числилась как "модель 930 ST". Запомнилось по ST как Stanton. Но на самом деле ЕМT. |
|||
|
|
|
|
29-08-2016 18:33:25
В связи с выше изложенным, возник вопрос: где кроме ES ставился такой протяг. Одно или двухвальный или реверсный???
|
|
|
|
|
|
29-08-2016 21:09:06
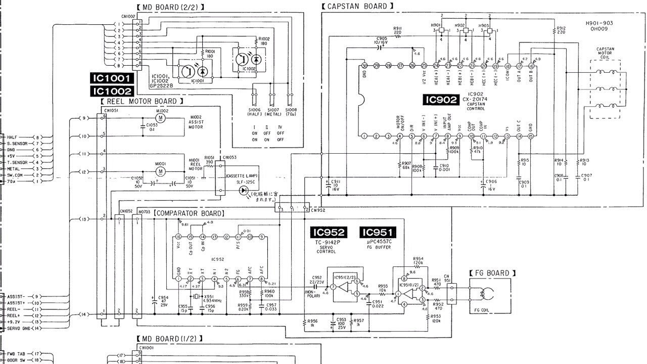
Версия о дефектном кварце представляется маловероятной (также, как и об изменении к-та деления). Кстати, судя по СМ при практически одинаковой схемотехнике и печати, кварцы в некоторых модификациях TCM-200D ставились разные! или это ошибка чертежников?
Изменено: - 29-08-2016 21:13:06
|
|||
|
|
|
|
29-08-2016 21:14:04
Поменять конденсатор не проблема . Для профилактики поменяю в своей , такое бывало но сопровождается нестабильной скоростью .
|
|
|
|
|
|
29-08-2016 21:24:28
|
|||
|
|
|
|
30-08-2016 00:04:46
В моей 555Esg такой конденсатор C906 1uF 16v может подсохнуть.
|
||||
|
|
|
|||
Архив Форума Hi-Fi.ru
По 23-5-2020
Портал Hi-Fi.ru более не предоставляет возможностей и сервисов по общению пользователей
По 23-5-2020
Портал Hi-Fi.ru более не предоставляет возможностей и сервисов по общению пользователей
