Архив Форума Hi-Fi.ru
По 23-5-2020
Портал Hi-Fi.ru более не предоставляет возможностей и сервисов по общению пользователей


Страницы: Пред. 1 ... 603 604 605 606 607 ... 617 След.

Кассетомания!

 
 
Цитата
Veschii Oleg ;Нет ))))))) Магнит имеет направленное поле, а нужно переменное, ........
ясно ,а чем головки размагничивать?
Изменено: basf'oman - 14-01-2019 02:14:24
 
 
Цитата
basf'oman написал:
ясно ,а чем головки размагничивать?
Можно этим же дросселем, согласно инструкции, а можно специальным щупом-демагнитизатором
 
 
Шо? опять!!?? повторюсь 100500 раз. Для размагничивания не только головок , а и всего  тракта - проф инструмент  Han-D-Mag от Annis. Остальное порнография. ну или специализированный промышленный инструмент. Можно конечно вплотную приблизиться к показателям к 370 Гаусc сделав за часа два типа вот такого
hdm.jpg (31.59 КБ)
Изменено: Иванов Степан - 14-01-2019 13:04:30
 
 
Хэндимаг хорош конечно
Причем - до сих производящееся устройство
Модели на 220 В чуть дороже - видимо из-за большего числа провода в катушке
 
 
Степан
для кассетников ни к чему такой поток
уже тоже обсуждали это

все таки хэндимаги делали для профессиональной катушечной техники
для больших головок многодорожечников
 
 
Цитата
Магнитофоныч написал:
Степан
для кассетников ни к чему такой поток
уже тоже обсуждали это

все таки хэндимаги делали для профессиональной катушечной техники
для больших головок многодорожечников
не согласен, потому как для 24треков у него обратный конец юзается, а с длинным жалом как раз для кассетников. Еще раз повторюсь, была как то ситуация, когда нужно было размагнитить деталь кассетника ( про которую писать не стану- не для обсуждения), вносившая в имеющуюся запись щелчок  только при воспроизведении. Так называемая "граната" не смогла размагнитить. Вот вышеупомянутым сабжем удалось
 
 
Цитата
petrorlov написал:
Перестаньте собачится Парни

Фазо прав абсолютно
Это отдельный тип пленки со своей спецификой

Только в деках с предусмотренным режимом FeCr можно было
нормально записать на III тип и обеспечить все три параметра
- ток записи
- ток подмагничивания
- цепи коррекции АЧХ для III типа

Я ни на одной Накамичи (кроме 1000ZXL) нормально не смог прописать ее
Только на ALPINE AL-85

Еще этот режим есть на других деках в моей конюшне
- Aurex PC-X88AD
- Mitsubishi DT-30
- Grundig CF 5500-2
- Grundig SCF 6200
- Dual C844
- Aiwa 6900
- Eumig Metropolitan CCD
- ASC AS3000
а не подскажите какое дистанционное управление подходят для Dual c844 ? Дал у меня есть и прекрасно работает но хочется оснастить его пультом.нигде не могу найти информацию на эту тему. Скачал альбом схем но там про пульт ни слова.Help!
 
 
Вопрос правы ли разрабы, разрабатывая тип3, они были людми и также могли ошибится, ровно так как могли ошибится в 80году, делая оптимизацаю под тип 4, и 100% они ошиблись, мало того что ее нужно правильно записать, с чем не плохо справилась айва ad m800, ее еще нужно правильно возпроизвести, это ни как ни 70, так как у ней типа 3 высокие слоевые потери на вч в частности от 10 до 16кГц,  поэтому коррекция 120 исправляет это положение, при записи с оптимальным биаз и коррекцией, при уровне записи - 2db при 200nWb, мы получаем возпроизведеие 0дб при коррекции 120 почти не отличимой от источника, вот именно в этом ошиблись разрабы.
 
 
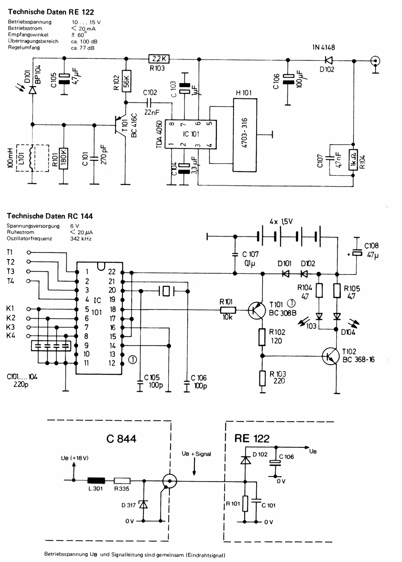
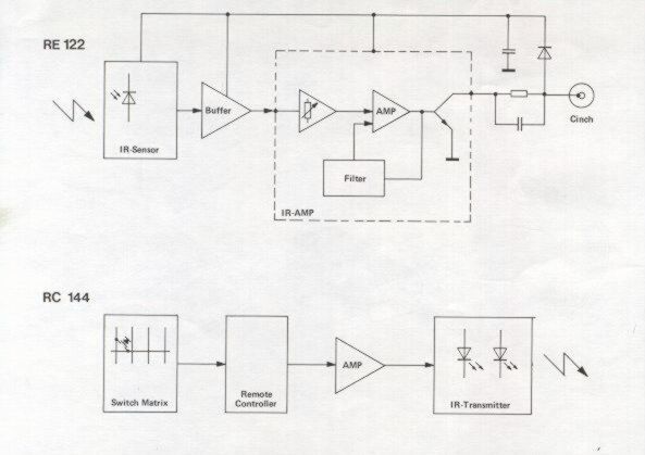
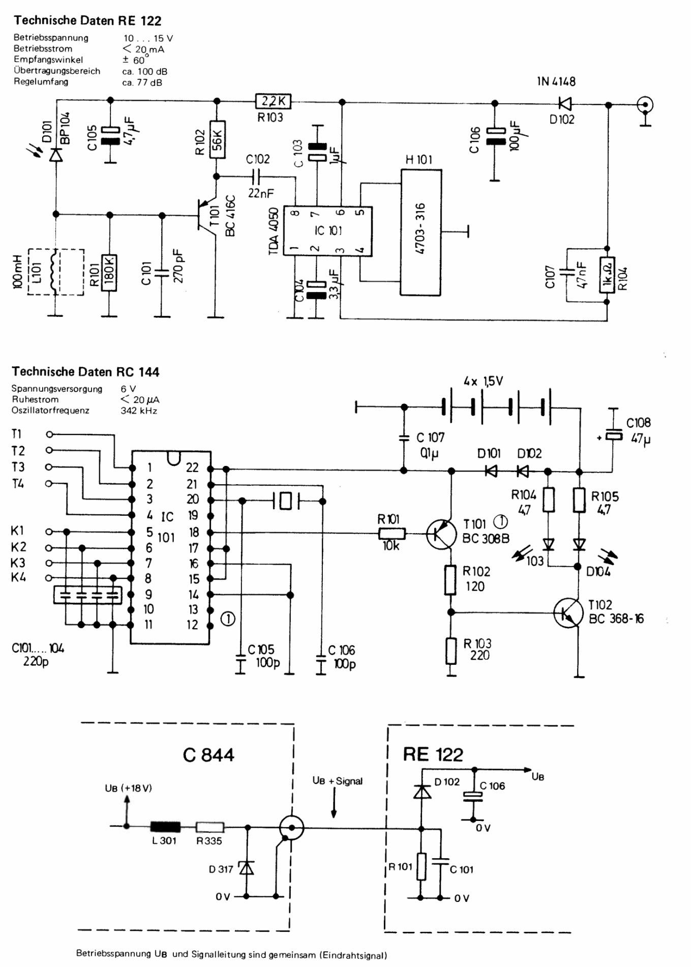
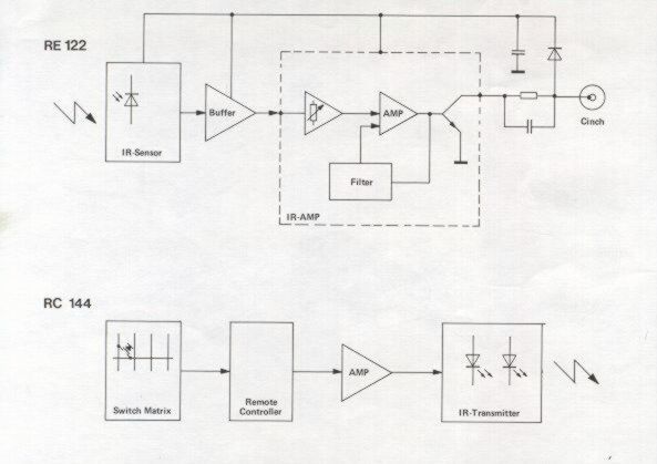
Для С844 есть комплект дистанционного управления
Приемник RE122 и передатчик RC144
Их схемы есть в сервисной инструкции на последней странице
Иногда пробегают эти пульты на ебее
 
 
Dual C844 помимо удвоенной скорости
примечателен еще тем, что имеет предустановки на ШЕСТЬ типов пленок
Страницы: Пред. 1 ... 603 604 605 606 607 ... 617 След.
Архив Форума Hi-Fi.ru
По 23-5-2020
Портал Hi-Fi.ru более не предоставляет возможностей и сервисов по общению пользователей

1997—2026 © Hi-Fi.ru (Лицензионное соглашение)