| Цитата |
|---|
Игорь пишет: а нука давайте хоть пару тройку косяков конкретных приведите , а то все голые слова и домыслы , на основе тех же СМ от накамичи , потому что ветка именно по ним |
Голые в бане.
А у меня все конкретно. У Накамичи наиболее
правильные и точные мануалы, поэтомук косяков замечено не так уж и много. Но есть и тут. Это касается и некорректного обозначения 0дБ в Наке-670 и др, знаменитых 1В на выходе всех Наков, отсутствия комментариев по поводу нагрузки, неправильно нарисованной головке стирания на принципиальной схеме ЗХ-7/9(она сидит на земле обоими выводами

)... Ну это то что сейчас навскидку вспомнил.
Другие найденные косяки описаны в соответствующих темах. Если возникает какой-то вопрос, то всегда можно напомнить.
| Цитата |
|---|
Игорь пишет: если вы засадите напряжение на линейном выходе неправильной нагрузкой то показания индикатора изменятся например на -2ДБ ,смотрим дальше , при записи на ленту что получится ? соответсвенно уровень надо будет увеличить на этих самых 2ДБчтоб был к примеру 0дб , согласен в этой связке магнитофон+нагрузка это будет вроди идеал , но что получим поставив кассету на другой магнитофон или поключив этот же к другой нагрузке с этой записью? |
Уровень намагниченности ленты связан с напряжением на выходе. В том случае, о котором я говорил, сигнал для УЗ берется оттуда же. Если напряжение на лин.выходе мы подсадили, мы подсадили его и на входе УЗ. Поэтому увеличивая уровень записи мы вернем уровень намагниченности на самой ленте на тот же уровень, как если бы у нас была нормальная нагрузка и увеличивать ничего не требовалось. Поэтому ничего страшного не будет. А нагружать надо всегда
на правильную нагрузку. И это важный момент и касается не только магнитофонов, а любого радиотехнического средства.
Гораздо хуже, если на выходе будет КЗ, а оператор, судя по индикатору будет думать что все зашибись! А в это время выходной сигнал куда надо не поступает...
Повторюсь, все проф. записи проводят по внешнему индикатору, подключенному к лин. выходу.
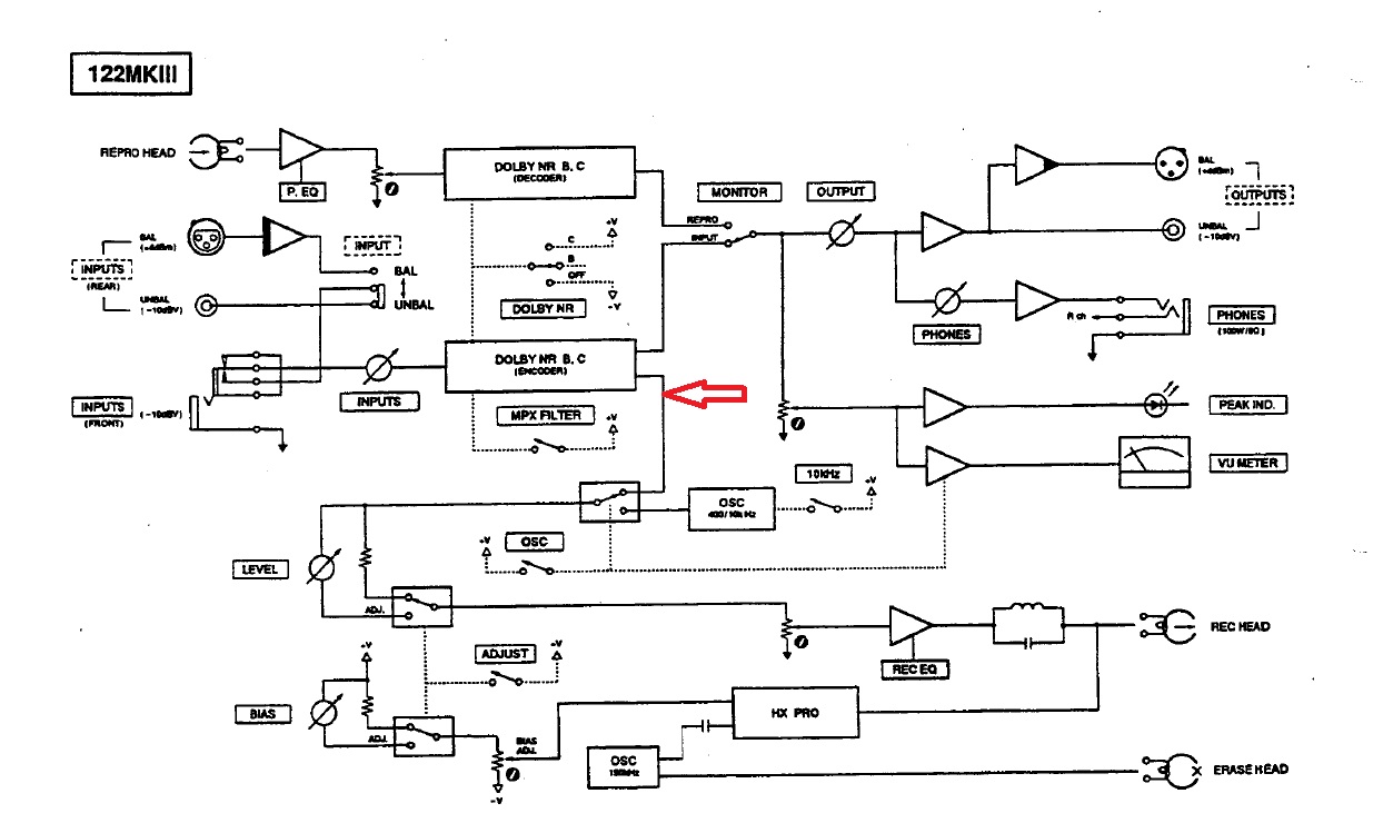
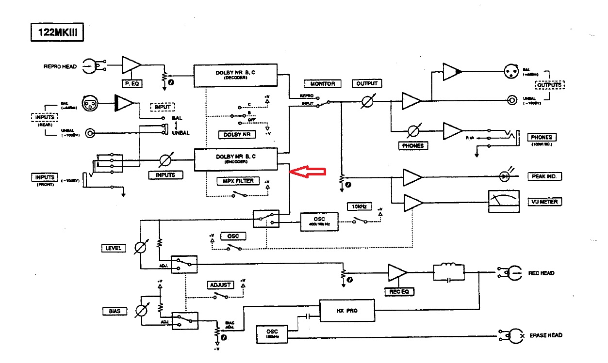
Примеры такого подключения внутри магнитофона: любой современный Пионер, например Ст-959 (стр 16 мануала), СТ-93ый (стр 32 мануала) или СТ-95ый (стр. 10), несмотря на новодельность, там сделано все очень грамотно и плюс применен проф. квазипиковый индикатор, в отличиие от примитивного Таскамовского.
Кстати в Таскаме-122 (не МК3) тоже так сделано. (стр 26 и 32 и 69 мануала.)
Буферный каскад стоит, как я уже и говорил выше именно для получения малого выходного сопротивления, чтобы магнитофон
совсем "не чувствовал" нагрузку. Ну и в проф. аппаратах, для усиления и регулировки лин.выхода для подключения к микшерским пультам и видакам. Поэтому есть смысл и такого и такого вида подключения.
| Цитата |
|---|
Игорь пишет: , во всех магнитофонах и СД проигрывателях после ОУ или так называемого буферного каскада стоит резистор как минимум 100Ом (в наках почти у всех там 2,2кОм ), что |
Если выходное сопротивление ОУ низкое, порядка 12-60Ом то резистор вообще не нужен. У Наков 2,2кОм - выходное сопротивление, которое определяет только минимальное сопротивление нагрузки при котором искажения ещё будут в норме. Сгореть не сгорит, конечно, но если замкнуть, искажения возрастут из-за восрастания тока через эти 2кОма и ОУ. А это не хорошо.
