Так что - не сердись Артем 
Архив Форума Hi-Fi.ru
По 23-5-2020
Портал Hi-Fi.ru более не предоставляет возможностей и сервисов по общению пользователей
По 23-5-2020
Портал Hi-Fi.ru более не предоставляет возможностей и сервисов по общению пользователей
Деки NAKAMICHI, настройка и обсуждение.
|
07-04-2016 16:13:55
|
|
|
|
|
|
07-04-2016 18:23:15
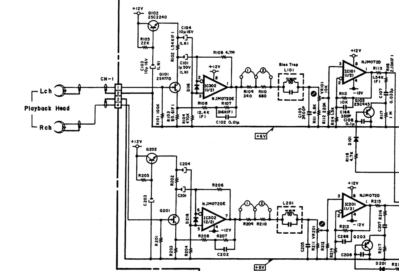
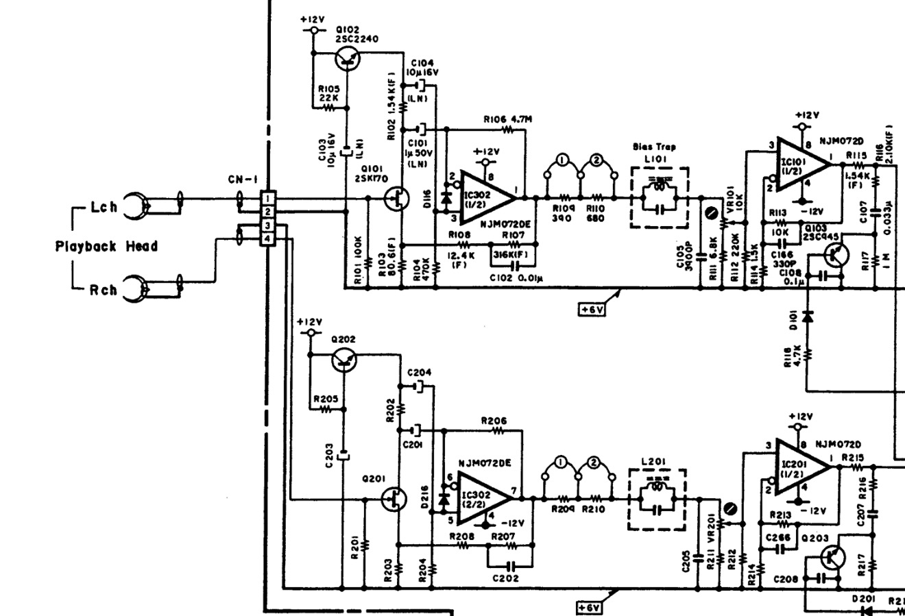
В ВХ-300 упростили - на тр-ре 2SC2240 сделали стаб.
|
|
|
|
|
|
07-04-2016 18:57:00
|
|||
|
|
|
|
07-04-2016 18:58:10
|
|||
|
|
|
|
07-04-2016 19:01:10
Из Матченбахера вычитал |
|||
|
|
|
|
07-04-2016 19:01:39
|
|||
|
|
|
|
07-04-2016 19:02:36
С учетом того, что некоторые стабилитроны используются как генераторы белого шума
Решение оправданное и продуманное |
|
|
|
|
|
07-04-2016 19:07:01
|
||||
|
|
|
|||
Архив Форума Hi-Fi.ru
По 23-5-2020
Портал Hi-Fi.ru более не предоставляет возможностей и сервисов по общению пользователей
По 23-5-2020
Портал Hi-Fi.ru более не предоставляет возможностей и сервисов по общению пользователей
