Архив Форума Hi-Fi.ru
По 23-5-2020
Портал Hi-Fi.ru более не предоставляет возможностей и сервисов по общению пользователей


Страницы: Пред. 1 ... 46 47 48 49 50 ... 154 След.

Касетная дека Pioneer CT-737, Стоит ли покупать Pioneer CT-737

 
 
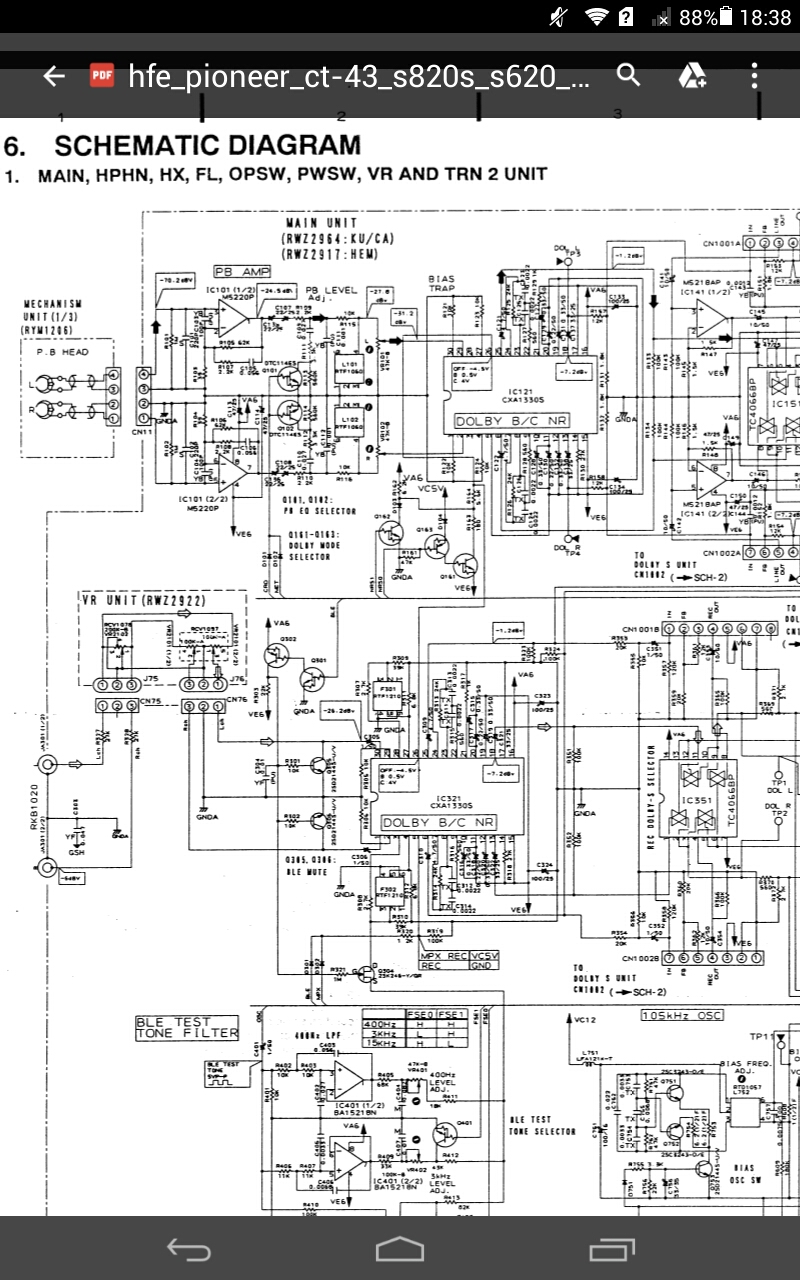
Вообще впечатление, как будто у вас корр для хрома включена, проверьте на ЛИМ в пол для хрома, доп ослабление на верхн. СЧ ВЧ будет? А то может у вас что с упр. того? На базах Q101 и Q102 что?
作りましょう!
 
 
Пионер 620, ЛИМ в положении хром, правый канал.
Наличие только диплома = наличию водительского удостоверения у "блондинки".  :D  
 
 
А вот что дала перепайка в правом кпнале конденсатора на 150р вместо 180р, ЛИМ опять в положении ферум, красная линия вместе с зеленой для хрома на нижнем графике, на верхнем оба канала со 180р.
Наличие только диплома = наличию водительского удостоверения у "блондинки".  :D  
 
 
Оставьте так, это хороший результат, ИМХО. Как говорит Олег, потом на 18К подразмагнитится и на уровне -10дБ возможно будет совсем ровно. С НЧ, как хотите, но можно с R108 немного уменьнить.
作りましょう!
 
 
Цитата
Mr.Yu  пишет:
Оставьте так, это хороший результат, ИМХО. Как говорит Олег, потом на 18К подразмагнитится и на уровне -10дБ возможно будет совсем ровно. С НЧ, как хотите, но можно с R108 немного уменьнить.
Низы хочу тоже попробовать прибрать, как думаете в каких поеделах примерно уменьшать ?
Наличие только диплома = наличию водительского удостоверения у "блондинки".  :D  
 
 
с 62К до 56К ИМХО
Изменено: Mr.Yu - 12-02-2016 20:42:25
作りましょう!
 
 
Будет чуть ниже 3180 мкс
作りましょう!
 
 
R108 там 2.2кОм :o
Изменено: Синхрофазатрон - 12-02-2016 20:52:29
Наличие только диплома = наличию водительского удостоверения у "блондинки".  :D  
 
 
R106, который 62К
作りましょう!
 
 
Который между инверсным входом ОУ и его выходом
作りましょう!
Страницы: Пред. 1 ... 46 47 48 49 50 ... 154 След.
Архив Форума Hi-Fi.ru
По 23-5-2020
Портал Hi-Fi.ru более не предоставляет возможностей и сервисов по общению пользователей

1997—2026 © Hi-Fi.ru (Лицензионное соглашение)