Архив Форума Hi-Fi.ru
По 23-5-2020
Портал Hi-Fi.ru более не предоставляет возможностей и сервисов по общению пользователей


Страницы: Пред. 1 2 3 4 След.

aiwa xk s7000 нужна помощь, по трансформатору

 
 
Так нашли СМ?
С напряжениями этого транса определились?
 
 
Цитата
Вячеслав Багрий пишет:
Так нашли СМ?

С напряжениями этого транса определились?
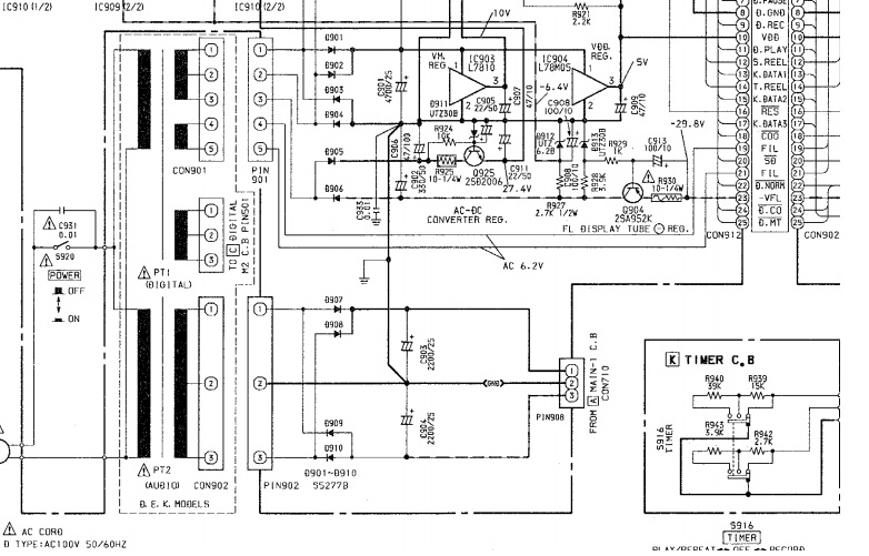
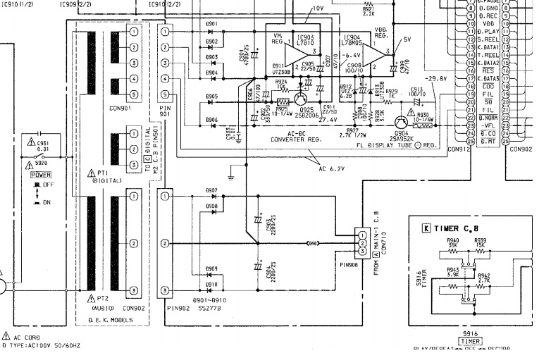
Напряжения  ттрансформатора Digital без  нагрузки  есть - на рисунке.
Извините дилетанта ,  а  что  такое  СМ?
7000 110 v.jpg (75.98 КБ)
 
 
Пробовал  высверливать эпоксидку -  очень  трудно. Кстати,  по  итогу  сверления  насквозь  железной  чашки транса возникла  идея  , что  внутри  указанной  на рисунке  конструкции  вовсе  не тороидальный  транс.
Изменено: Alexander - 19-05-2013 14:04:06
 
 
Цитата
Alexander  пишет:
Извините дилетанта ,ачтотакоеСМ?
Сервис Мануал
 
 
Цитата
Alexander  пишет:
что внутри указанной на рисунке конструкции вовсе не тороидальный транс.
Там Ш-образный. Это с самого начала было ясно. Но никто не мешает вместо него тор поставить.
 
 
Цитата
Вячеслав Багрий пишет:
Цитата
Alexander  пишет:

Извините дилетанта ,ачтотакоеСМ?
Сервис Мануал
Да, СМ  есть.
bp100.jpg (147.07 КБ)
 
 
Да купите рабочую у саши с kogerer.ru,он высылает,если что.
Это моя дека скинул ему,пассик растянулся,что голову подымает.
На монитор деньги надо было...кино смотреть. :museum:
 
 
Цитата
TDK MAex-90 пишет:
Да купите рабочую у саши с kogerer.ru,он высылает,если что.

Это моя дека скинул ему,пассик растянулся,что голову подымает.

На монитор деньги надо было...кино смотреть.  
Кто про что, а вшывый про баню  :D
Намотать такой транс никаких проблем нет
Отсюда и отталкивайтесь, готовый искать только от донора, но это долго и дорого
 
 
Цитата
Вячеслав Багрий пишет:

Намотать такой транс никаких проблем нет

Отсюда и отталкивайтесь, готовый искать только от донора, но это долго и дорого
Спасибо за  совет. Веду  подбор  специалиста по трансам  в регионе.
 
 
по  подсказке  :cheers:

vino1990@mail.ru через hi-fi.ru

приобрел

http://www.ebay.ca/itm/240V-Transformers-for-the-Aiwa-XK-S7000-cassette-deck-/161029282228?pt=UK_Sound_Vision_Cassette_Tape_Players&hash=item257e17d9b4­

осталось их получить через нашу почту....
Страницы: Пред. 1 2 3 4 След.
Архив Форума Hi-Fi.ru
По 23-5-2020
Портал Hi-Fi.ru более не предоставляет возможностей и сервисов по общению пользователей

1997—2026 © Hi-Fi.ru (Лицензионное соглашение)