Архив Форума Hi-Fi.ru
По 23-5-2020
Портал Hi-Fi.ru более не предоставляет возможностей и сервисов по общению пользователей


Страницы: Пред. 1 ... 336 337 338 339 340 ... 1198 След.

"Магнитофоная говорилка", Обо всём на свете.

 
 
Цитата
Mr.Yu  пишет:
Цитата
Максим  пишет:

Кстати, а вот интересно, кто и какие шнурки межблочные пользует для подключения магнитофонов?  
Самый хороший межблочник - RG174!        

ПС

Обычно не заморачиваюсь, для мафона - Хама голимая. Для всего остального - АВКТ.
Цитата
Mr.Yu  пишет:
Цитата
Максим  пишет:


Кстати, а вот интересно, кто и какие шнурки межблочные пользует для подключения магнитофонов?  
Самый хороший межблочник - RG174!        

ПС

Обычно не заморачиваюсь, для мафона - Хама голимая. Для всего остального - АВКТ.

Я для мафонов новодельный, но качественный Luxman использую RCA/ 170$ цена.

А так были Nakamichi провода для 700ZXL и 1000ZXL очень качественные с позолотой, отдавал на прослушку в приличные виниловые тракты, результат такой, что их не хотели возвращать, хорошие RCA кабели длиною 1м, других не встречал.и
Хай-Энд -это законный способ кайфануть)) Но если это надоест, то и неплохо то же.
 
 
Цитата
Максим  пишет:
а карропка переехала ко мне. Где пока и лежит себе тихо

И где ты хранишь всё это "добро" ?
 
 
""Периодичность поверки амперметров и вольтметров составляет 1 год. В редких случаях периодичность поверки амперметров, а также вольтметров отличается от одного года и тогда в результате испытаний для цели утверждения типа прибора она прописана в описании типа.
При поверке амперметров вольтметров применяется современный калибратор постоянного и переменного тока классом точности от 0,00001 %.""

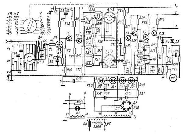
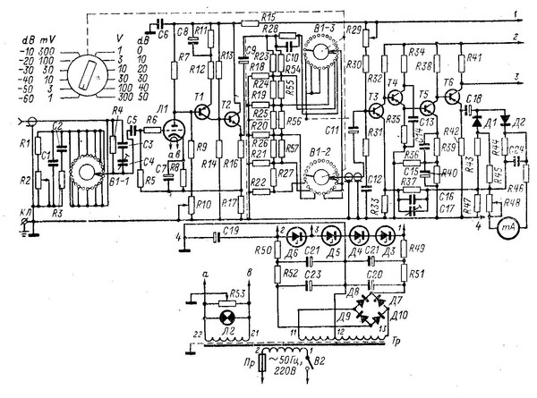
И колличество подстроечников, в том числе конденсаторов надо получше посчитать :D
Изменено: Синхрофазатрон - 23-04-2016 23:39:50
Наличие только диплома = наличию водительского удостоверения у "блондинки".  :D  
 
 
Цитата
Сергей tsv пишет:
И где ты хранишь всё это "добро" ?

В гардеробке. Там много полок, а на них много что помещается.. ;)
Сергей, мне нужна упаковка 102-й и пара внешних (20 шт). Тоже Nagaoka ;) Есть? :smoke:
 
 
Цитата
Станислав Мужеников пишет:
для мафонов новодельный

Я VDH накупил...разных.
The Name
The First
The First Ultimate MK2
D-102 MK3
Integration Hybrid

И еще немного старых
Kimber Kable
Linn
Жаль, пока нет возможности это всё детально отслушать. Но впереди лето! :smoke:

Мимоходом Kimber очень нравится..
 
 
Цитата
Синхрофазатрон  пишет:
И колличество подстроечников, в том числе конденсаторов надо получше посчитать :D
Кондеры аттеюатора и ОС, и R53 пофиг, сильно не влияют и не уходят (кондеры тем более в аудиодиапазоне), а вот R4 да приходилось подстраивать.
Цитата
Синхрофазатрон  пишет:
При поверке амперметров вольтметров применяется современный калибратор постоянного и переменного тока классом точности от 0,00001 %.""  
:o Надо же, для вольтметра с точностью на конце шкалы в 3%  :D  :laughter:
作りましょう!
 
 
Есть запись трансляции годичной давности, какие тут еще комментарии нужны, питерский пацан за базар не отвечает...

Есть еще дети у рабочих что на рыбкомбинате, что на Восточном да и много где, да же в подмосковье - и вот маме с папой, которые волею судьбы оказались на одном заводе нужно объяснить им что не будет ничего у них - хорошо что еще что то в холодильнике есть  пожрать...

А дальше можно вставить тот текст ниже про то кто кого и как финансирует, ну и озвучить его детям... Еще можно рассказать про "космического" Рогозина у которого пока детишки в шоколаде на народные деньги.

Вы думаете их это будет волновать ? Ну а то, что царь хороший, а бояре ворье - это отработанная

"...Утром мажу бутерброд -- Сразу мысль: а как народ? И икра не лезет в горло, И компот не льется в рот!..."


Цитата
Магнитофоныч  пишет:
Цитата
Серж Рудаков пишет:

А строителя космодрома Восточный в утузку укатали, что бы не спросил Вов,а деньги то где !?
Серж - вроде взрослый человек, а пишешь ерунду ...

Причем тут ВВ?

ВВ исправно финансирует все федеральные проекты

Восточный финансируется из федерального бюджета через Роскосмос

Я не понимаю людей которые дорвавшись до бюджетных денег,

начинают вести себя как идиоты

Работы подписывались виртуальные, подрядчики кидали субподрядчиков

Работодатели работников

С другой стороны - пошли живые большие деньги, от которых многим башню рвануло ...    
 
 
Цитата
Станислав Мужеников пишет:
Я для мафонов новодельный, но качественный Luxman использую RCA/ 170$ цена.  
Станислав, купите на радиорынке отечественный военный АВКТ (антивибрационный термостойкий). Структура такая: 7 посеребренных жил, экструдированный фторопласт, снаружи покрыт графитом, серебряная оплетка, ленточная фторопластовая обмотка, внешняя силиконовая оболочка. Стоил он порядка 250р./ метр (сейчас не знаю, цены выросли). Но разделывать надо аккуратно, графитовый слой счищать у разъема, иначе будет через него замыкать. Есть такой же под маркой АВК, отличие - изоляция центральной жилы - полиэтилен покрытый графитом, внешняя оболочка - винил.
作りましょう!
 
 
Цитата
Mr.Yu  пишет:
Цитата
Синхрофазатрон  пишет:

И колличество подстроечников, в том числе конденсаторов надо получше посчитать  
Кондеры аттеюатора и ОС, и R53 пофиг, сильно не влияют и не уходят (кондеры тем более в аудиодиапазоне), а вот R4 да приходилось подстраивать.

Цитата
Синхрофазатрон  пишет:

При поверке амперметров вольтметров применяется современный калибратор постоянного и переменного тока классом точности от 0,00001 %.""  
Надо же, для вольтметра с точностью на конце шкалы в 3%      
ГОСТ 8.012-72 ГСИ. Методы и средства поверки милливольтметров
Наличие только диплома = наличию водительского удостоверения у "блондинки".  :D  
 
 
Цитата
Максим  пишет:
Я VDH накупил...разных.  
АВКТ тоже самое с графитовым напылением, только лучше и дешевле.
Цитата
Максим  пишет:
И еще немного старых
Kimber Kable
Linn  
Мне Cardas нравятся, есть несколько разных, но в мафонах не использую. Только пред-усь. LP - пред, ЦАП - пред - АВКТ.
Изменено: Mr.Yu - 24-04-2016 00:09:14
作りましょう!
Страницы: Пред. 1 ... 336 337 338 339 340 ... 1198 След.
Архив Форума Hi-Fi.ru
По 23-5-2020
Портал Hi-Fi.ru более не предоставляет возможностей и сервисов по общению пользователей

1997—2026 © Hi-Fi.ru (Лицензионное соглашение)