Архив Форума Hi-Fi.ru
По 23-5-2020
Портал Hi-Fi.ru более не предоставляет возможностей и сервисов по общению пользователей


Страницы: Пред. 1 ... 481 482 483 484 485 ... 1198 След.

"Магнитофоная говорилка", Обо всём на свете.

 
 
Цитата
Владимир Леонов пишет:
Цитата
Алексей Москвин пишет:
Нету в Кенвуде 1100 такой штуки, если речь о модели KX-1100G(HX)
Есть в обоих.
1. 1100HX
2. 1100G

Сервисные в кенах классные - с описанием работы узлов
IMG_2628.PNG (297.83 КБ)
IMG_2629.PNG (561.8 КБ)
 
 
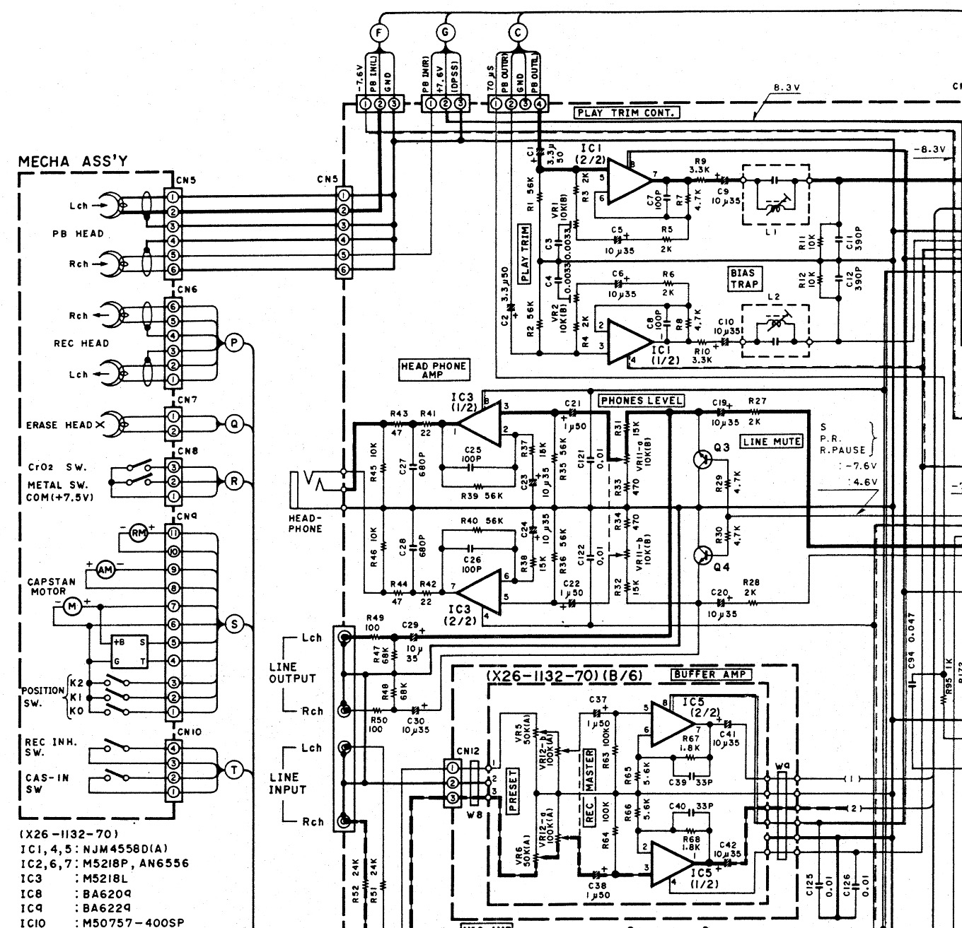
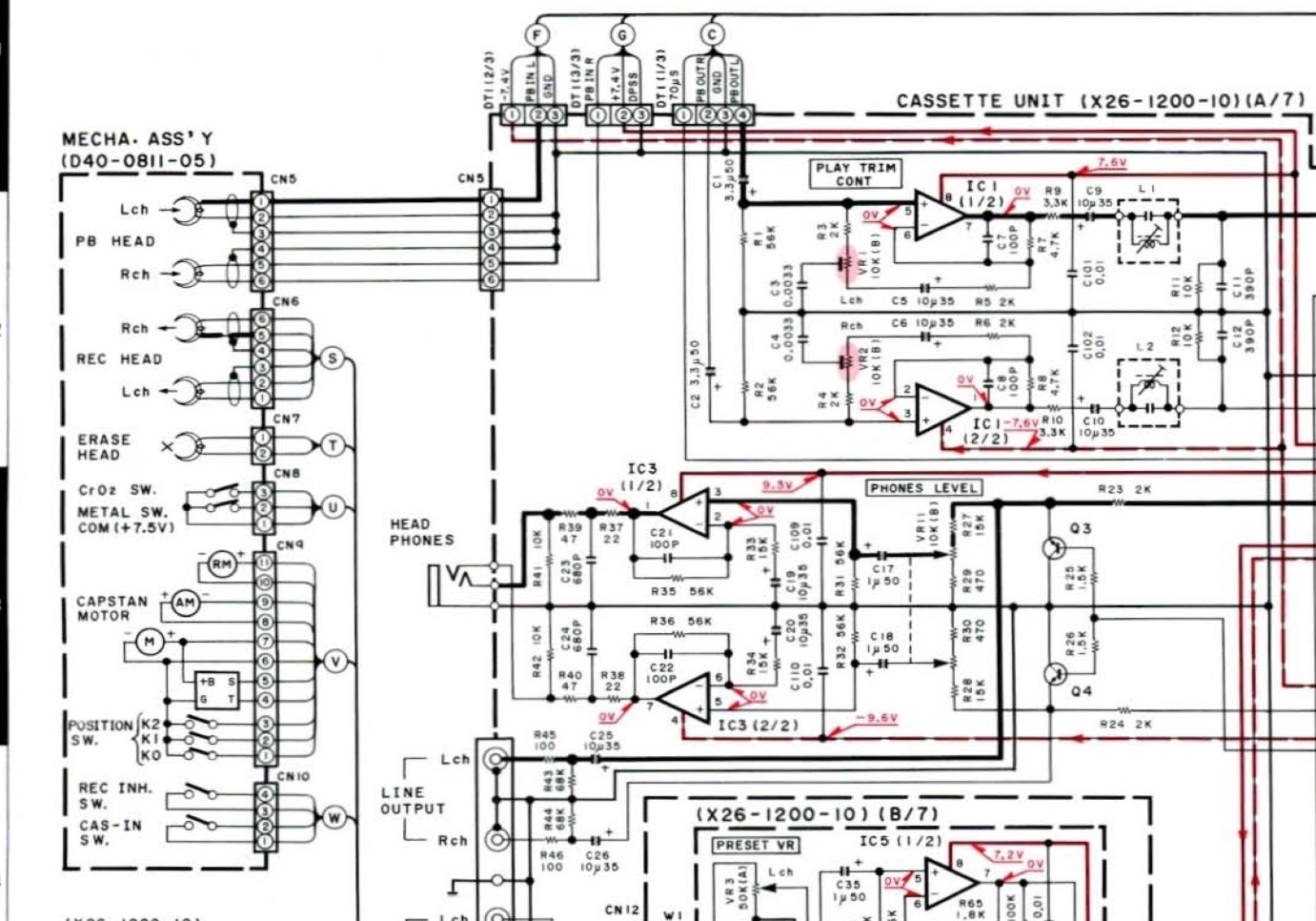
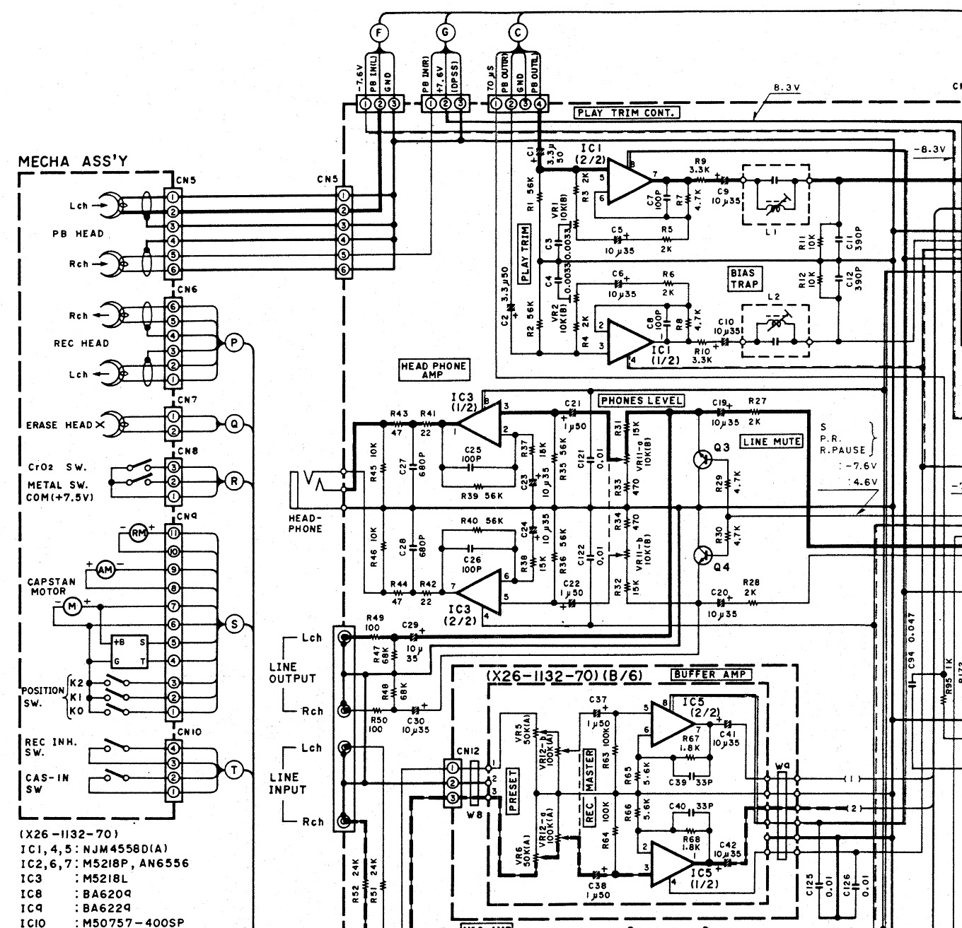
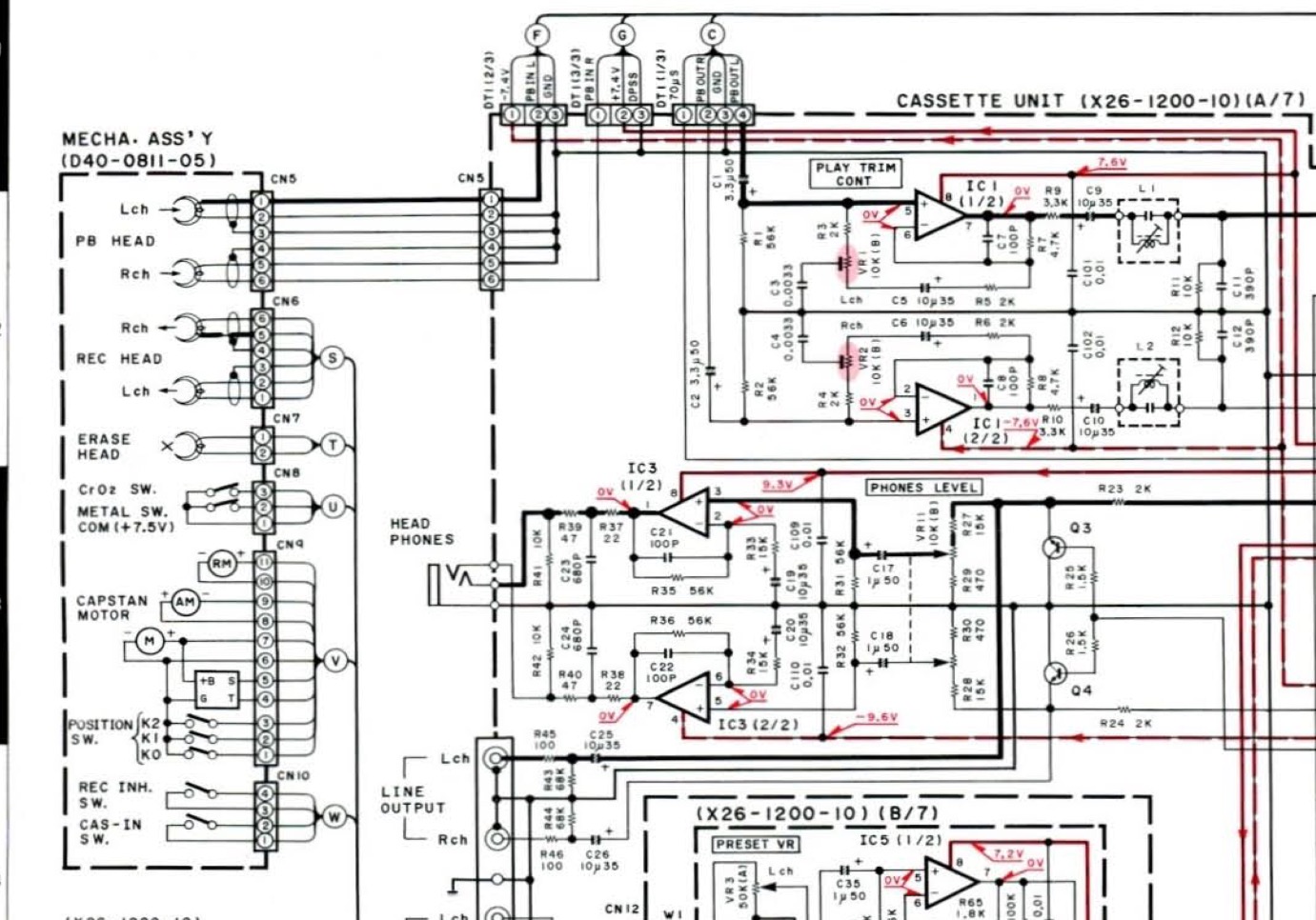
Я то грешным делом подумал, что Плей-Трим это крутилка на морде, а тут вот оно как...Извиняюсь, тогда. Поясните, пожалуйста, что это за зверь "Плей-Трим", и в чем его "расчудесность", а то я и не знал, что моих Кенвудах такое есть.
 
 
коррекция АЧХ
IMG_2637.PNG (42.64 КБ)
 
 
Цитата
Магнитофоныч  пишет:
коррекция АЧХ
Спасибо, понятно. То есть эти "крутилки" внутри. Нет бы снаружи приделать, вот бы раздолье для экспериментов было.
 
 
Алексей я как то у вас соньку 870 покупал,  продал я её за те же деньги и купил уже как полгода пользуюсь накамичи 680, а так в идеале была раздолье для переделки я бы её смог заставить звучать как надо но куда мне 4 деки.
 
 
Цитата
sony metallic дмитрий пишет:
я бы её смог заставить звучать как надо но куда мне 4 деки.
Надо кому, вам?, нам не надо ;)  4 деки уже "изнасилованы", наверняка "вставленными " 16кГц :D
Изменено: Синхрофазатрон - 14-12-2016 18:33:44
Наличие только диплома = наличию водительского удостоверения у "блондинки".  :D  
 
 
еще правильнее - вылечить
H_I_G_H _ B_I_A_S
 
 
Нет доступных к воспроизведению файлов
 
 
Доброго дня.
Подскажите пож., как выставлять уровень записи (REC LEVEL)? В зависимости от типа кассеты или ещё от чего либо?
Дека Pioner CT-S610
 
 
Сегодня нашел интересное приложение для мобильных устройств
Программный детонометр
Основная заточка под винил - для наших целей тоже сойдет
Только вместо 33,33 = 4,76 подставлять надо  :D
Доступно как для яблок так и для роботов
Сайт разработчика http://platterspeed.com/#iPhone
IMG_2640.PNG (94.03 КБ)
IMG_2641.PNG (266.76 КБ)
IMG_2642.PNG (116.17 КБ)
Изменено: petrorlov - 15-12-2016 11:38:37
Страницы: Пред. 1 ... 481 482 483 484 485 ... 1198 След.
Архив Форума Hi-Fi.ru
По 23-5-2020
Портал Hi-Fi.ru более не предоставляет возможностей и сервисов по общению пользователей

1997—2026 © Hi-Fi.ru (Лицензионное соглашение)