Архив Форума Hi-Fi.ru
По 23-5-2020
Портал Hi-Fi.ru более не предоставляет возможностей и сервисов по общению пользователей


Страницы: Пред. 1 ... 760 761 762 763 764 ... 1198 След.

"Магнитофоная говорилка", Обо всём на свете.

 
 
Цитата
Магнитофоныч  пишет:
Можно объяснить только тем, что поле рассеяния трасформатора с первичкой на 220 вольт больше поля рассеяния такого же трасформатора с первичкой на 120 вольт
Еще, банально паразитная емкость первичка-вторичка для транса на 220 выше. Вот и лезет с сети дрянь.
作りましょう!
 
 
Цитата
Магнитофоныч  пишет:
Он пока со штатным американским трансом на 120 вольт Есть транс для нее от европейской деки на 220 вольт Надо снять спектр до замены и после
Я менял в 582Z с родного 100В на родной 220в (Станислав подогнал) фон стал больше. Но еще почему-то родной транс 220В версии без экранов катушки, в отличие от 100 вольтового.
作りましょう!
 
 
Значит не показалось ...
Спасибо Юра!

В ZX-9 родной тоже в брони был
а 220 вольтовй без брони

Вывод напрашивается тогда сам собой
Техника на 120 вольт в этом плане лучше
 
 
Цитата
Mr.Yu  пишет:
, только перегруз выше 0дБ допускать нельзя.  

0dbfs - это overkill для звука (и входного опера аудикарты).
не более -5дБ если хотите комфортного мягкого звучания рипа (а не подобия СД дро*ева)
Изменено: powerday - 12-12-2017 21:41:00
Hi_B_ _C.F._
 
 
Цитата
Магнитофоныч  пишет:
У меня был в пользовании комплект SRM-006tS и SR-407 (попроще чем 507) Верха и середина были просто пугающе реалистичны

но изодинамика + high current composite amp еще круче. :wink:
У нее бас потрясающий - и это одновременно с кристальными СЧ (женский вокал бесподобен)
Никогда до этого не думал что у баса может быть столько оттенков.



--
Партагас, послушайте Стива Миллера на стаксах.
https://cloud.mail.ru/public/ECny/XyZ4GLHFq

В последнем треке есть голографический эффект с фазовращением звука, интересно как он на Стаксах проиграется..

Mr.Yu - ваше мнение тоже интересно.
Изменено: powerday - 12-12-2017 23:42:09
Hi_B_ _C.F._
 
 
Цитата
Магнитофоныч  пишет:
дают меньшую наводку 50 Гц на выходе
Так банально напряжение первички вдвое ниже. Кроме того надо посмотреть на наличие экранир. обмотки. Ну и пермаллоевый экран сверху.
 
 
Экранирующей обмотки нет
Поскольку это модель младшая в линейке предов
Экран, возможно пермалоевый, есть - кожух с логотипом
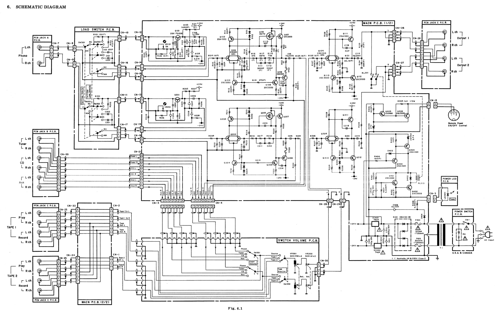
Сам трансформатор, который прячется под кожухом - банальная ШЭобразность

На первый взгляд - два одинаковых устройства
Когда начинаешь присматриваться, видишь что:
- большие черные конденсаторы в звуковых цепях разные
 (в американце более солидные)
- стабилизаторы в американце в изолированных корпусах
- в европейце на основной плате нет еще одной контактной площадки земли
- в европейце попроще держатели предохранителей
- в европейце есть какие то катушки на входе для головки звукоснимателя
 (которых нет на схеме)

1. Фото - американец CA-5
2. Фото - европеец СА-5Е
 
 
Цитата
Магнитофоныч  пишет:
европейце есть какие то катушки на входе для головки звукоснимателя
LC ФНЧ для подавления помех от УКВ передатчиков.  ;)
 
 
Цитата
Veschii Oleg пишет:
LC ФНЧ для подавления помех от УКВ передатчиков
Проблема помех от УКВ передатчиков
в Северной Америке стоит менее остро?
:D
 
 
Этих индуктивностей нет на схеме
как нет и некоторых других элементов, стоящих в европейском варианте.
Например конденсаторов 100 pF параллельно гнездам линейного выхода
Как нет и конденсатора между корпусом аппарата и электрической землей усилителя

Фраза «Производитель оставляет за собой право ...» в действии
Страницы: Пред. 1 ... 760 761 762 763 764 ... 1198 След.
Архив Форума Hi-Fi.ru
По 23-5-2020
Портал Hi-Fi.ru более не предоставляет возможностей и сервисов по общению пользователей

1997—2026 © Hi-Fi.ru (Лицензионное соглашение)