Делать было нечего. Покапывал дождик
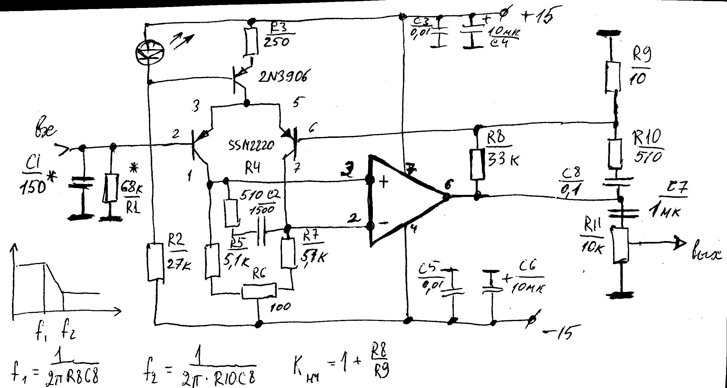
Достал из чулана Sony TC-K870 и остатки старых запасов конденсаторов
Заодно поставил "кроватки" под микросхемы 
С доступом к плате снизу в этой деке небольшие проблемы
Не так хорошо, как например в Yamaha KX-1200.

Паять приходится раскорячившись

Ушной усилитель также как и в Ямахе на отдельной платке
Делай чего хочешь

Но достатчно поставить LM6172

Заменил некоторые
конденсаторы и несколько закоротил

Оказалось, что LM6172 в УВ заметно фонит. Причём если отцепить провода на головку, то фон исчезает. Мне кажется я знаю в чём дело, но надо проверить, а пока поставил назад старую

В усилителе записи LM6172 вёдет себя без сюрпризов
Или они ещё не выявлены, так как не замерял, но на слух хорошо.

В следущий раз когда будет время займусь настройкой
С доступом к плате снизу в этой деке небольшие проблемы

Паять приходится раскорячившись

Ушной усилитель также как и в Ямахе на отдельной платке

Но достатчно поставить LM6172

Заменил некоторые

Оказалось, что LM6172 в УВ заметно фонит. Причём если отцепить провода на головку, то фон исчезает. Мне кажется я знаю в чём дело, но надо проверить, а пока поставил назад старую

В усилителе записи LM6172 вёдет себя без сюрпризов

В следущий раз когда будет время займусь настройкой



