Архив Форума Hi-Fi.ru
По 23-5-2020
Портал Hi-Fi.ru более не предоставляет возможностей и сервисов по общению пользователей


Страницы: Пред. 1 ... 22 23 24 25 26 ... 29 След.

Кассетные деки TANDBERG, Описание, ремонт, обмен опытом

 
 
Цитата
Магнитофоныч  пишет:
Удивила кривизна АЧХ канала воспроизведения TANDBERG 3014
Змейка на НЧ и завал на ВЧ
При том, что звучит аппарат превосходно
Дык,поэтому и сделано,как и у Юмиг 1000.
P.S.Там ещё кривее... :cry:  :D
 
 
Цитата
Магнитофоныч  пишет:
АЧХ  

Фигасе! А у тебя прибор есть? ;)
 
 
Цитата
Владимир Леонов пишет:
Дык,поэтому и сделано,как и у Юмиг 1000.
P.S.Там ещё кривее...      
Ваще ужос  :o
image.jpeg (557.71 КБ)
 
 
Цитата
Максим  пишет:
Фигасе! А у тебя прибор есть?  
Прибор!
Двадцать!
Чего двадцать?
А чего прибор?
Есть у меня прибор Макса, есть ...  :laughter:
 
 
Цитата
Магнитофоныч  пишет:
Удивила кривизна АЧХ канала воспроизведения TANDBERG 3014

Змейка на НЧ и завал на ВЧ

При том, что звучит аппарат превосходно
 
Здорово, что сделал измерения и опубликовал тут,
Тандберг 3014 - родные кондеры, все в стоке?
Юмиг 1000 вообще по звуку мне не понравился, а Тандберг 3014 наи3,14.. ший аппарат)
Мне кстати 3014 А больше понравился по звуку.
Хай-Энд -это законный способ кайфануть)) Но если это надоест, то и неплохо то же.
 
 
Цитата
Станислав Мужеников пишет:
Здорово, что сделал измерения и опубликовал тут,
Тандберг 3014 - родные кондеры, все в стоке?
Юмиг 1000 вообще по звуку мне не понравился,
а Тандберг 3014 наи3,14.. ший аппарат)
Мне кстати 3014 А больше понравился по звуку.
Тандберг - все родное, ничего не менял
У 3014А - более продвинутая схемотехника и, возможно, головы

Юмиги стоят для коллекции - тоже не втыкает вообще ...
 
 
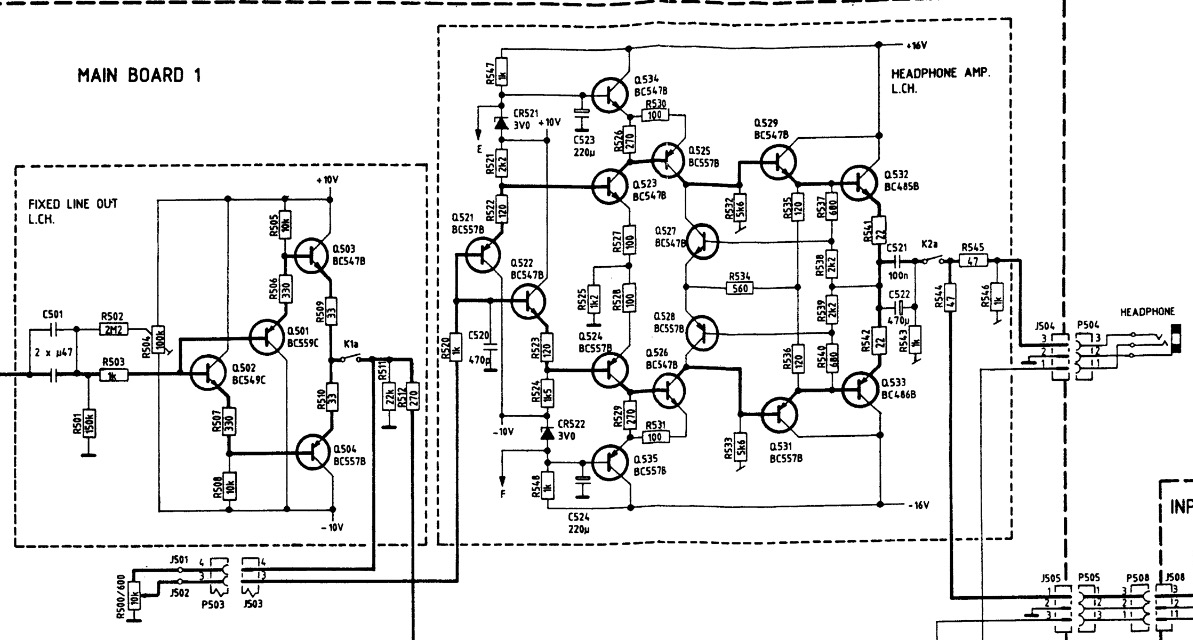
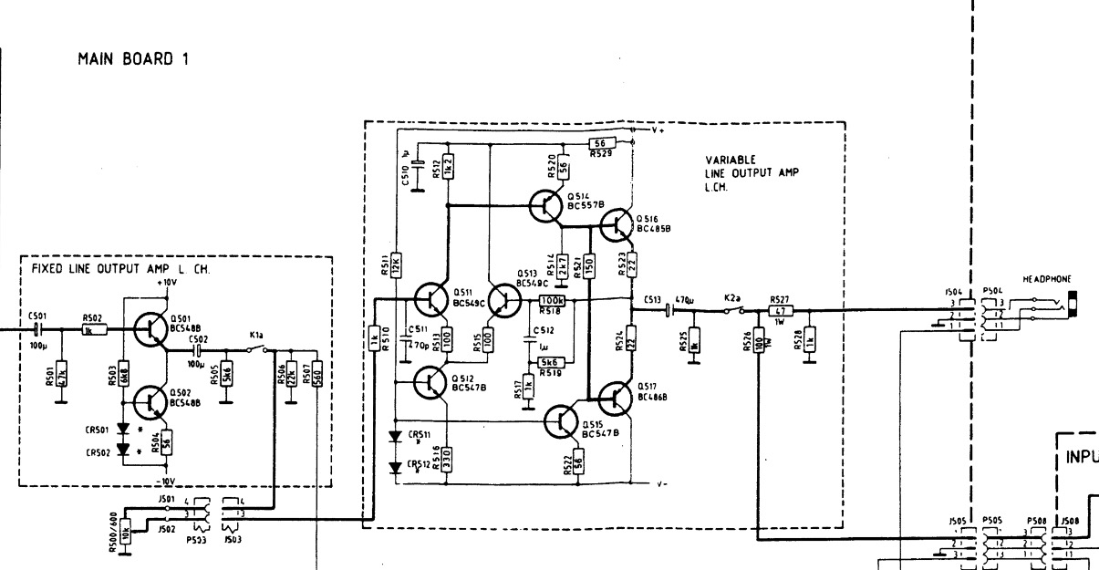
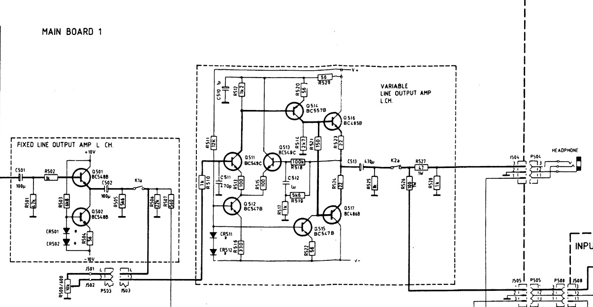
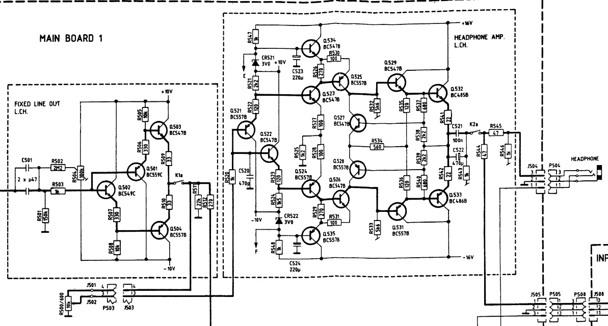
Схемотехника у 3014А не не другая. Разница в качестве электролитов и переходных кондерах. Не более того. Были оба. Вскрывал, изучал.
 
 
Возможно вы правы Андрей
Есть два варианта выходного усилителя
И отличия только по годам выпуска (серийным номерам) а не по индексу А
image.jpeg (136.8 КБ)
image.jpeg (190.04 КБ)
Изменено: petrorlov - 26-06-2016 22:43:40
 
 
Обе картинки из сервисной на 3014А
У меня обычная 3014
И в ней первый вариант выходного усилителя

Платы Долби тоже чуть чуть отличаются у разных серийников
наличием корректирующих конденсаторов
image.png (1.27 МБ)
Изменено: petrorlov - 26-06-2016 23:09:04
 
 
Цитата
Магнитофоныч  пишет:
Удивила кривизна АЧХ канала воспроизведения TANDBERG 3014  
Я писал выше об этом! В стоке - завал по верху здоровенный, хотя играет солидно (на первый взгляд, конечно)
Все никак не доходят руки до статьи по Тандбергу...
Страницы: Пред. 1 ... 22 23 24 25 26 ... 29 След.
Архив Форума Hi-Fi.ru
По 23-5-2020
Портал Hi-Fi.ru более не предоставляет возможностей и сервисов по общению пользователей

1997—2026 © Hi-Fi.ru (Лицензионное соглашение)