| Цитата |
|---|
| Veschii Oleg пишет: Электропрогон! |
Архив Форума Hi-Fi.ru
По 23-5-2020
Портал Hi-Fi.ru более не предоставляет возможностей и сервисов по общению пользователей
По 23-5-2020
Портал Hi-Fi.ru более не предоставляет возможностей и сервисов по общению пользователей
Советские магнитофоны - касетные, катушечные, Сделано в СССР
|
18-10-2017 11:17:06
|
|
|
|
|
|
18-10-2017 11:31:24
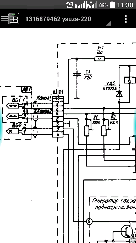
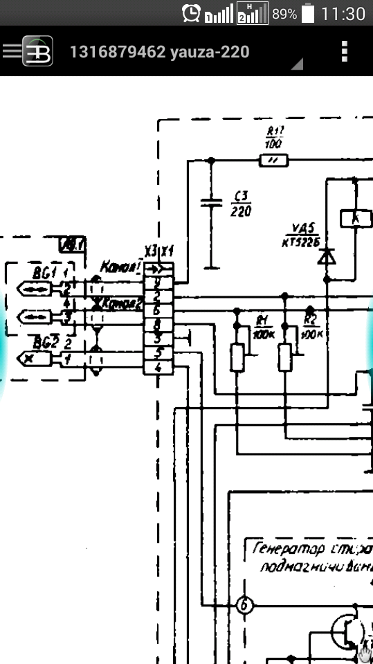
Я из Г3-118 сдуру повыпаивал как раз компаундом залитые ...
Джамиконы вставил Думал палки фоновые на нч уменьшатся ...
Изменено: - 18-10-2017 11:32:42
|
|
|
|
|
|
18-10-2017 11:35:05
Я что то не понял куда выпаеные r25 r26 надо впаять?
Наличие только диплома = наличию водительского удостоверения у "блондинки". :D
|
|
|
|
|
|
18-10-2017 11:39:53
Уменьшились? P.S.Интересно сравнить, те же jamicon, с озвученными, на предмет "угла потерь" на 1000Гц и 10000Гц. |
|||
|
|
|
|
18-10-2017 11:56:28
Как было так и осталось с ершом на нч
Я жалею просто что аутентичность прибора нарушил Параметры новых джамиконов и старых К50-6 по тангенсу практически совпадали на 1 кГц Прибор с консервации был На счетчике моточасов 0 Тогда первый раз удивился качеству наших электролитов Промаркированы они были 1986 годом |
|
|
|
|
|
18-10-2017 12:03:18
Вот спектр нетронутого прибора
После замены все так же и осталось Просто есть четыре сверхчистых источника поэтому и не стал дальше ковыряться с Г3-118 Здесь обсуждали |
|
|
|
|
|
18-10-2017 16:11:33
Или пробит диод в выпрямит. мосту. Такой частокол палок, в исправном БП измерительного прибора, невозможно представить.
H_I_G_H _ B_I_A_S
|
|||
|
|
|
|
18-10-2017 16:56:59
Благодарю за наколку Ген
Олег, не затруднит показать спектр своего 118 Для сравнения на нч просто |
|
|
|
|
|
18-10-2017 17:05:39
главный недостаток керамики (вроде советских флагов, к10-хх и дисковых) - зависимость емкости от приложенного напряжения, и микрофонный эффект. но трижды орденоносные "метрологи"-горлопаны с 30-летним стажем, об ни сном ни духом.. В 21 веке, продолжают бравировать применением флагов К10-7. ![]()
с тебя стакан при случае))))))))))))))) я б еще глянул, может диоды в мосту зашунтированы керамикой.. ..тогда понятно откуда частокол палок... Встречал такое в нашей бытовухе..
Изменено: - 18-10-2017 17:11:20
H_I_G_H _ B_I_A_S
|
|||||
|
|
|
||||
Архив Форума Hi-Fi.ru
По 23-5-2020
Портал Hi-Fi.ru более не предоставляет возможностей и сервисов по общению пользователей
По 23-5-2020
Портал Hi-Fi.ru более не предоставляет возможностей и сервисов по общению пользователей


