Архив Форума Hi-Fi.ru
По 23-5-2020
Портал Hi-Fi.ru более не предоставляет возможностей и сервисов по общению пользователей


Страницы: Пред. 1 ... 226 227 228 229 230 ... 1099 След.

Деки NAKAMICHI, Настройка и обсуждение (Part 2)

 
 
Цитата
Андрей  пишет:
это общественное достояние . нечего здесь присваивать .
вот именно, нефиг присваивать чужое.
Иди ползунок от нахамичи чини, ******.

Как научишься добывать инфу самостоятельно (собственным трудом и потом), потом приходи.
H_I_G_H _ B_I_A_S
 
 
Цитата
ремонт-NIK пишет:
0.18дб - не копейки.
И они дополнительно свидетельтсвуют что лента не фуллтрековая
Гена твой прибор имеет бОльшую погрешность. Поэтому ни о каких 0,18дБ речи быть не может.
Ну и судить о фултрековости по разбалансу даже в 1,8дБ нельзя ибо магнитофон у тебя стерео. И весь разбаланс - это ТВОЙ разбаланс.

Цитата
ремонт-NIK пишет:
а потом следом:

ЦитатаVeschii Oleg 21-08-2017 22:10:11пишет:
Магнитофоныч пишет:
На ZX-7 завтра прогон замучу. Но она у меня по 0dBV на -4dB от 250 выведена

Это неверно Мафоныч.
-2дБ должно быть.
Почему так - объяснял 125раз, больше не буду...  
Ну все правильно. Накоуровень 200нвбм ДИН. Это не Долби уровень. Разница между накоуровнем и ДИН-уровнем 2дБ. А между Долби уровнем и ДИН -1дБ.

Че ты все выкорячиваешься? Уймись наконец.  :D
Да и адрес я твой знаю, но Мафонычу не сдал. Так что сиди тихо и не выпендривайся. Если что в Беркаките сам тя найду и надеру задницу! :D
 
 
зацените апломб

https://hi-fidelity-forum.com/forum/thread-67184-post-3730887.html#pid3730887
   
Цитата
speedster писал(а):  
   Это Берлио . На вегалабе . ЧТо-то там транзисторно-микросхемное .

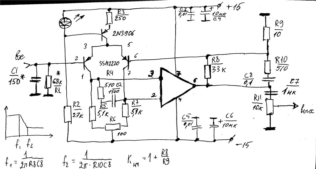
Он сделал мою схему, над которой долго смеялся британский Дредноут.
Входной каскад на cборке SSM2210, потом АД797.
Сама идея Михаила Яховского, нашего человека в АД. Wink
Сама идея Михаила Яховского, нашего человека в АД - но схема Вечного О!
ппц.
а схему видели?  Обратите внимание на коллекторные резисторы (номинал)
это он изобрел!  Даже спереть схему по человечески не смог.
:laughter:
playamp V.Oleg.jpg (85.79 КБ)
H_I_G_H _ B_I_A_S
 
 
Цитата
ремонт-NIK пишет:
внимательно читаем ЧТО ПИШЕТ вечный:
при этом памятуем, Фазыч спрашивает сколько поставить уровень на деке Нак СР4 по кассете 3ЛИМ.
Ответ таков (внимательно читаем выделенное жирным).
ЦитатаVeschii Oleg пишет:
Я посоветова сначала убедиться с какой фактической намагниченностью использвется лента.

Если она 200нвбм ДИН то надо увеличить на 2дБ,
если 200нвбм(АНСИ) то надо увеличить на 1дБ (потому что там фактич. намагниченность 225нвбм ДИН)
чуть далее снова перл (жирным):

ЦитатаVeschii Oleg пишет:
Лет 10 назад я доказывал британскому Дредноуту, что кассета Долби, измеренная по полю в катушках отличается от кассеты, измеренной по полю в зазоре совсем ненамного. Н. Сухов писал о разнице в 0,54-1дБ (атлас Аудиокассет и ж. Радио).

Но реально кассета 200нвбм АНСИ (япономама) имеет намагниченность 225нвбм ДИН!

Ну и? Внимательно читаем и понимаем! Процитированное все верно! Еще повторить?
 
 
2 Veschii Oleg
Гляньте ЛС,плз.
 
 
Цитата
Veschii Oleg пишет:
Накоуровень 200нвбм ДИН.
Это не Долби уровень.
Разница между накоуровнем и ДИН-уровнем 2дБ.
А между Долби уровнем и ДИН -1дБ.  

занавес! ..он так сказал и точка!
Красавец!
20лет в подметологии!
и пофиг что Долби уровень это стандарт АНСИ - накоуровень это не долби, это 200боберов ДИН
:D

Цитата
Veschii Oleg пишет:
Да и адрес я твой знаю, но Мафонычу не сдал. Так что сиди тихо и не выпендривайся. Если что в Беркаките сам тя найду и надеру задницу! :D
браток, мой адрес знает пол-России.
Его только на этом форуме светили раза три.

Ты как храбрый метролог, свой адресок обнародуй.
Тебе же нечего бояться, правда?
Иначе я все равно узнаю..  не завтра, так через неделю
Вопрос времени и денег.
Изменено: ремонт-NIK - 23-08-2017 00:10:34
H_I_G_H _ B_I_A_S
 
 
Цитата
ремонт-NIK пишет:
но прежде ответь в 126-ой раз - какому таки стандарту намагниченность у АБЕКСА,
Гена выше все написано ответ ыщи там! :laughter:

Цитата
Андрей  пишет:
Сколько не поставь , намагнитить выше +8-9 относительно 250 крайне маловероятно  
А Геныч магнитит Сони 79года (синюю) чуть ли не до +10дБ! Потом оказывается что до +8, но это тоже много. Потом оказывается что с микшером Виндоус что-то не так :laughter:

Цитата
ремонт-NIK пишет:
сколько он учил (В ТО ВРЕМЯ) выставлять опорный уровень для акаев, и сравни с тем что он пишет (как считать уровни) СЕЙЧАС - этоже цирк натуральный
Никакого цирка. Все абсолютно так же. Правильная диаграмма в СМ 75/95. такая же должна быть и у всех остальных. Сейчас цифры точно не помню уже но где-то 380/ 440/520мВ.
А цирк ты устраиваешь на форуме уже в течение 2 недель тут. Засрал весь форум. 22страницы в кассетах 10страниц в Наках (про уровень было уже все написано в этой же теме примерно в её середине) По сути это был повтор.
 
 
Цитата
ремонт-NIK пишет:
Сама идея Михаила Яховского, нашего человека в АД - но схема Вечного О!
ппц.
а схему видели?Обратите внимание на коллекторные резисторы (номинал)
это он изобрел!Даже спереть схему по человечески не смог.
Фишка не в номинале, а во включении дифкаскада. Это схема с т.н "охлажденным" вх сопротивлением - токи балансируются так, что входное сопротивление первого плеча (нагруженное на реактивное сопр источника) стремиться соответствовать сопр второго плеча, нагруженного на активное и малое сопр - резистор. Номиналы в коллекторах маловаты конечно, токи получаются немаленькими, это замечание на Веге я принял. Изменить вполне возможно, согласно конструктивному замечанию, в чем проблема? В оригинале схема под кабельную нагрузку, у меня под УВ. Ф-лы для расчета приведены. В чем ппц то?
А ппц в том что Гена в схемотехнике не разбирается но разбирается в майданной технологии махания транстпарантами

Когда формулу фильтра напишешь? :хu:

Цитата
ремонт-NIK пишет:
браток,  
Я те не браток. А братки у тебя будут соседями по лаффке, если кляузничать не перестанешь. ;)
 
 
Цитата
Veschii Oleg пишет:
Фишка не в номинале, а во включении дифкаскада. Это схема с т.н "охлажденным" вх сопротивлением -
схема твоя?
https://hi-fidelity-forum.com/forum/thread-67184-post-3730887.html#pid3730887

Или ты ее спер из даташита на ссм2220?
Просто взял схему микрофонного преампа из даташита, и присвоил себе.
Присобачил ее к головке кассетного мафона.
Так ведь?
Изменено: ремонт-NIK - 23-08-2017 00:38:18
H_I_G_H _ B_I_A_S
 
 
Цитата
Veschii Oleg пишет:
Номиналы в коллекторах маловаты конечно, токи получаются немаленькими, это замечание на Веге я принял.
Изменить вполне возможно, согласно конструктивному замечанию, в чем проблема?
в чем проблема?

да в том, что пока тебя не ткнули носом, ты про нее (проблему) и знать не ведал.
Ничтоже сумняшаясе, хвастался на веге схемой микрофонного преампа из даташита на 2220.

ты же не пересчитал резисторы под индуктивный источник сигнала, перерисовал тупо из даташита, и назвал схему своей.
Даже разделительные кондеры не потрудился применить на входе УВ.

А без разделительных кондеров, схема работать толком не будет, потому что
гигантским входным током  "твоего" УВ (примерно 10мкА в лучшем случае, т.е. при бэте ssm2220 более 165) - будет намагничиваться голова мафона.

вообще, для УВ кассетника (источник сигнала - индуктивность) у ссм2220 усиление маловато.


Цени мою доброту...
потом (когда все забудется)  будешь сегодняшнюю инфу, представлять как свое.
тебе не в первый раз, ведь правда?
:D
Изменено: ремонт-NIK - 23-08-2017 01:09:34
H_I_G_H _ B_I_A_S
Страницы: Пред. 1 ... 226 227 228 229 230 ... 1099 След.
Архив Форума Hi-Fi.ru
По 23-5-2020
Портал Hi-Fi.ru более не предоставляет возможностей и сервисов по общению пользователей

1997—2026 © Hi-Fi.ru (Лицензионное соглашение)