Для того чтобы в 680 вывести на морду биас необходимо заглушить
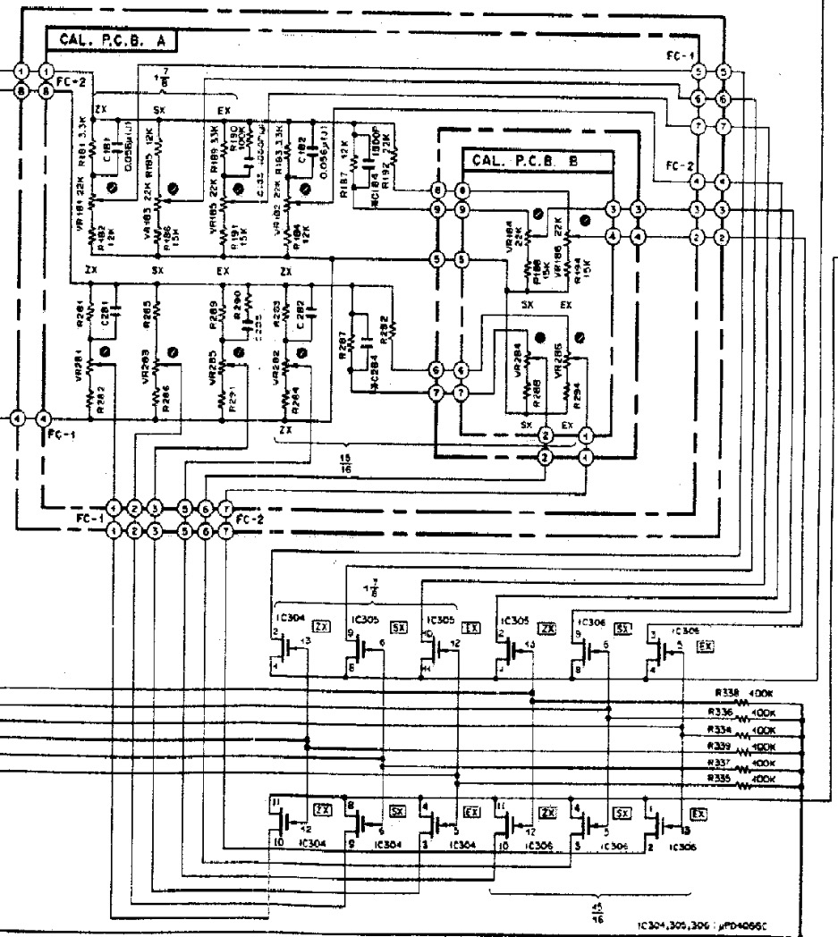
подстроечные резисторы регулировки уровня для скорости 15/16
Это шесть левых резисторов на вот этих планках
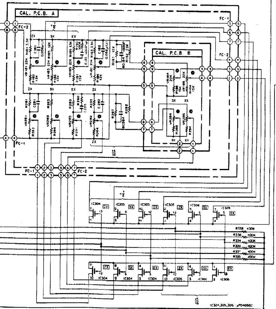
подстроечные резисторы регулировки уровня для скорости 15/16
Это шесть левых резисторов на вот этих планках
