| Цитата |
|---|
| Андрей пишет: Ничего , что я без галстука ? |

|
14-06-2016 09:31:51
![]() |
|||
|
|
|
|
14-06-2016 09:38:26
Дмитрий объясни что ты имеешь в виду?
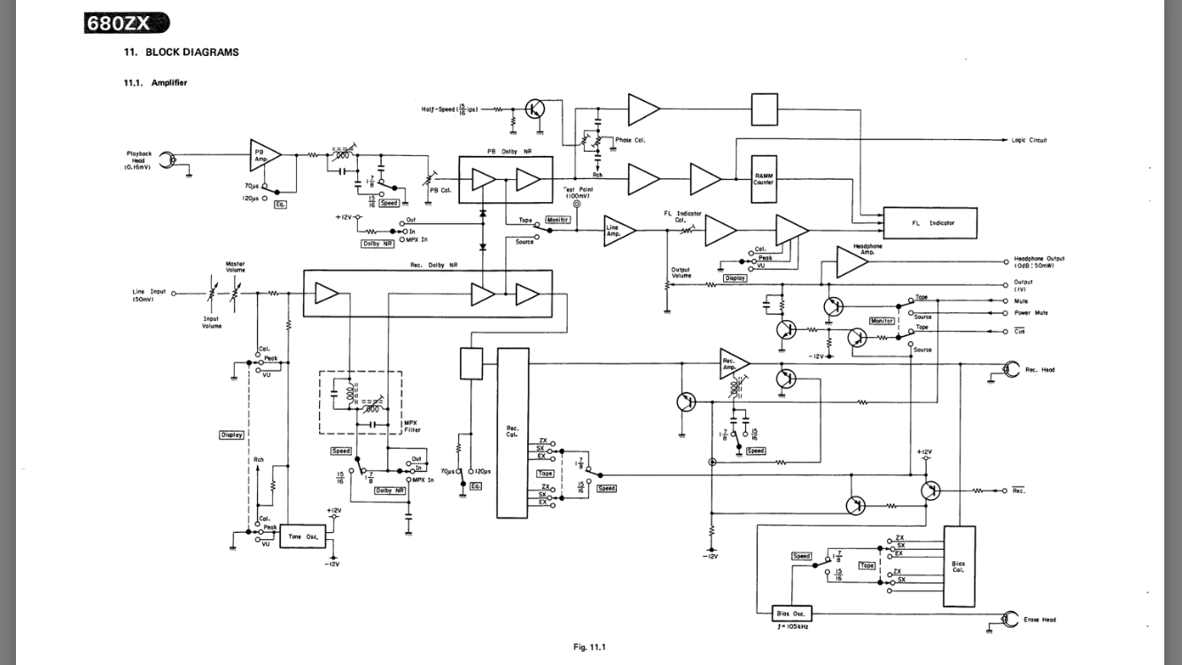
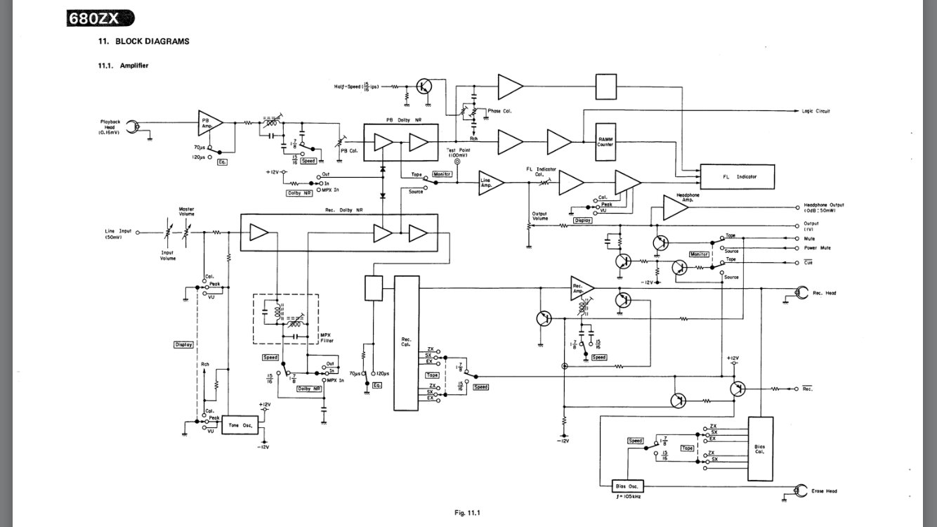
Резистор регулировки выхода это VR003 на принципиальной схеме Вот блочная схема звукового тракта |
|
|
|
|
|
14-06-2016 12:17:04
Резисторы то зачем?
И где 1 ом стоит? А? |
|
|
|
|
|
14-06-2016 12:28:37
Я мельком смотрел может и не 1 ом, там где 2 емкости по питанию 1000 мкф, может питание просесть до10 ворльт но и фон может уйти, очень часто помогает
|
|
|
|
|
|
14-06-2016 12:33:22
Если в УВ по питанию - то там 1,8 кОм
Сделай шумовой спектр деки на звуковой карте, покажи чего там у тебя за жжжжж Вот такой, умеешь? |
|
|
|
|
|
14-06-2016 12:38:47
Я ни разу ни каких измерений ни делал все интуиктивно, для этого только программа нужна или еще карта, у меня только встроеная в материнку.
|
|
|
|
|
|
14-06-2016 13:28:45
На интуиции далеко не уедешь, Друг мой.
В нашем деле снаряга нужна обязательно. Звукашку можно и встроенную использовать Программа - спектралаб или спектраплюс |
||||
|
|
|
|||