Архив Форума Hi-Fi.ru
По 23-5-2020
Портал Hi-Fi.ru более не предоставляет возможностей и сервисов по общению пользователей


Страницы: Пред. 1 ... 35 36 37 38 39 ... 1099 След.

Деки NAKAMICHI, Настройка и обсуждение (Part 2)

 
 
Неинтересные тинейджерам XXI века, никчемные граммофоны и патефоны.

http://www.ebay.com/sch/i.html?_from=R40&_trksid=p2053587.m570.l2632.R2.TR12.TRC2.A0.H2.TRS0&_nkw=gramophone&_sacat=29832
             ____  Avanti!  ____

Мы все механизаторы, и нам живётся очень даже клёво!
 
 
Цитата
*Артём* *Nomen*Nescio пишет:
Неинтересные тинейджерам XXI века, никчемные граммофоны и патефоны.



http://www.ebay.com/sch/i.html?_from=R40&_trksid=p2053587.m570.l2632.R2.TR12.TRC2.A0.H2.TRS0&_nkw=gramophone&_sacat=29832  
Да да, всю стипендию откладывают, голодают, чтоб купить деку или патИфон  :D
Изменено: Синхрофазатрон - 21-06-2016 12:20:35
Наличие только диплома = наличию водительского удостоверения у "блондинки".  :D  
 
 
Цитата
Синхрофазатрон  пишет:
Да да
Ну сколько Вас можно просить не разводить в этой ветке свой троллинг?
 
 
Победил я в своей 1000ZXL наводку от двигателей
(подмотки/перемотки и ведущего)
при прослушивании на встроенный ушник
Причина - земляные петли на плате логики, на которой и сидит сам ушник
Лечится - размыканием земляной перемычки
(вертикальная J) подводящей землю к ушнику
Земля перебрасывается на более "чистую" землю
основной платы (разъем ML9)

В 700ZXL проблема в том же
image.jpeg (237.98 КБ)
 
 
Нашел еще одну каку в 1000ZXL
Завал на краях диапазона в режиме "Source"
На 20 Гц -0,5dB
На 20 кГц -1,5dB
Думаю на ВЧ валят сигнал конденсаторы C104, 204
На НЧ C205, 205 основной платы
Проверю при случае ...
 
 
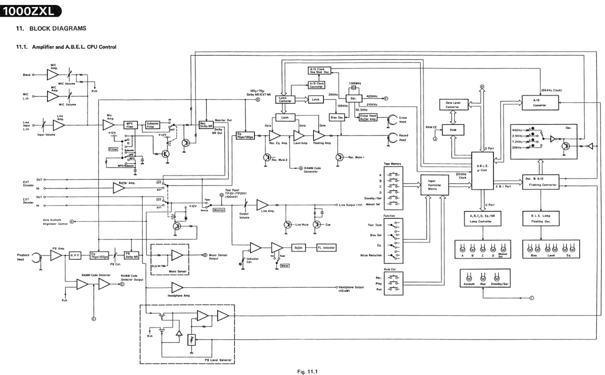
И еще один косячок в сервисной инструкции короля мафонов
Ушник на блочной схеме приварен намертво к УВ
На самом деле - вход ушника подключен к линейному выходу

PS: Даже на солнце есть пятна ...
image.jpeg (153.73 КБ)
 
 
АЧХ канала воспроизведения 1000ZXL в полосе 20-18000 Гц
image.jpeg (886.28 КБ)
 
 
700 II
IMG_5403.jpg (442.97 КБ)
труд из обезьяны сделал усталую обезьяну
 
 
Цитата
Станислав Мужеников пишет:
а лучше сварить дуговой сваркой 660 и 670 вместе
двухкассетник Накамичи получится. :D
 
 
Цитата
Магнитофоныч  пишет:
Нашел еще одну каку в 1000ZXL
Завал на краях диапазона в режиме "Source"
На 20 Гц -0,5dB
На 20 кГц -1,5dB  
В ЗХ-9 такое тоже было. Причина - доп. резисторы на плате МПХ, которых нет на схеме, ну и влияние правого хвоста самого МПХ-фильтра (влияние проявляется даже в выключенном состоянии МПХ-фильтра). Лечится некоторой расстройкой этого фильтра контуром. При этом полоса расширяется с 21 до 26кГц, как в ЗХ-7.
Страницы: Пред. 1 ... 35 36 37 38 39 ... 1099 След.
Архив Форума Hi-Fi.ru
По 23-5-2020
Портал Hi-Fi.ru более не предоставляет возможностей и сервисов по общению пользователей

1997—2026 © Hi-Fi.ru (Лицензионное соглашение)