кто бы спорил
Архив Форума Hi-Fi.ru
По 23-5-2020
Портал Hi-Fi.ru более не предоставляет возможностей и сервисов по общению пользователей
По 23-5-2020
Портал Hi-Fi.ru более не предоставляет возможностей и сервисов по общению пользователей
Деки NAKAMICHI, Настройка и обсуждение (Part 2)
|
24-08-2019 10:15:42
|
|
|
|
|
|
24-08-2019 11:01:56
Где больше индуктивность - там больше отдача. А габариты, это уж как получилось. |
|||
|
|
|
|
24-08-2019 11:04:38
Если в аппаратах до начала 80-х годов поменять полупроводники - диоды, транзисторы или мсх в звуке - шарм старого аппарата уйдет и не вернется. Получицца новодельный звук со всеми вытекающими. |
|||
|
|
|
|
24-08-2019 12:46:21
Внезапно возникло желание
померять искажения телелефонного ушника в 680-й нагрузка AKG K712 Rdc = 57 Ом уровень сигнала -17 dBV искажения 1 кГц менее 0,003% |
|
|
|
|
|
24-08-2019 12:52:55
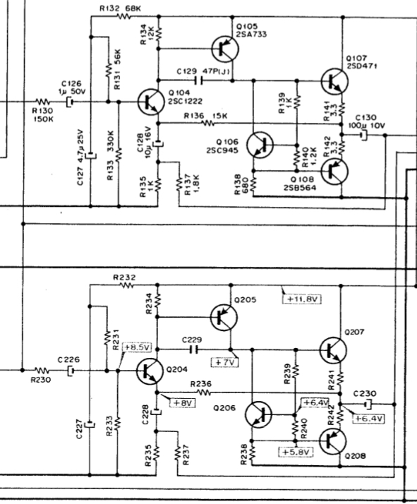
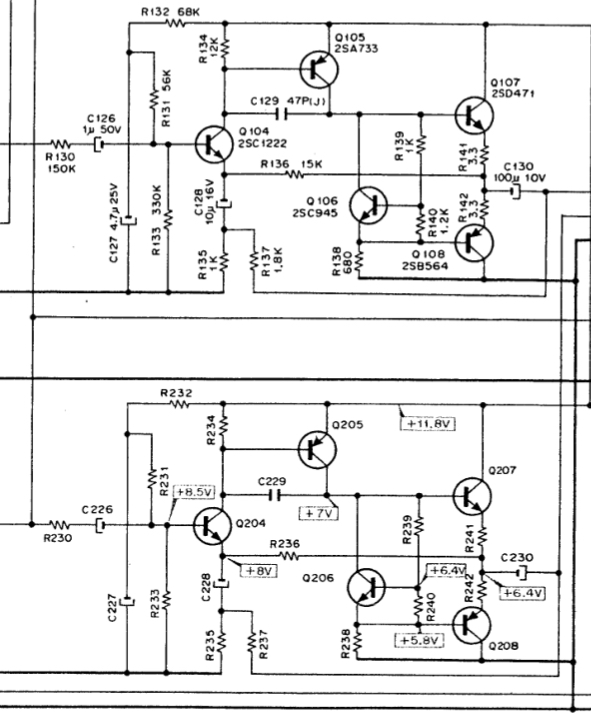
Там 150к в базе входного транзистора - это жеско.
Типа, верх долно валить. Видимо, чтобы подмагничивание не лезло? И усиление все же есть, хоть и небольшое. |
|
|
|
|
|
24-08-2019 13:14:45
Усиление по напряжению в 3 раза
резистор да большой но входное у первого каскада тоже большое - 330 к вечером попробую АЧХ снять
Изменено: - 24-08-2019 13:16:20
|
|
|
|
|
|
24-08-2019 13:17:40
|
|||
|
|
|
|
24-08-2019 13:28:28
Ну и что
заметил |
|
|
|
|
|
24-08-2019 13:47:48
Изменено: - 24-08-2019 13:50:11
|
|||
|
|
|
|
24-08-2019 15:02:21
|
||||
|
|
|
|||
Архив Форума Hi-Fi.ru
По 23-5-2020
Портал Hi-Fi.ru более не предоставляет возможностей и сервисов по общению пользователей
По 23-5-2020
Портал Hi-Fi.ru более не предоставляет возможностей и сервисов по общению пользователей

