| Цитата |
|---|
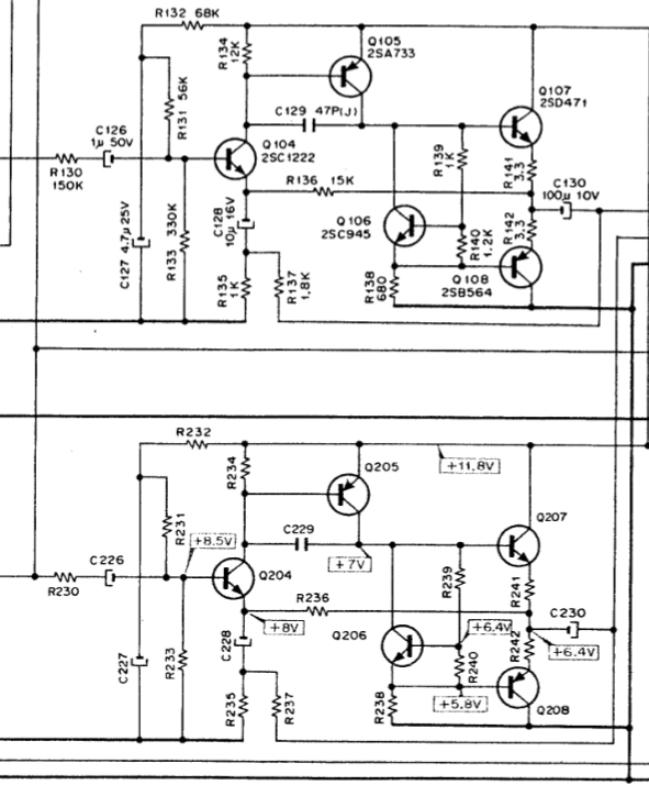
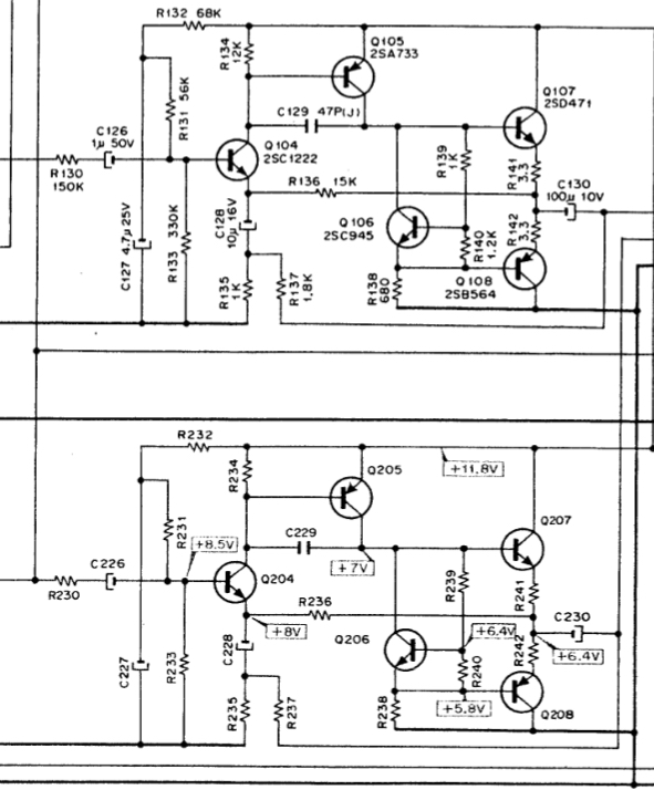
| Олег Masterok написал: Там 150к в базе входного транзистора - это жеско. Типа, верх долно валить |
Архив Форума Hi-Fi.ru
По 23-5-2020
Портал Hi-Fi.ru более не предоставляет возможностей и сервисов по общению пользователей
По 23-5-2020
Портал Hi-Fi.ru более не предоставляет возможностей и сервисов по общению пользователей
Деки NAKAMICHI, Настройка и обсуждение (Part 2)
|
25-08-2019 23:26:54
|
|
|
|
|
|
25-08-2019 23:29:35
Борис, ты прав или ты не прав?
|
|
|
|
|
|
25-08-2019 23:31:03
Интересно, что может формировать небольшой подъем +2 dB на нч ?
Я думал на нч будет завал из за емкостей С126, С130 |
|
|
|
|
|
25-08-2019 23:32:05
Тут не прав
Тут прав
|
|||||||||||
|
|
|
|
25-08-2019 23:32:15
Изменено: - 25-08-2019 23:33:13
|
|||
|
|
|
|
25-08-2019 23:33:29
Все время быть правым тут могут только два человека
не буду пальцем тыкать |
|
|
|
|
|
25-08-2019 23:35:47
Олег
я мерял сопротивление на 1 кГц на отрицательном выводе С126 оно составляет 32,8 кОм это инструментально расчет Rвх как ты сказал - сложносочиненный |
|
|
|
|
|
25-08-2019 23:38:29
Кстати
подавал напряжение от генератора при измерениях на линейный ВЫХОД мафона чтобы не измерять весь тракт еще до ушника |
|
|
|
|
|
25-08-2019 23:57:24
|
|||
|
|
|
|
26-08-2019 00:04:05
|
||||
|
|
|
|||
Архив Форума Hi-Fi.ru
По 23-5-2020
Портал Hi-Fi.ru более не предоставляет возможностей и сервисов по общению пользователей
По 23-5-2020
Портал Hi-Fi.ru более не предоставляет возможностей и сервисов по общению пользователей
