Архив Форума Hi-Fi.ru
По 23-5-2020
Портал Hi-Fi.ru более не предоставляет возможностей и сервисов по общению пользователей


Страницы: Пред. 1 ... 919 920 921 922 923 ... 1099 След.

Деки NAKAMICHI, Настройка и обсуждение (Part 2)

 
 
Цитата
James Hetfield написал:
Еще пара Акайчиков стелоферритовых винтажных.
715 Акай очень красивый  :oops:  
作りましょう!
 
 
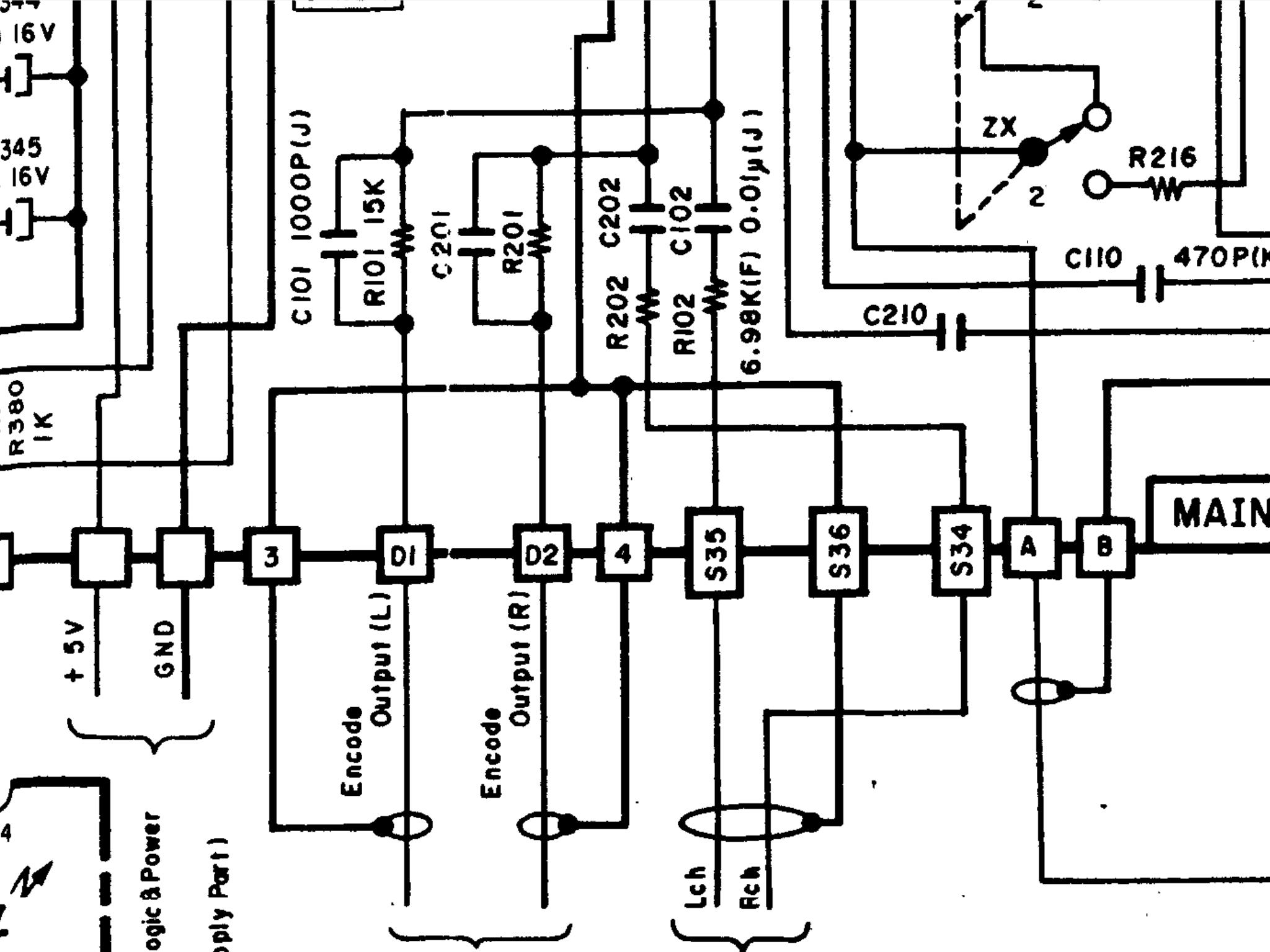
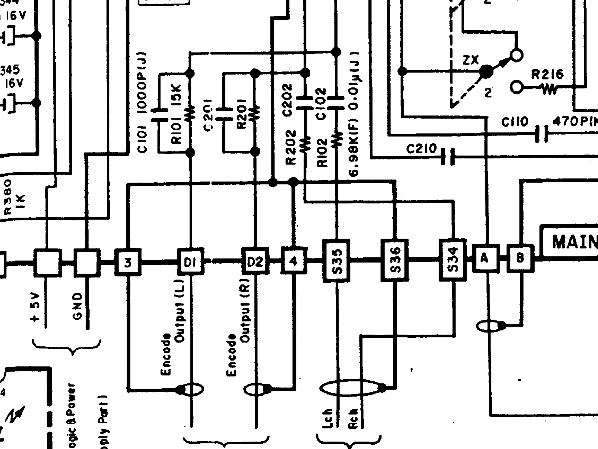
Олег, я ошибся насчёт твоей обучаемости. Очень трудно! А потом, когда до тебя дойдёт, ты начнёшь рассказывать, что сам давно это знал. Но тем не менее поучись. Вот схема тебе. Посиди, частоты посчитай. Достаточно ли будет, чтобы потом биас не крутить?
 
 
Цитата
Анатолий Петров написал:
Посиди, частоты посчитай.
См. #3240. ;)
Цитата
Анатолий Петров написал:
что сам давно это знал.
Знал, разумеется. п. #142 из темы Радуга ;)  


Петров, ты двоечник.  :!:  
 
 
Олег, ты просто дурак. :D
 
 
Аргументы кончились?

Нарисуй график АЧХ УЗ для 2го типа, потом подключи к нему RC и нарисуй результирующую АЧХ. ;)  
 
 
Цитата
Veschii Oleg написал:
См. #3240.
Ремарка: это тоже из темы "Радуга".  
 
 
Цитата
Veschii Oleg написал:
Аргументы кончились?

Нарисуй график АЧХ УЗ для 2го типа, потом подключи к нему RC и нарисуй результирующую АЧХ.  
Сам и рисуй.  
 
 
Цитата
Анатолий Петров написал:
Сам и рисуй.  
Нет теперь твоя очередь.

А пока я приведу картинку как ты советовал писать хром на 120 заклеивая окна в автоопределителе и только после того что я написал, что коррекцию надо прибить, ты вспомнил, что переключатель работает еще и в режиме записи. А я об этом писал еще в п.142 темы Радуга.
Наковод хренов. :!:  И еще выебывается!
 
 
Слушай, дурак, я воспроизводить предлагал, а не записывать. :D
и хорош уже материться. Сам же писал, что тут СМИ.
 
 
Анатолий, Олег! Да хорош уже! Угомонитесь!
i (1).jpg (44.21 КБ)
Страницы: Пред. 1 ... 919 920 921 922 923 ... 1099 След.
Архив Форума Hi-Fi.ru
По 23-5-2020
Портал Hi-Fi.ru более не предоставляет возможностей и сервисов по общению пользователей

1997—2026 © Hi-Fi.ru (Лицензионное соглашение)