| Цитата |
|---|
| sony metallic дмитрий пишет: Кто подскажет принцып калибровки ревокса 215? он что только рек левел настраивает и все? |
- ток записи
- ток подмагничивания (с системой динамического подмагничивания HX-PRO)
- коррекция АЧХ записи по трем частотам 500 Гц, 4 кГц, 17 кГц
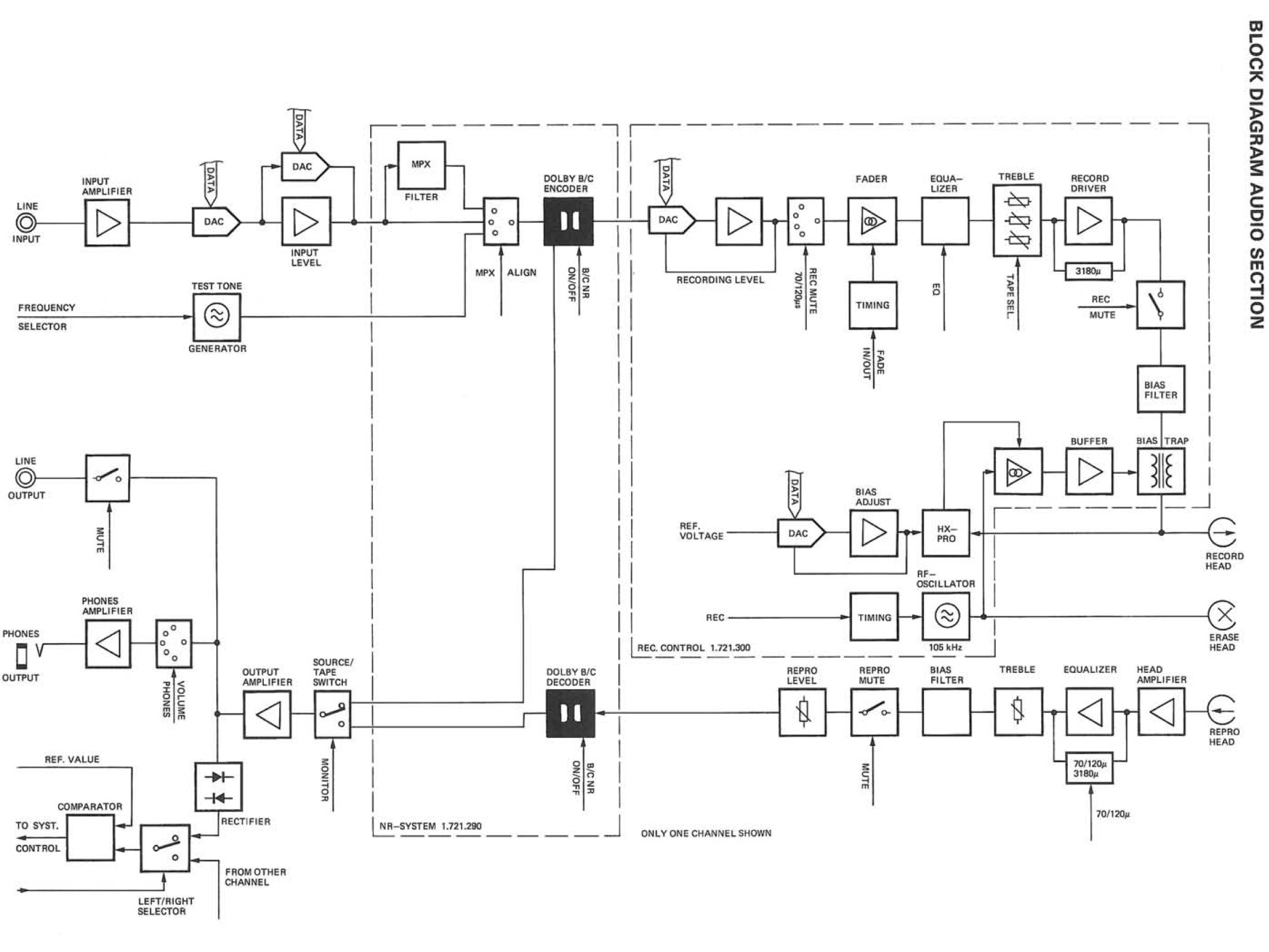
Посмотри блок-схему - понятнее станет

, сейчас её ,,нарегулируют,, - как надо