Архив Форума Hi-Fi.ru
По 23-5-2020
Портал Hi-Fi.ru более не предоставляет возможностей и сервисов по общению пользователей


Страницы: 1 2 3 След.

Kenwood 2060, Дека Kenwood 2060 . кто что скажет о ней?

 
 
Недавно увидел фотографии этой деки.

красивая.

А как она играет и записывает? кто владел?
 
 
Цитата
Semen  пишет:
Недавно увидел фотографии этой деки.



красивая.



А как она играет и записывает? кто владел?

забанили в яндексе?
http://www.hi-fi.ru/forum/forum46/topic65332/
Сдам в аренду нуждающимся: инвалидную коляску и фильтр для базара.
 
 
Дека действительно красивая
Пишет и грает не плохо
Хороший вариант просто для коллекции

Рассматривать как единственный и основной аппарат
я бы конечно не стал
 
 
Цитата
Ed Uvarov пишет:
Цитата
Semen  пишет:

Недавно увидел фотографии этой деки.







красивая.







А как она играет и записывает? кто владел?

забанили в яндексе?

http://www.hi-fi.ru/forum/forum46/topic65332/  

Ой...вот спасибо)))   сейчас почитаю
 
 
Отличный аппарат, единственный его минус - одномоторная протяжка.
作りましょう!
 
 
Еще один минус - неудобно разбирать. Остальное все гуд, и схемотехника, и головы, и элементы (конденсаторы ELNA и др. ).
作りましょう!
 
 
Это так бывает. Маркетинг в пользу малых шумов.)))
 
 
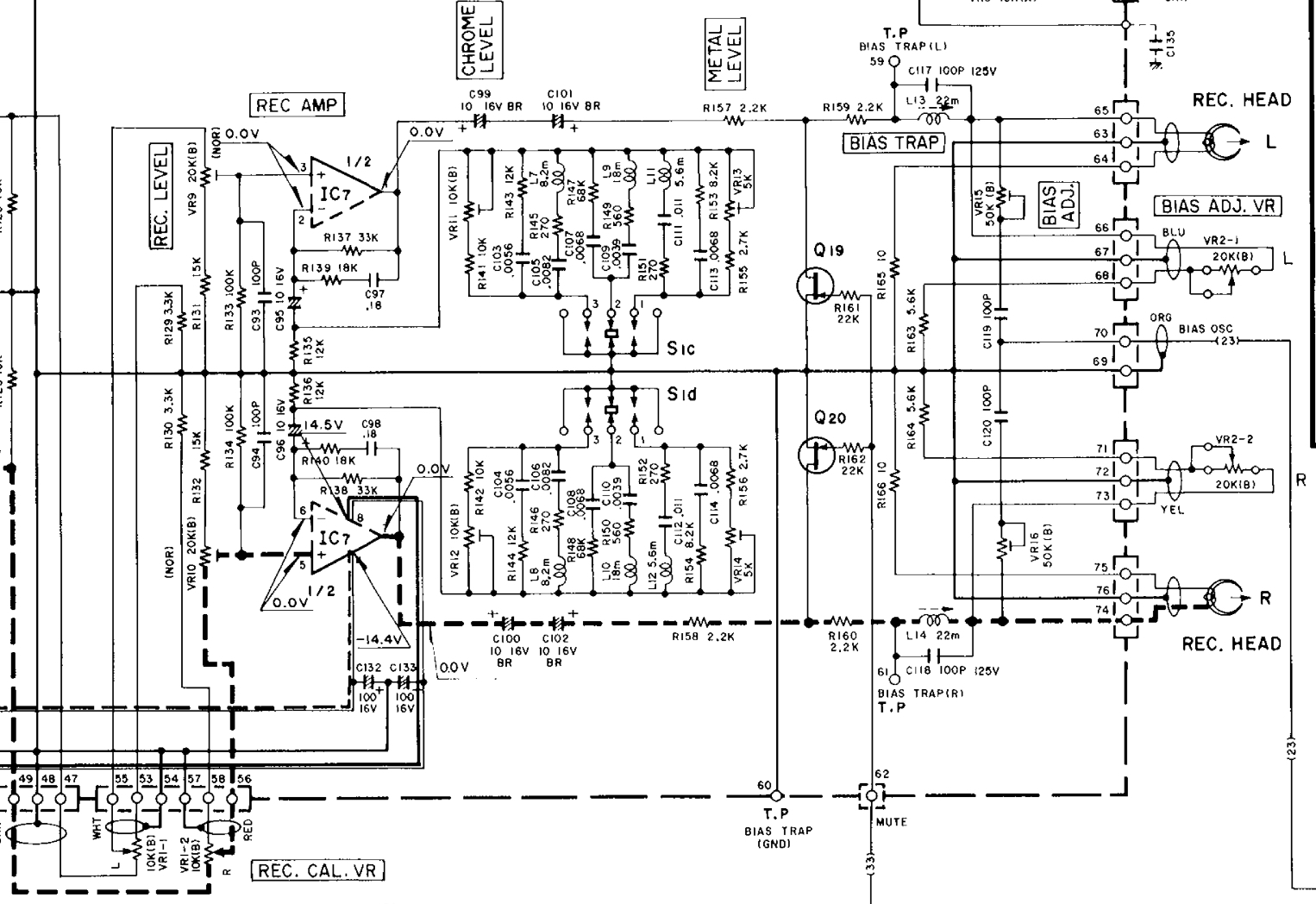
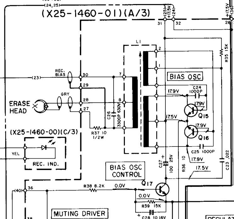
Этому УВ простительно. У него совершенно классная схемотехника дискретного ОУ с однотактным выходом. Мне такая, например, очень близка по духу (слуху) - Н. Пасс (Pass Labs) стайл (а на самом деле Пасс многое взял от Erno Borbely). По такой топологии у меня фонкорректор и вот сейчас аудиокомпенсатор сделал.


Вот УВ 2060
2060.JPG (55.82 КБ)
Изменено: Mr.Yu - 10-11-2017 11:02:10
作りましょう!
 
 
ГСП правильно реализован
нет переключения напряжения питания в зависимости от типа пленки
И возбуждение в нем индуктивное
что при правильной реализации
по моим замерам дает меньшие искажения

Ток подмагничивания регулируется интересно
путем делителя напряжения - нижним плечом на землю

Коррекция АЧХ под каждый тип пленки
отдельным контуром
 
 
Я и говорю, отличная схемотехника (да и детали). Вот на протяжке с'экономили и на управлении (понаставили кнопок типа П2К). В протяжке слабые места - мотор (дохнет) и пружины (усталость). Помню пружин пришлось поменять аж 3, чтобы в родные спеки вписаться. Одну, помню, было тяжело подобрать, т.к. маленькая, но жесткая, из толстой проволоки.
作りましょう!
Страницы: 1 2 3 След.
Архив Форума Hi-Fi.ru
По 23-5-2020
Портал Hi-Fi.ru более не предоставляет возможностей и сервисов по общению пользователей

1997—2026 © Hi-Fi.ru (Лицензионное соглашение)