Архив Форума Hi-Fi.ru
По 23-5-2020
Портал Hi-Fi.ru более не предоставляет возможностей и сервисов по общению пользователей


Страницы: Пред. 1 ... 4 5 6 7 8 ... 44 След.

Межгалактический портал, Общение с соседними мирами

 
 
Не думаю, что мегапортал задумывался топикстартером, чтобы сюда всякий срач перетаскивать. :хu:  Уймитесь уже.
Сдам в аренду нуждающимся: инвалидную коляску и фильтр для базара.
 
 
Цитата
Синхрофазатрон  пишет:
Ерунду не пишите, ГЗ что при выходе с конвееране совмещена по азимуту с ГВ которая в свою очередь установлена по (тест кассете Накамичи) ?  
Да я вообще большой писатель ерунды! :laughter:

ГЗ, разумеется совмещена с азимутом ГВ на собственной типовой кассете Накамичи (ТДК) для записи, но по замыслу производителя она не контрится, как ГВ, а управляется мотором или вручную по сигналам фазометра. ;)
Фишка в том, что азимут на всех кассетах после калибровки ГЗ получается совместим с ГВ (так какк подстрвивается под неё), но относительно корпуса самой кассеты может идти криво.
При установке этой ккссеты в любой магнитофон Накамичи такая кассета будет иметь правильный азимут записи и считается на нем правильно. Т.е такая Приблуда расширяет совместимость записи от магнитофона-писателя до всех магнитофонов Накамичи.
Если эту кассету вставить в деку Сони (где ГВ выставлена по-другому) совместимости уже не будет разумеется.  

Да, и в советское время к высшему образованию без аттестата о среднем не допускали. :D
 
 
Да не будет там правильно и в другой Накамичи то же, сколько ЛПМ столько вариантов воспринимать кривизну кассеты.
Подземные переходы на что? Это я про дипломы и атестаты. ;)
Наличие только диплома = наличию водительского удостоверения у "блондинки".  :D  
 
 
Цитата
Синхрофазатрон  пишет:
Да не будет там правильно и в другой Накамичи то же, сколько ЛПМ столько вариантов воспринимать кривизну кассеты.
Задача калибровки ГЗ снизить вероятность несовпадения азимутов. И с этой задачей она справляется. У меня все ГВ в магнитофонах выставлены одним человеком (мной) по одной кассете (3ЛИМ ВНИИТР). А у меня их много. И совпадение азимутов на кривых кассетах после калибровки получается. Проверено.

Разумеется идеальное совпадение в любом случае будет только на аппарате-писателе, чего я и откровенно пропагандирую. (сюда еще добавляется еще и зеркальность трактов зап. и воспр., что немаловажно.


Цитата
Синхрофазатрон  пишет:
Подземные переходы на что? Это я про дипломы и атестаты.  
А в СССР были статьи за "подземные переходы" (незаконная торговля, изгот. подд. документов, спекуляция, тунеядство) :D

Сейчас да за деньги действительно можно все, но мы старой гвардии. ;)
 
 
Я не Вас имел ввиду, а воообще. :scout:
Наличие только диплома = наличию водительского удостоверения у "блондинки".  :D  
 
 
Цитата
Синхрофазатрон  пишет:
Подземные переходы на что? Это я про дипломы и атестаты. ;)

все совпадения разумеется случайны
:laughter:
Hi_B_ _C.F._
 
 
Цитата
powerday  пишет:
все совпадения разумеется случайны  
Именно! Все новое в аналоговой схемотехнике уже давно придумано в 60е-70е.
作りましょう!
 
 
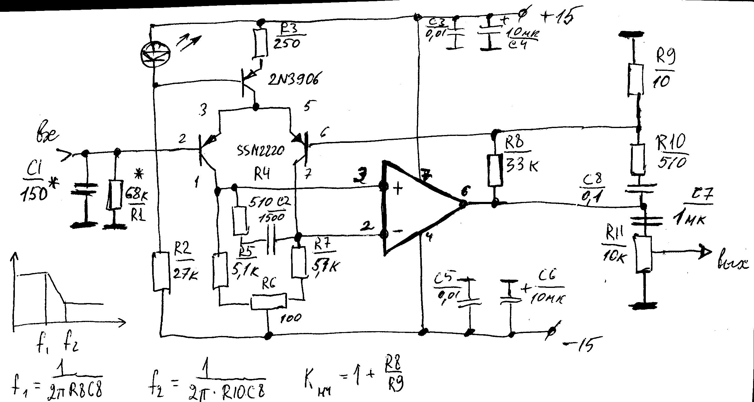
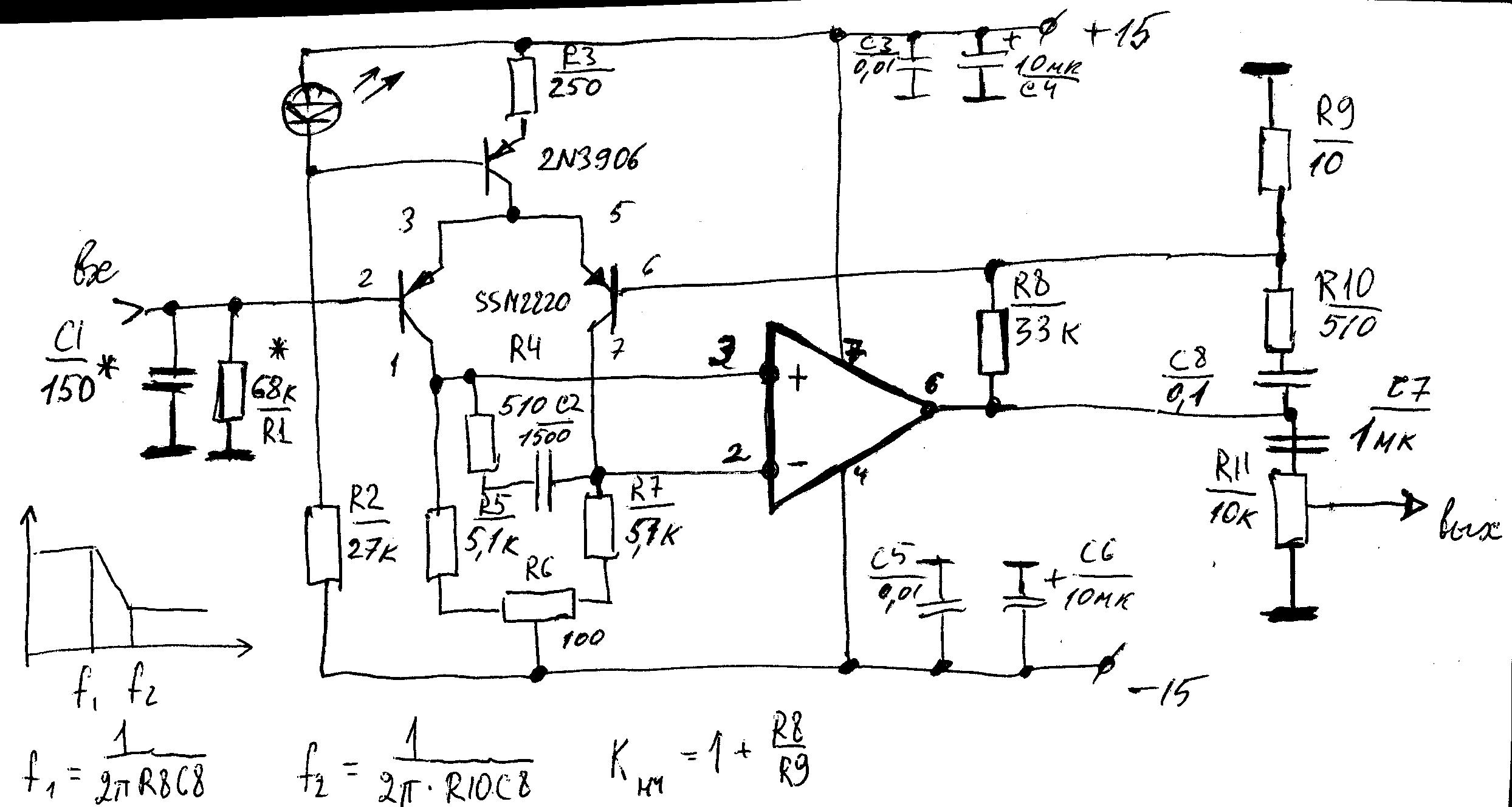
но только Вечный Олег берет схему микрофонного преампа из даташина на ссм2020, тупо прикручивает к ней цепи коррекции от колесника(?) Т=3300/51мкс, и анонсирует уже как свою "разработку" кассетного УВ.
:D

То что головка будет намагничиваться входным током УВ, он не заметил.
Про шумовые характеристики "разработки", спрашивать тоже не стоит.
:cheers:
Hi_B_ _C.F._
 
 
Цитата
powerday  пишет:
То что головка будет намагничиваться входным током УВ, он не заметил.  
Кто вам сказал такую глупость? :o  :laughter:
Цитата
powerday  пишет:
Про шумовые характеристики "разработки", спрашивать тоже не стоит.  
Действительно,не стоит... :D
 
 
Портал
Пора переименовать
В «Еще одно отхожее место»

Хоть бы чего то перетащили или отправили
Опять размножением фекалий занимаемся
:D
Страницы: Пред. 1 ... 4 5 6 7 8 ... 44 След.
Архив Форума Hi-Fi.ru
По 23-5-2020
Портал Hi-Fi.ru более не предоставляет возможностей и сервисов по общению пользователей

1997—2026 © Hi-Fi.ru (Лицензионное соглашение)