| Цитата |
|---|
| sony metallic дмитрий написал: Барыги вылетели на клёв. |
Архив Форума Hi-Fi.ru
По 23-5-2020
Портал Hi-Fi.ru более не предоставляет возможностей и сервисов по общению пользователей
По 23-5-2020
Портал Hi-Fi.ru более не предоставляет возможностей и сервисов по общению пользователей
Использование соединительных проводов, Использование соединительных проводов в кассетных деках
|
05-06-2018 20:08:17
|
|
|
|
|
|
05-06-2018 20:47:14
|
|||
|
|
|
|
06-06-2018 12:59:19
|
|||||
|
|
|
|
06-06-2018 14:49:11
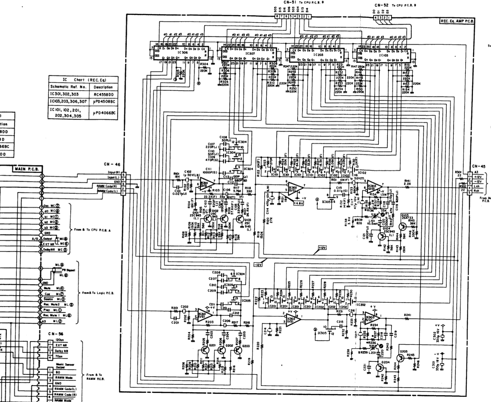
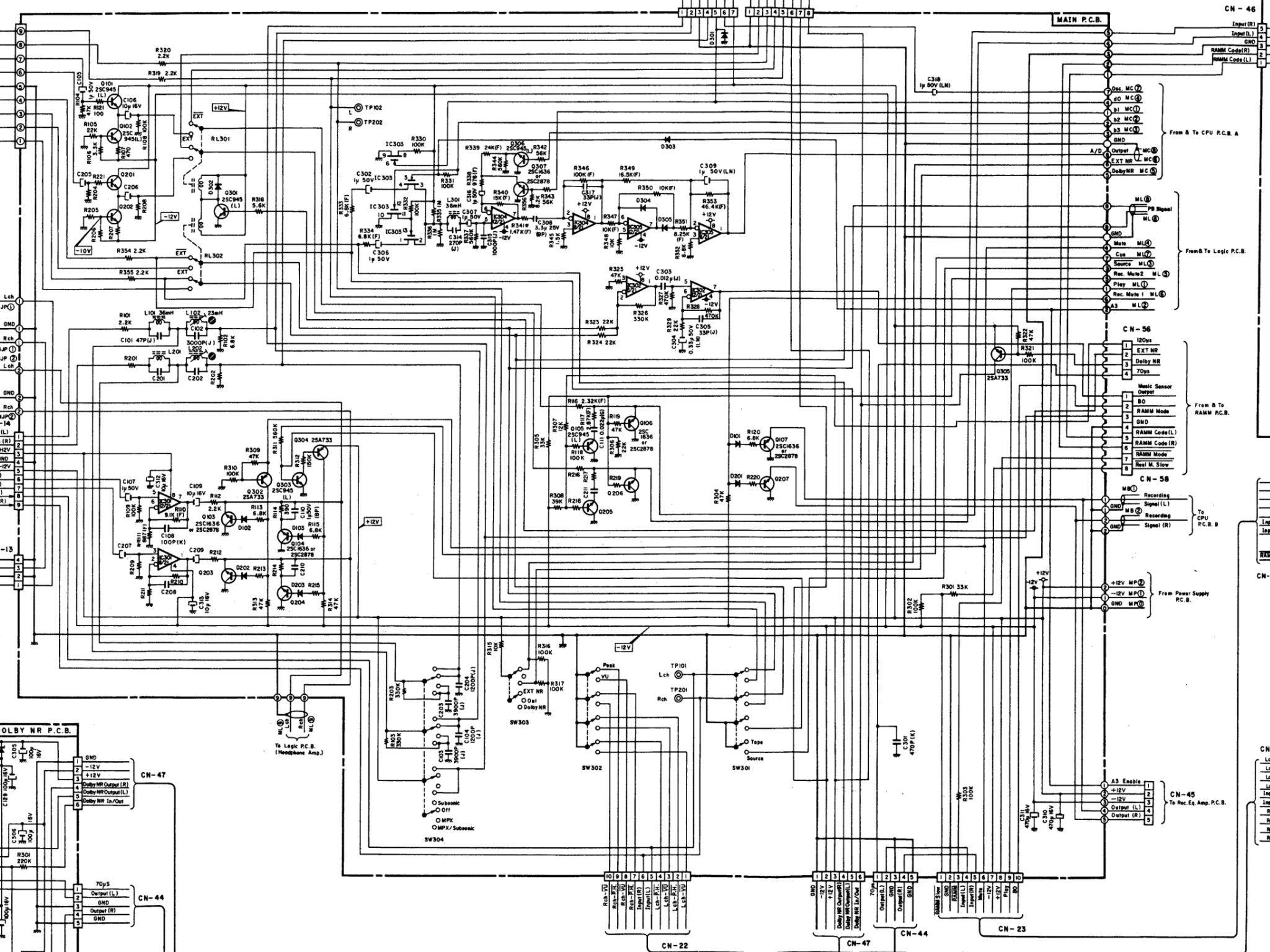
Ручной переключатель,переключает цепи корекции в УВ.
...???поумничали.... |
|
|
|
|
|
06-06-2018 14:56:41
Нет Сергей
Не только в УВ но и в УЗ Посмотри транзисторные ключи на MAIN PCB - Q105 и Q205 они как раз для команды 120
Изменено: - 06-06-2018 15:01:24
|
|
|
|
|
|
06-06-2018 15:04:27
Они точно на Майне стоят?
Вся корекция УЗ,переключается на плате УЗ,соящей вертикально и переключается памятью,причём в памятьи 70-120 тоже хранится. |
|
|
|
|
|
06-06-2018 15:10:25
Да
смотри укрупненно трассировку входа УЗ ключи в режиме 120 скорее всего не подключены и активируют RC-цепочку R117C111 в режиме 70 |
||||
|
|
|
|||
Архив Форума Hi-Fi.ru
По 23-5-2020
Портал Hi-Fi.ru более не предоставляет возможностей и сервисов по общению пользователей
По 23-5-2020
Портал Hi-Fi.ru более не предоставляет возможностей и сервисов по общению пользователей
