Дак это и так было ясно, тем кто эти коррекции настраивает, но почитать было интересно, Олег тоже прав, верхняя рабочая частота для хрома выше чем для ферума, он это имел в виду, я четвертый раз об этом пишу, если в Олегову портянку добавить коррекцию средних, то его партянка строго повторит все правильные графики, да Олег конечно не прав что он людей далеких от пактики и теории тупо в вел в заблуждение, но я когда первый раз увидел его партянку, первое что на ум пришло; ( немцы в 45 году разработали принцып магнитной записи) и зачем ее Олег показал.
Архив Форума Hi-Fi.ru
По 23-5-2020
Портал Hi-Fi.ru более не предоставляет возможностей и сервисов по общению пользователей
По 23-5-2020
Портал Hi-Fi.ru более не предоставляет возможностей и сервисов по общению пользователей
радуга, для желающих
|
24-08-2019 10:50:09
|
|
|
|
|
|
24-08-2019 11:18:04
|
|||
|
|
|
|
24-08-2019 11:25:26
|
|||
|
|
|
|
24-08-2019 11:29:26
Люди которые писали эту книгу ни чего круче маяка и мк 60 5, не видели, или даже это считали предел магнитной записи.
|
|
|
|
|
|
24-08-2019 11:33:15
Даже Патрицию Барбер где то психическую нашел
|
|
|
|
|
|
24-08-2019 11:41:30
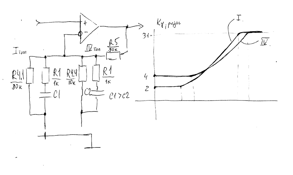
Исходная картинка, которую все время зачеркивает Партагас - правильная. (просто для упрощения схема была приведена без учета изменения Ку для разных лент, но на картинке все учтено!) Специально для Партагаса я нарисовал схему как должно быть чтобы схема точно соответствовала картинке. Она представляет из себя по сути ФВЧ. Поведение АЧХ в полосе пропускания (правая верхняя часть картинки) определяется R1C1 и R1C2 (это есть частота настройки или частота среза и у меньшей пост времени она больше). Поведение АЧХ в полосе задерживания (левая нижняя часть картинки) определяется R4.4C1 и R4.1C2 (это есть частота начала подъема АЧХ). |
|||
|
|
|
|
24-08-2019 11:44:53
В результате имеем нарисованную ранее картинку, сравниваем её и картинку реального магнитофона где сделано по-науке:
|
|
|
|
|
|
24-08-2019 12:16:34
На заре МЗ в УЗ компенсировали все потери, в УВ - индуктивный хар-р ГВ. Потом в УВ перенесли компенсацию слойных потерь и стандартизировали. Переключатель 120/70 в 90% дек только на воспроизведение (исключение Наки и еще некоторые деки). Об этом я писал выше, 100страниц назад (буквально)))
А в УЗ - уже все что осталось: недокомпенсация слойных, волновые и компенсация индуктивности ГЗ. Поэтому в УЗ уже может быть отличия, но не глобальные Физику и суть это не меняет!
Оно!Но, согласись, мужики хорошо играют! Труба там в одном канале довольно реалистичная и виолончель в другом.... P.S.Аркобалено, кстати, в сравнении с Наком лежит здесь в теме, кассета ТДК Д люксембургского розливу
Изменено: - 24-08-2019 12:18:01
(Добавил PS )
|
||||
|
|
|
|||
Архив Форума Hi-Fi.ru
По 23-5-2020
Портал Hi-Fi.ru более не предоставляет возможностей и сервисов по общению пользователей
По 23-5-2020
Портал Hi-Fi.ru более не предоставляет возможностей и сервисов по общению пользователей
