Архив Форума Hi-Fi.ru
По 23-5-2020
Портал Hi-Fi.ru более не предоставляет возможностей и сервисов по общению пользователей


Страницы: Пред. 1 ... 225 226 227 228 229 ... 584 След.

радуга, для желающих

 
 
https://www.youtube.com/watch?v=ypBKycLLvPY
 
 
Цитата
Triac написал:
Олег, неужели величина коррекции измеряется относительно прямого наклонного участка
Именно так. Когда индуктивность головки скомпенсирована интегратором УВ по факту  он становится уже горизонтальным, как показано на рис 2. (сигнал после компенсации индуктивности). Ну и дальше - увеличение сигнала, как показано на рис 3. Пост #2244 поясняет все этапы. ;)


Цитата
Triac написал:
полный аллес капут,
Никаких капутов, см пост #2244, он поясняет все этапы. ;)
Цитата
Владимир Леонов написал:
Если смотреть на график(последний),который привёл Олег,где по оси "х" отложена частота,а по оси"У" отложен коэффициент усиления,то следует смотреть изменение графиков после первой точки перегиба(1,2 кГц).Оценку производить по шкале "У"( относительно "0" точки ординат),где наглядно показано,что КУ, для "первого типа", всегда находится выше относительно "второго типа".Следовательно,усиление,для "первого типа",всегда больше,чем для "второго".
Именно так.
Цитата
Владимир Леонов написал:
P.S.Если это называть "коррекцией" со знаком "+",то она больше(сильнее),если рассматривать "коррекцию" со знаком "-",то она сильнее у "второго типа".
Коррекция слойных потерь (а именно мы говорим) - всегда со знаком "в плюс" ибо измеряется относительно сигнала скорректированной головки воспроизведения. Это либо горизонтальная линия рисунок 3 из п. #2244, либо наклонная линия из рис 5 п#2245.

Если говорить о том на какую величину надо ослабить сигнал ленты 2типа после ГВ (без учета её индуктивности) то да она будет больше. Но это не коррекция слойных потерь ленты, а суммарное затухание в системе "интегратор+корректор"!!!. А при переключении кнопки 120 и 70мкс затрагивается только один кусок АЧХ (начиная с 1,3 или 2,2кГц)

Цитата
Анатолий Петров написал:
Партагас прав.
Не прав. Так как мы говорим о компенсации потерь ленты, а не об общем затухании в системе "интегратор+корректор".


Впрочем все наглядно нарисовано в #2244 и #2245. Можно даже было и не пояснять, стрелки наглядно показывают какая коррекция сильнее. ;)  
 
 
В чем сила, брат?
В коррекции
 
 
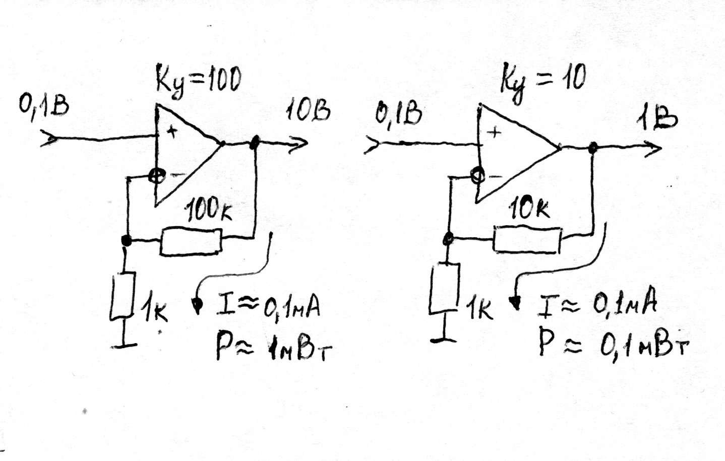
Так, теперь кто-то тут из сантехников, каменщиков и курильщиков что-то имел против "натугов" ОУ. Формулы приводились правильные, но просветления в их головах не наступило. Итак, я писал, что при большем Ку ОУ больше "напрягается" и больше потребляет, чем при меньшем.

Смотрим на рис ниже. Для упрощения поставим круглые цифры, чтобы было удобно считать в уме, без калькуляторов и симуляторов.  :D
Слева ОУ с Ку=100(примерно , единицей пренебрегаем). На вход подаем 0,1В - на выходе получаем 10В. Резистор на землю 1кОм, второй 100кОм. Считаем что нагрузки нет, ХХ, поэтому ток нагрузки определяется только ОС. И в данном случае равен I=U/R=10/100000=0,1мА.
Теперь мы, не трогая резистор на землю, уменьшаем сопротивление резистора с 100кОм до 10кОм уменьшая Ку до 10(примерно, единицей пренебрегаем). Ток в ОС на короткое время возрастает, но напряжение на выходе тут же падает с 10В до 1В. Таким образом в установившемся режиме ток равен I=1/10000=0,1мА. Т.е примерно такой же как и в первом случае. (скажу по секрету он будет примерно всегда одинаковым, до опред. момента). А вот напряжения у нас на выходе разные и следовательно мощность разная P=IU=1мВт в первом случае и 0,1мВ во втором.

Так в каком случае ОУ "напрягается" больше?  ;)  
 
 
Цитата
ivanhoe написал:
В чем сила, брат?
В знании. ;)  
 
 
Цитата
Veschii Oleg написал:
Резистор на землю 1кОм, второй 100кОм.

Надо же выдумать такую чушь, ОУ "напрягается"?
Это космонавт напрягается со своим каменным цветком и зовет сантехников и МЧСс-овцев...
Изменено: Олег Masterok - 23-09-2019 14:57:12
 
 
Цитата
Veschii Oleg написал:
я писал, что при большем Ку ОУ больше "напрягается" и больше потребляет, чем при меньшем.
Олега, не от Ку зависит потребление, а от выходной мощности, которую отбирают от ОУ.
При любом Ку можно сильно нагрузить опер или усилитель.
А можно не нагружать - и потреблять он будет меньше.
Грубо говоря - все зависит от нагрузки.
 
 
Цитата
Олег Masterok написал:
Надо же выдумать такую чушь, ОУ "напрягается"?Это космонавт напрягается со своим каменным цветком и зовет сантехников и МЧСс-овцев...
Что,в очередной раз, у вас не вышел "каменный цветок"?... с ОУ - какая жалость... :laughter:
P.S.Тужьтесь сильнее и  будет вам щастье... ;)  
 
 
Цитата
Олег Masterok написал:
Грубо говоря - все зависит от нагрузки.
Грубо говоря,пример показал,что закон Ома соблюдается всегда,а не когда вам хочется... :read:  
 
 
Цитата
ivanhoe написал:
тут парни изобрели маяк . сначала он ( маяк ) писал на первый тип 20к@250 . теперь в него установили дешевый сендвич и он ( маяк ) пишет на любую ленту с огромными уровнями без дополнительных подстроек . чем не вечный двигатель ?  
Ну, если речь от Константине, то я с ним общался и никаких 20кГц на 250нвбм (это +4дБ по индикатору) там не было. Это неверная информация. Там был Маяк-240, но с Вильмовской 080 бошкой. Такой аппарат до "Убицы" у меня был (231ый, правда, с новосибирской 810, но не суть). 18кГц без СДП на 1 тип при -20дБ я получал легко. С СДП то же самое с уровнем -10дБ.
После установки сендвича Кэнон ситуация меняется существенно и получить 18кГц на -10 без СДП уже реально.

Если речь о Романе с Тиками, то у меня есть не только картинки, но и реальные файлы - как с сигналами, так и с фонограммами, которые я проверил у себя в своей системе координат, все сошлось и я полностью подтверждаю, что там все сделано правильно и аппарат весьма неплох. Да, он был доработан, но результат вполне на уровне. Очень мало аппаратов, которые в стоке удовлетворяют. ;)  
Страницы: Пред. 1 ... 225 226 227 228 229 ... 584 След.
Архив Форума Hi-Fi.ru
По 23-5-2020
Портал Hi-Fi.ru более не предоставляет возможностей и сервисов по общению пользователей

1997—2026 © Hi-Fi.ru (Лицензионное соглашение)