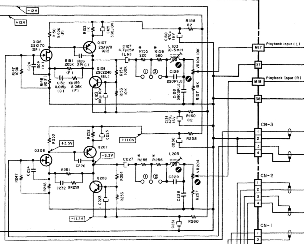
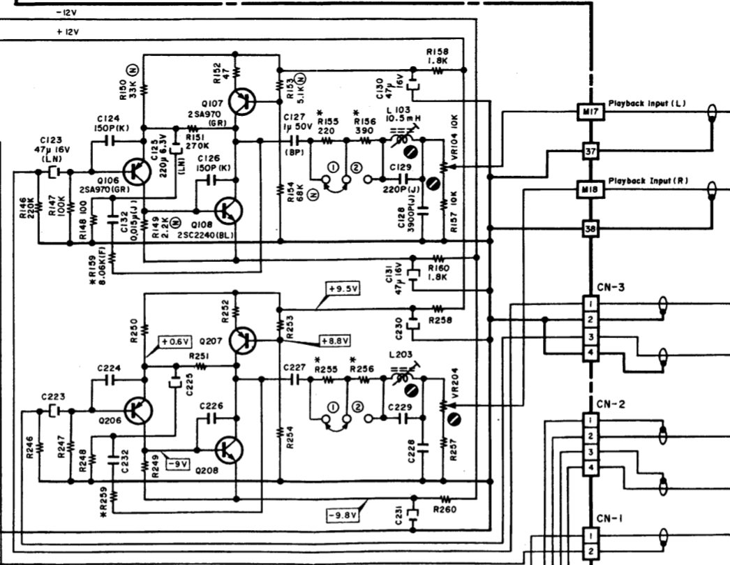
Да но нужно будет чуть схему переделать, но по сути он подходящей структуры и встанет один в один с А 970.
Архив Форума Hi-Fi.ru
По 23-5-2020
Портал Hi-Fi.ru более не предоставляет возможностей и сервисов по общению пользователей
По 23-5-2020
Портал Hi-Fi.ru более не предоставляет возможностей и сервисов по общению пользователей
Фирменная флудильня от производителя., Флуд от производителя без посредников и комиссий.
|
18-06-2019 12:43:46
|
|
|
|
|
|
18-06-2019 13:03:30
Не уверен что ты прав
Лучше тогда весь УВ сделать как в ZX-9 |
|
|
|
|
|
18-06-2019 13:07:51
Я не говорил что прав, но надо поэксперементировать.
В теории без глобальной переделки должно получится как ZX 9. |
|
|
|
|
|
18-06-2019 13:09:30
не вижу смысла портить аутентичность этих аппаратов
Ушел до лучших времен
|
|
|
|
|
|
18-06-2019 13:15:47
Там и есть не глобальная переделка
У меня 170 лежат лет 5 . Возможно, настоящие. Все не собраться) |
|
|
|
|
|
18-06-2019 13:20:34
170 более распространенные, легче найти настоящие.
作りましょう!
|
|
|
|
|
|
18-06-2019 13:24:17
|
|||
|
|
|
|
18-06-2019 13:26:59
Что значит не глобальная переделка?
Это две разные схемы с разными параметрами в каскадах |
||||
|
|
|
|||
Архив Форума Hi-Fi.ru
По 23-5-2020
Портал Hi-Fi.ru более не предоставляет возможностей и сервисов по общению пользователей
По 23-5-2020
Портал Hi-Fi.ru более не предоставляет возможностей и сервисов по общению пользователей
