Архив Форума Hi-Fi.ru
По 23-5-2020
Портал Hi-Fi.ru более не предоставляет возможностей и сервисов по общению пользователей


Страницы: Пред. 1 ... 38 39 40 41 42 ... 59 След.

Akai, Какой кассетник лучший у Akai?

 
 
Цитата
Veschii Oleg написал:
Подмагничивание установленное вроде показывал сегментом в обе стороны от нуля...
нет, именно SOL и MML, в метре от меня стоит серебряный такой.
Ушел до лучших времен
 
 
Андро
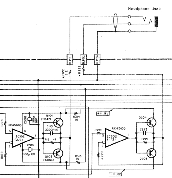
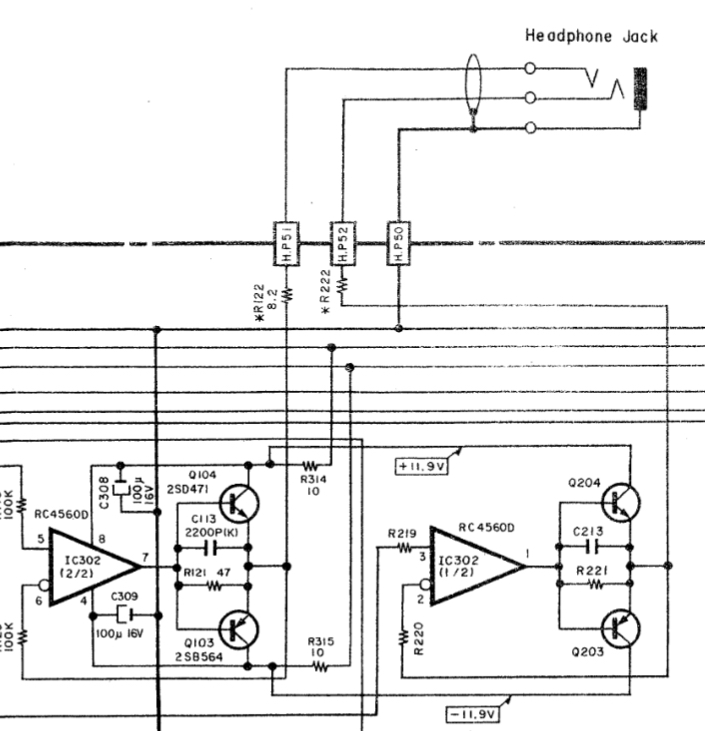
пока не забыл - про ушник в наках
это не совсем усилитель
это схема преобразователя импеданса
он не усиливает сигнал по напряжению
только умощняет выход ОУ по току

Ты же эту схему имел в виду?
Изменено: Магнитофоныч - 25-07-2019 13:32:38
 
 
В этом наковом ушнике
ОУ работает в режиме повторителя напряжения
с резисторами обратной связи по току - R120, 220

Извиняюсь за оффтоп
 
 
Именно этот ушник имел в виду , Спасибо)
Что интересно , С113 , в зависимости от деки , был номиналом от 22 нФ до нуля . Здесь - 2.2 нФ .
Изменено: ivanhoe - 25-07-2019 13:42:54
 
 
По идее, этот кондер - обход по ВЧ кривого выходного каскада в глубоком классе В.
Так что, в недорогих аппаратах его могли вовсе не ставить, в дорогих - ставить побольше.
Но в любом случае, ушник не особо хороший. Могли бы в приличных аппаратах и поприличнее придумать что-то.
 
 
Цитата
Магнитофоныч написал:
с резисторами обратной связи по току - R120, 220
Конечно, по напряжению.
 
 
Цитата
Олег Masterok написал:
Конечно, по напряжению.
И по сопротивлению еще
и по хую в добавок  
 
 
Подумаешь, поправил, что сразу "моргала выколю"...
 
 
Цитата
Магнитофоныч написал:
Андро
пока не забыл - про ушник в наках
это не совсем усилитель
это схема преобразователя импеданса
он не усиливает сигнал по напряжению
только умощняет выход ОУ по току

Ты же эту схему имел в виду?
Могу продолжить тему по курсу доллара советскому рублю и начать обсуждение о бонах и серификатах с синей и желтой полосами, и даже бесполосыми... Где это было, в наковской ветке?  
 
 
Как раз наоборот. В топах этого  катисатора нет
Страницы: Пред. 1 ... 38 39 40 41 42 ... 59 След.
Архив Форума Hi-Fi.ru
По 23-5-2020
Портал Hi-Fi.ru более не предоставляет возможностей и сервисов по общению пользователей

1997—2026 © Hi-Fi.ru (Лицензионное соглашение)