Еще один повод поговорить об узлах магнитофона
Архив Форума Hi-Fi.ru
По 23-5-2020
Портал Hi-Fi.ru более не предоставляет возможностей и сервисов по общению пользователей
По 23-5-2020
Портал Hi-Fi.ru более не предоставляет возможностей и сервисов по общению пользователей
Усилители для головных телефонов, В деках
|
25-07-2019 19:24:18
|
|
|
|
|
|
25-07-2019 19:28:12
Олег М
меня вот это смутило про каррент фидбэк а там речь шла про ОУ с токовой ОС Виноват Токовая снималась бы с резистора ниже нагрузки Конечно ты прав |
|
|
|
|
|
25-07-2019 19:30:54
Или токовая все таки?
Поскольку номинал резистора большой |
|
|
|
|
|
25-07-2019 20:59:49
Вещий
рассуди нас, если разумеешь токовая и напряжометровая? Владимир Л тоже должен знать |
|
|
|
|
|
25-07-2019 21:32:29
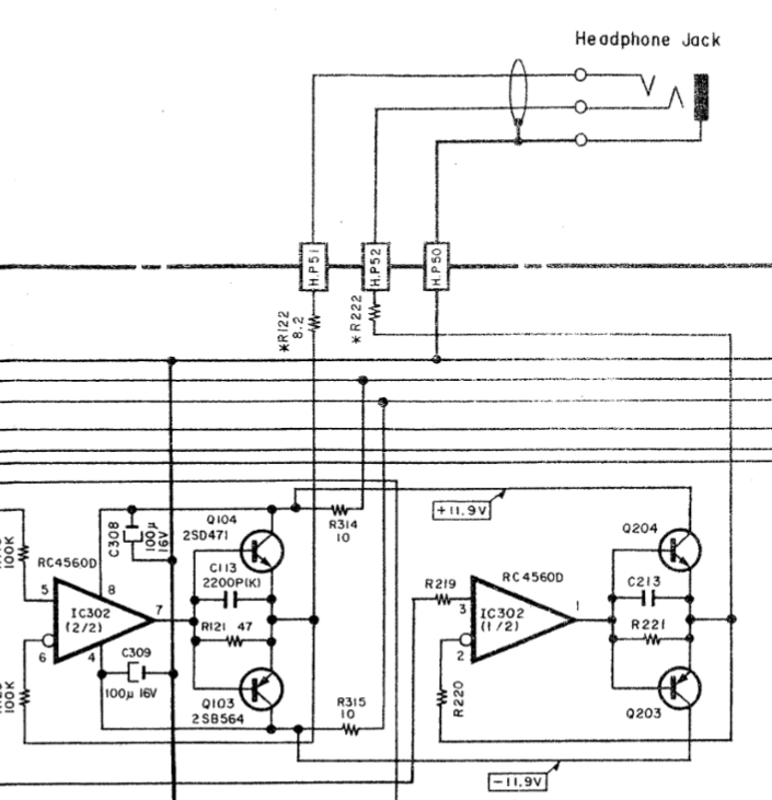
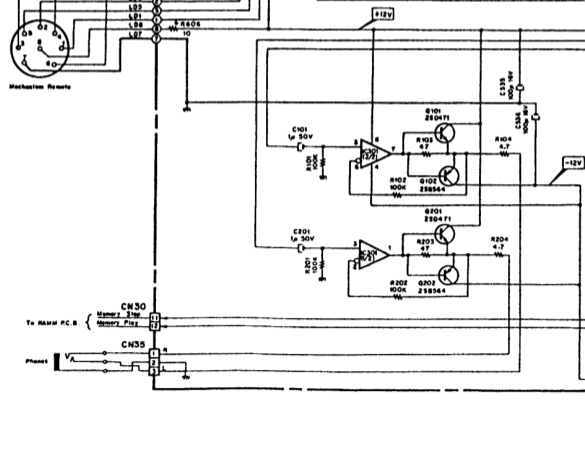
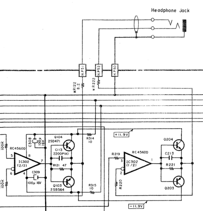
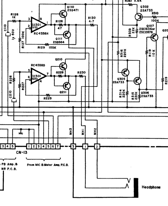
Тут все описано подробно
|
|
|
|
|
|
25-07-2019 21:34:47
Короче, ОУ с токовой обр. связью - отдельный класс ОУ с инвертирующим входом с низким импедансом.
К 4560 не имеют отношения. |
|
|
|
|
|
25-07-2019 21:37:40
Да и все наушники рассчитаны на управление с источника напряжения (обычного усилителя). |
|||
|
|
|
|
25-07-2019 22:22:05
И правда
а где конденсаторы? 1000ZXL 700ZXL 700ZXE |
|
|
|
|
|
25-07-2019 22:40:07
сэкономили
|
||||
|
|
|
|||
Архив Форума Hi-Fi.ru
По 23-5-2020
Портал Hi-Fi.ru более не предоставляет возможностей и сервисов по общению пользователей
По 23-5-2020
Портал Hi-Fi.ru более не предоставляет возможностей и сервисов по общению пользователей
