| Цитата |
|---|
| Veschii Oleg написал: А Шкритек вообще ни в 3,14..у, ни в Красную армию был! |
Архив Форума Hi-Fi.ru
По 23-5-2020
Портал Hi-Fi.ru более не предоставляет возможностей и сервисов по общению пользователей
По 23-5-2020
Портал Hi-Fi.ru более не предоставляет возможностей и сервисов по общению пользователей
Усилители для головных телефонов, В деках
|
01-08-2019 13:55:25
P.S.Да,и не трогай болезного - запах будет на весь форум... |
|||
|
|
|
|
01-08-2019 18:57:19
Я имел в виду упоминание "разгрузки по току" г-ном аудиофилом в контексте дискуссии об ОС))))). |
|||
|
|
|
|
01-08-2019 19:08:08
|
|||
|
|
|
|
01-08-2019 20:23:22
Одесситы лет 20 назад,показывали эти фокусы. Надо просто понимать,что по переменному току питание имеет 0 сопротивление. |
|||||
|
|
|
|
01-08-2019 20:40:05
Однако, если по какой то из причин, сопротивление по переменке становится отличным от нуля, например, при плохой фильтрующей емкости, то ОК превращается в ОЭ, просто со съемом сигнала с эмиттера. |
|||
|
|
|
|
01-08-2019 20:52:56
|
|||
|
|
|
|
01-08-2019 21:57:04
А в огороде бузина...и так далее. Не надоело ? |
|||||
|
|
|
|
02-08-2019 09:32:44
|
|||
|
|
|
|
02-08-2019 21:27:23
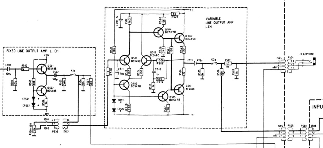
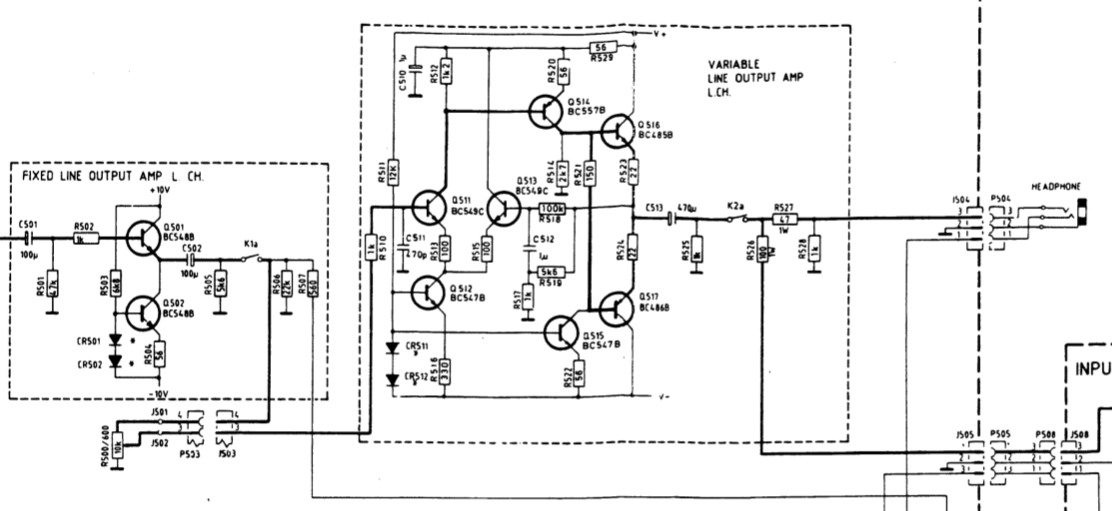
Очередной загадочный ушастик
повышенной дискретности |
||||
|
|
|
|||
Архив Форума Hi-Fi.ru
По 23-5-2020
Портал Hi-Fi.ru более не предоставляет возможностей и сервисов по общению пользователей
По 23-5-2020
Портал Hi-Fi.ru более не предоставляет возможностей и сервисов по общению пользователей
