| Цитата |
|---|
| name пишет: Звучит конечно здорово! |
| Цитата |
|---|
| name пишет: а чертежи можно попросить если есть |
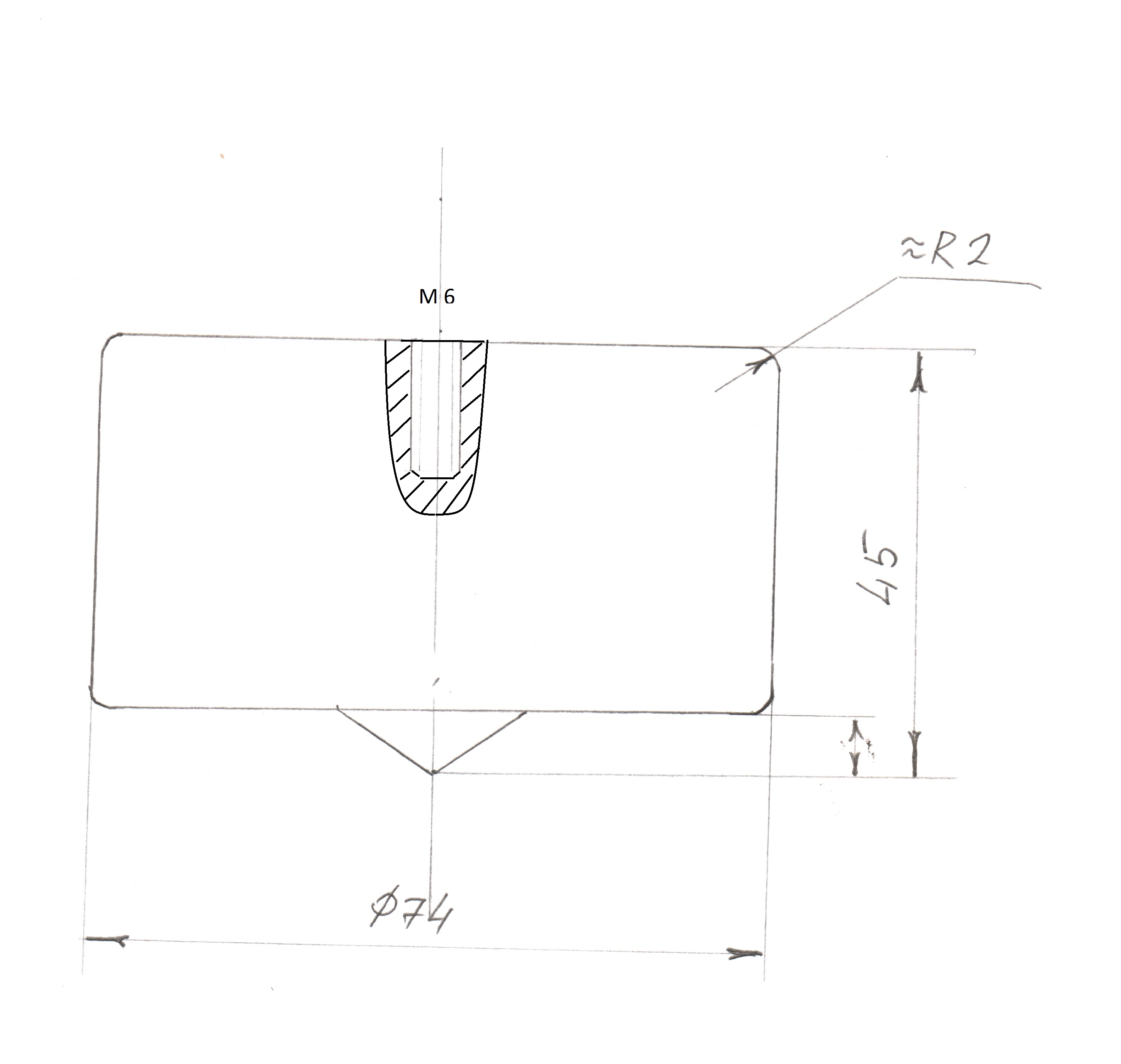
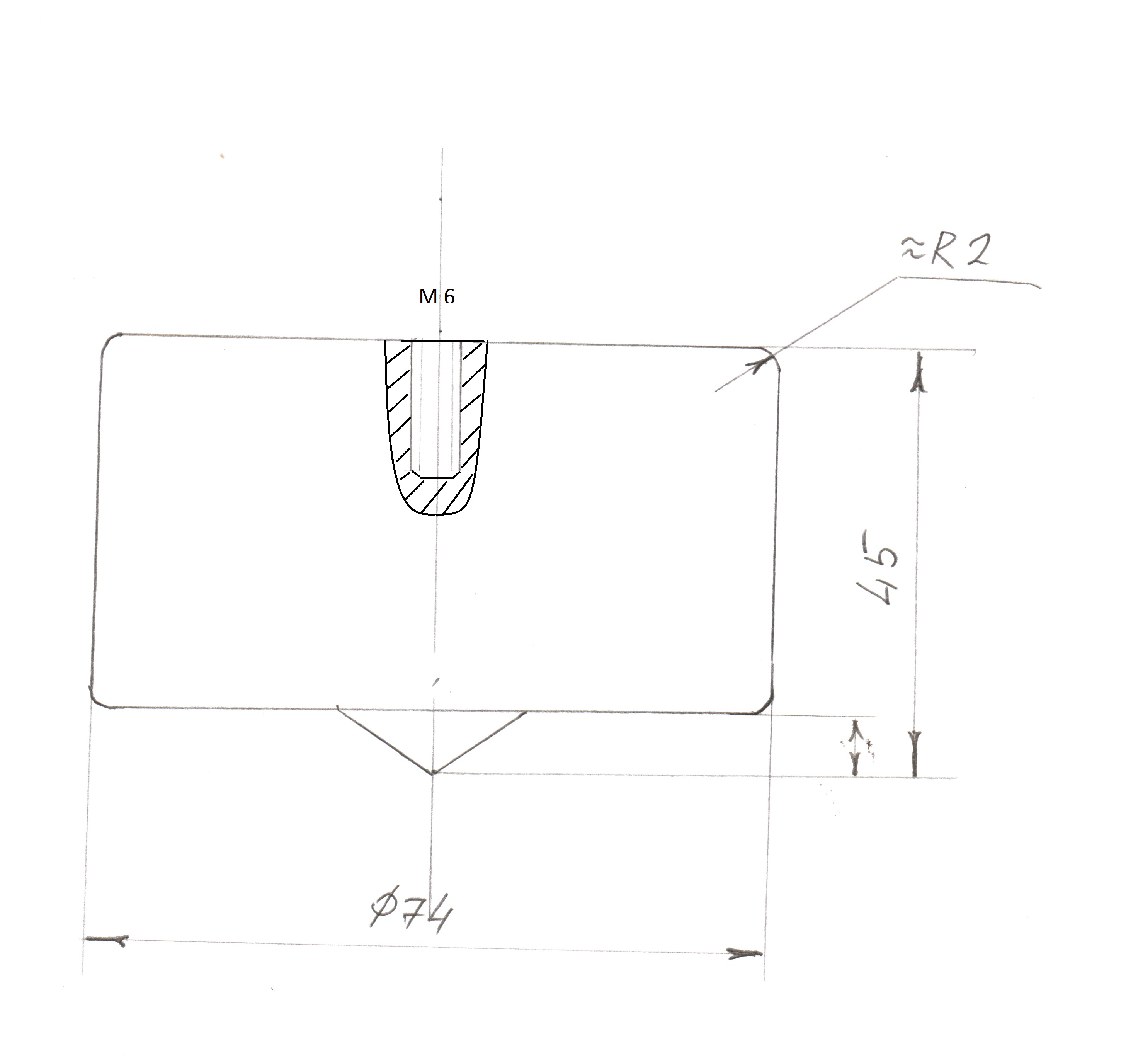
Ежели простой вариант, то выглядит так.
Общий диаметр ножек можно сделать чуть поменьше, например 70мм.
"Пятаки" толщиной где-то 2мм.
Резьбу на штифт, который ввинчивается в "ногу", нужно попросить сделать чуть-чуть побольше. Чтобы в корпус проигрывателя штифт входил туго и ножка не "болталась".
Вещий Олень:
Числилась как "модель 930 ST". Запомнилось по ST как Stanton. Но на самом деле ЕМT.
Числилась как "модель 930 ST". Запомнилось по ST как Stanton. Но на самом деле ЕМT.

