| Цитата |
|---|
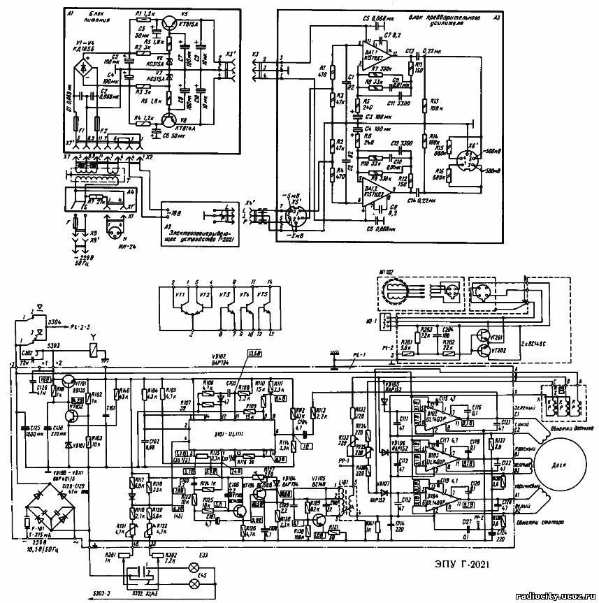
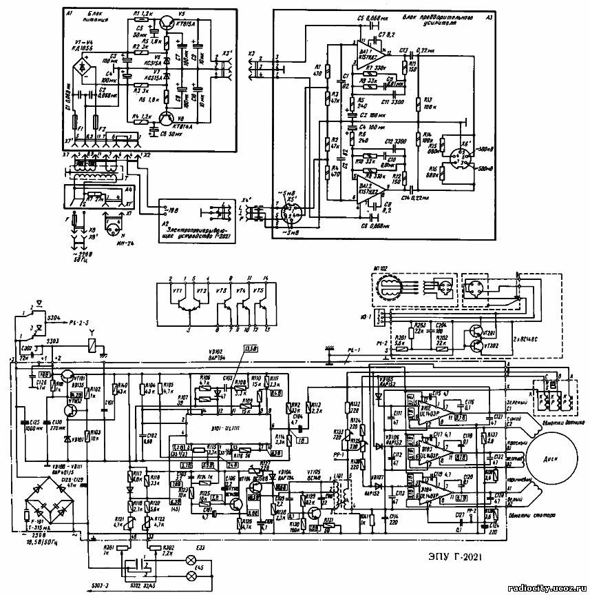
| Antoni написал: Сзади заглушка ,прямой выход и выход фонокорректора.Если заглушку вынуть с прямого выхода -вообще ничего не слышно с фонокорректоора.Если вставить -идет один канал с фонокорректора встроенного.очень приятный звук со старых пластинок. Почему пропадает сигнал и что со вторым каналом может быть?Спасибо |
Изменено: - 17-12-2015 05:12:17

Я например , не люблю как эти микросхемы , так и ламповый звук ....И не считаю - что это вершина в звукововой инженерии ....