Все доброго времени суток! Одному моему знакомому захотелось послушать коллекцию пластинок, собранную еще его родителями, но, как оказалось, слушать не на чем. Точнее, когда-то была радиола "Мелодия 104 стерео" от которой остался лишь проигрыватель пластинок. Я радиолюбитель и знакомый обратился ко мне. Я перепробовал, наверное, с десяток простых схем предварительных усилителей, но ни одна не дала результата: с головки слышна музыка, при подключении обычного усилителя еле слышно эту же музыку, при подключении через предусилитель - ничего. На сколько я понимаю, я не правильно подобрал предусилитель? Читал на форумах, что каждому типу иглы нужен свой. В моем случае установлена ГЗКУ-631РА игла алмазная. Прошу помощи со схемой подходящего предварительного усилителя. Желательно на транзисторах и по-проще. Или на распространенных ОУ, как новых, так и старых, советских. С винилом раньше дел не имел, сейчас все приходится узнавать на ходу.
Архив Форума Hi-Fi.ru
По 23-5-2020
Портал Hi-Fi.ru более не предоставляет возможностей и сервисов по общению пользователей
По 23-5-2020
Портал Hi-Fi.ru более не предоставляет возможностей и сервисов по общению пользователей
Предусилитель для проигрывателя пластинок от Мелодия 104, Помогите со схемой предварительного усилителя
|
17-04-2018 14:41:26
|
|
|
|
|
|
17-04-2018 16:14:31
Изменено: - 17-04-2018 16:14:52
|
|||
|
|
|
|
17-04-2018 16:18:14
|
|||
|
|
|
|
18-04-2018 00:00:57
Спасибо за ответ!
|
|||||
|
|
|
|
18-04-2018 02:20:06
|
|||
|
|
|
|
18-04-2018 03:26:01
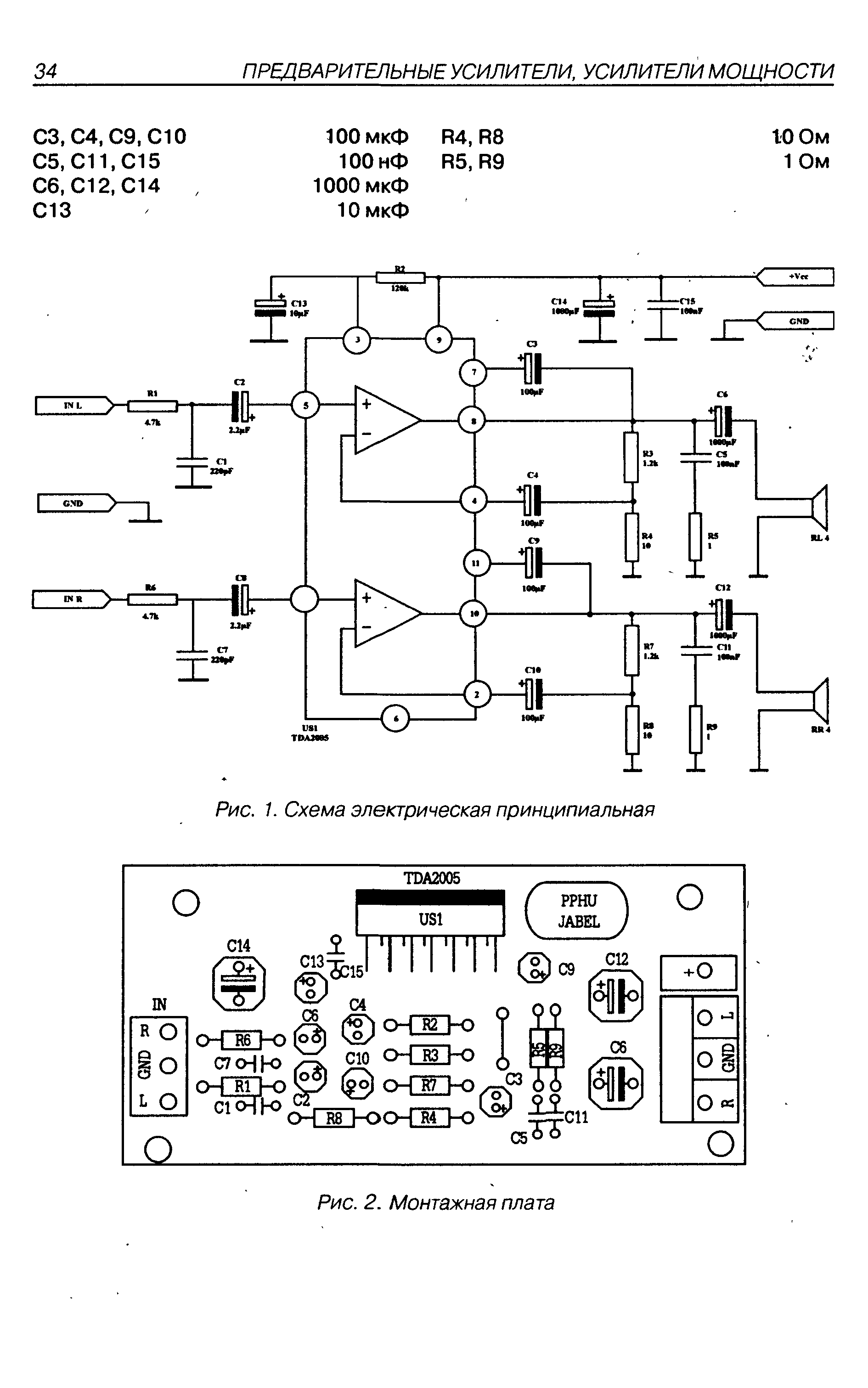
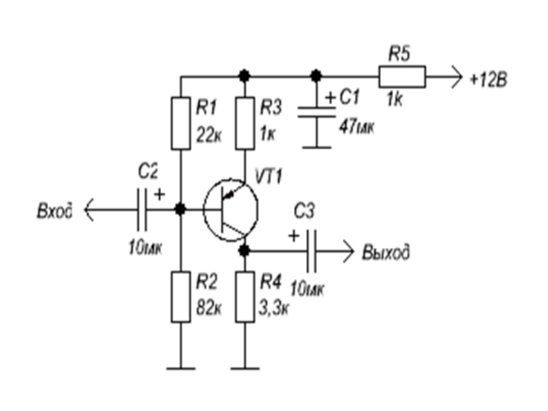
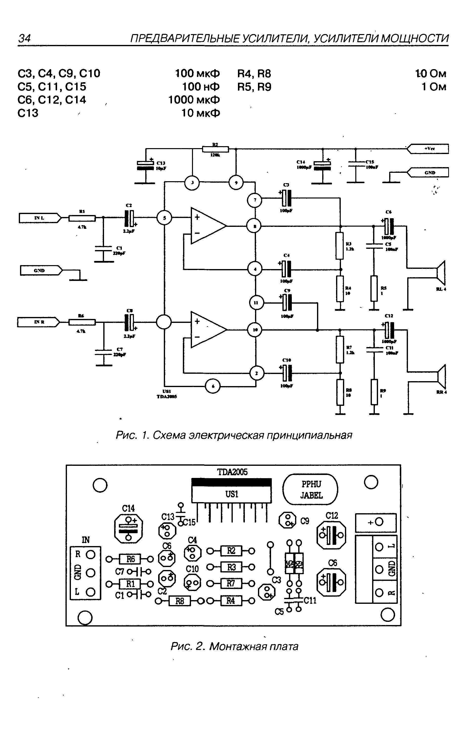
Вот вариант простого двух- канального усилителя мощности на ТДА 2005 ( к нему соответственно нужно собрать предусилитель ) .
|
|
|
|
|
|
18-04-2018 09:09:21
Огромное спасибо за разъяснения и схемы! Думаю собрать первую предложенную Вами схему. Позже отпишусь о результатах.
|
|
|
|
|
|
12-05-2018 12:30:48
|
||||
|
|
|
|||
Архив Форума Hi-Fi.ru
По 23-5-2020
Портал Hi-Fi.ru более не предоставляет возможностей и сервисов по общению пользователей
По 23-5-2020
Портал Hi-Fi.ru более не предоставляет возможностей и сервисов по общению пользователей
