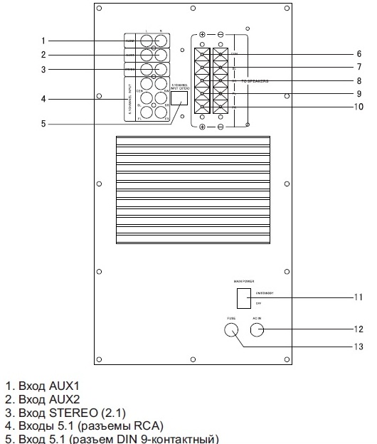
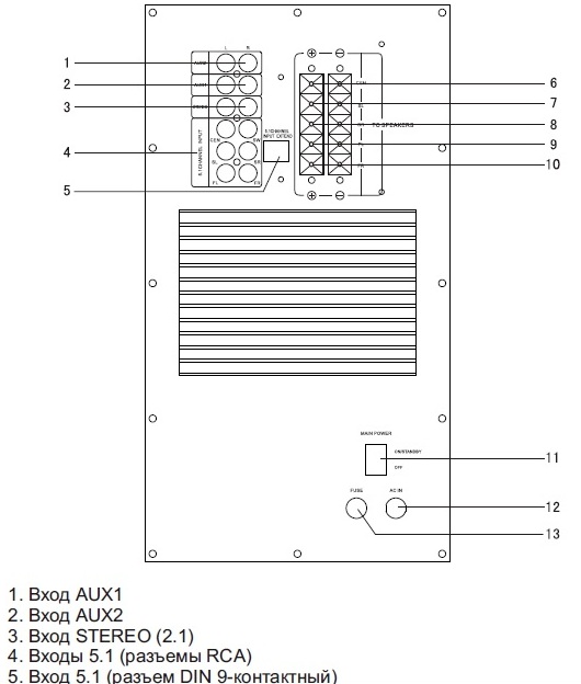
Не могу подключить многокомпонентную акустическую систему DIALOG JAZZ J-105CT к плазменной панели DAEWOO DPP-42A3V. Входы от J-105CT: 1. Вход AUX1 L/R, 2. Вход AUX2 L/R, 3. Вход STEREO (2.1) L/R, 4. Входы 5.1 (разъемы RCA) CEN/SW/SL/SR/FL/FR, 5. Вход 5.1 (разъем DIN 9-контактный). Разъемы DPP-42A3V: INPUT HDMI, PC AUDIO, PC (15 pin D-sub); COMPONENT A/V JACKS (Y, Pb/Cb, Pr/Cr, L, R); SCART, A/V INPUT/OUTPUT (AV1, AV2); DIGITAL AUDIO OPTICAL; AV3 (S-VIDEO, VIDEO, R-AUDIO-L).
Архив Форума Hi-Fi.ru
По 23-5-2020
Портал Hi-Fi.ru более не предоставляет возможностей и сервисов по общению пользователей
По 23-5-2020
Портал Hi-Fi.ru более не предоставляет возможностей и сервисов по общению пользователей
Подключение акустической системы к плазменной панели
|
17-12-2013 22:27:20
|
|
|
|
|
|
17-12-2013 22:43:49
|
|||
|
|
|
|
17-12-2013 22:46:39
Каким кабелем их вместе связать
|
|
|
|
|
|
17-12-2013 22:57:34
Вот изображения
|
|
|
|
|
|
18-12-2013 15:35:47
Понял все. А если не напрямую? Возможно есть какое-нибудь устройство? |
|||
|
|
|
|
18-12-2013 15:50:14
|
|||
|
|
|
|
18-12-2013 16:15:44
Оптический выход на ЦАП и затем на усилитель.
![]()
Изменено: - 18-12-2013 16:19:55
|
|
|
|
|
|
18-12-2013 17:02:53
|
|||||
|
|
|
|
19-12-2013 10:00:39
Какой внешний ЦАП или ресивер подойдет?
|
||||
|
|
|
|||
Архив Форума Hi-Fi.ru
По 23-5-2020
Портал Hi-Fi.ru более не предоставляет возможностей и сервисов по общению пользователей
По 23-5-2020
Портал Hi-Fi.ru более не предоставляет возможностей и сервисов по общению пользователей

