Приветствую форумчан.
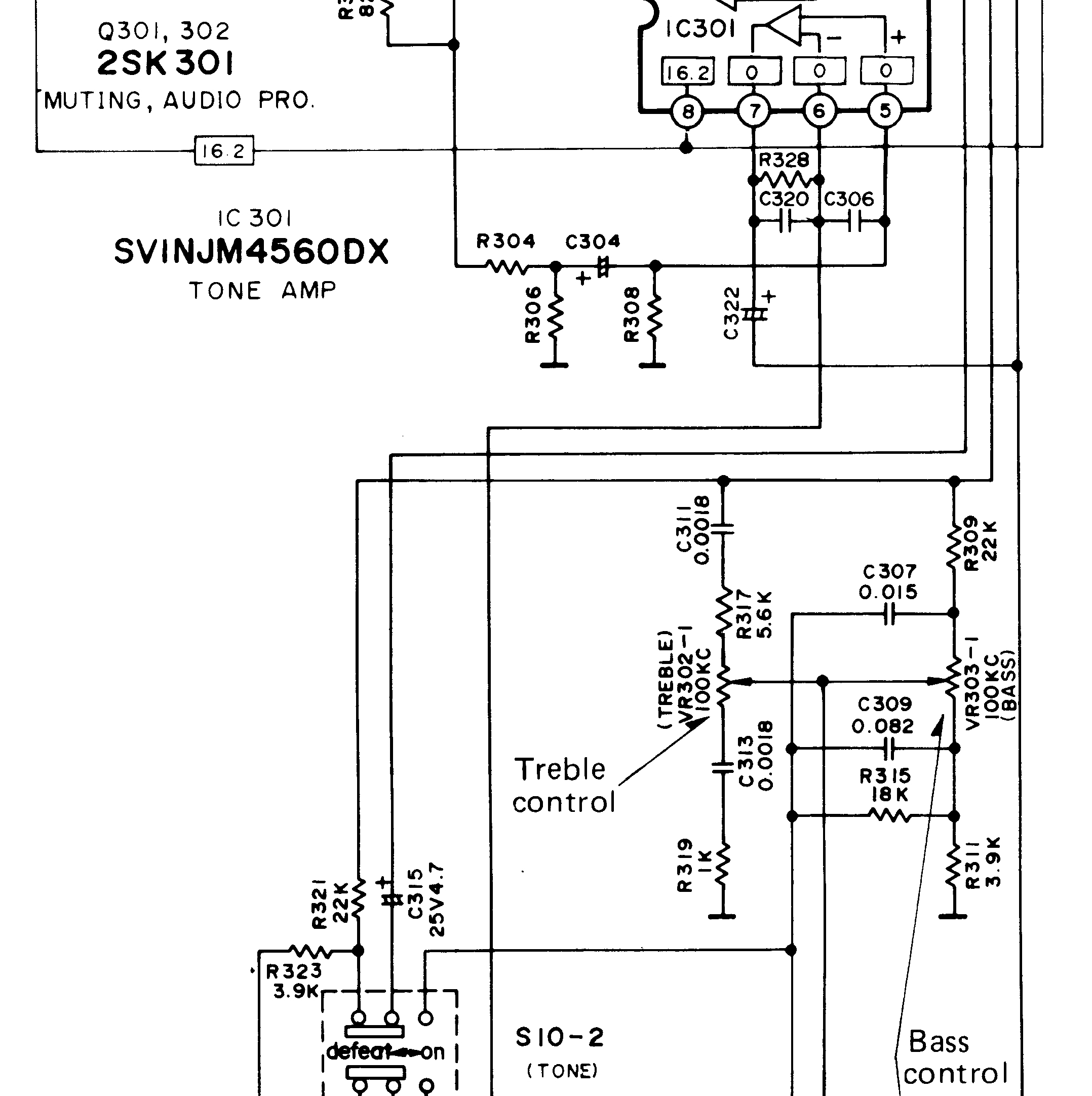
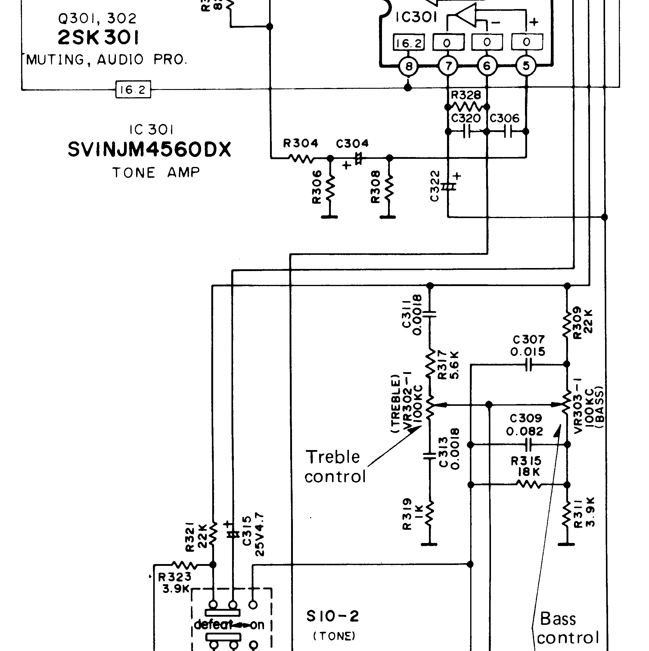
Я не силен в электронике, хотел бы задать вопрос. Имеется регулятор тембра в усилителе, хотел бы расширить диапазон регулировок. Базовый диапазон +/- 10Дб. Хотелось бы поднять до +/- 20. Заранее благодарю за помощь
Я не силен в электронике, хотел бы задать вопрос. Имеется регулятор тембра в усилителе, хотел бы расширить диапазон регулировок. Базовый диапазон +/- 10Дб. Хотелось бы поднять до +/- 20. Заранее благодарю за помощь
