Алексей пишет: Меня причина не интересует, сжег не я, мне интересно улучшить их в ту же стоимость что купить оригинальные динамики, можно купить динамики более л
наступать на грабли можно многоразово...
РОМАН_В пишет: Поломаться динамик может у любой колонки -------------------------------------
Eduard Arabadji пишет: заметил по жизни, что... -динамики у колонок, как-то... чашки, тарелки, вазы, хрусталь... -сами не ломаются! Их кто-то ломает!
Дорогие и уважаемые форумчане, и ежи с нами!
-любой динамик, у любой колонки, бытовой, профессиональной , можно запросто испортить, повредить, подшмалить, изговнякать и сжечь, -обыкновенным,бытовым, дорогим и не очень, даже не мощным, -неправильно работающим усилителем!
"Зри в корень!" \Козьма Прутков\
/ да известят в HI-FI & HI-END /
подробности скоро здесь:
Изменено: - 16-03-2017 22:48:06
Алексей
Пользователь
Сообщений:
09-04-2017 13:22:23
Где можно найти характеристики вч от этих колонок??? чем заменить родные вч?
Eduard Arabadji
Пользователь
Сообщений:
09-04-2017 14:02:55
Цитата
Алексей пишет: Где можно найти характеристики вч от этих колонок??? чем заменить родные вч?
про характеристики ВЧ излучателей и их замену, спросите у Анатолия Гаврилова. Что же касательно их замены, сначала отнесите усилитель к мастеру на диагностику, что бы вновь, не сжечь последующие ВЧ.
Алексей
Пользователь
Сообщений:
09-04-2017 14:44:51
У меня сейчас есть нч и сч драйверы от хеко викта 701, проклеил корпус, подбираю вч драйвер, но характеристики не знаю, сопротивление около 3-4 ом, думаю поставить vifa oc25sc65-04, сгорело не у меня, я акустику востонавливаю.
Алексей
Пользователь
Сообщений:
09-04-2017 14:45:45
Цитата
Eduard Arabadji пишет:
Цитата
Алексей пишет:
Где можно найти характеристики вч от этих колонок??? чем заменить родные вч?
про характеристики ВЧ излучателей и их замену, спросите у Анатолия Гаврилова.
Что же касательно их замены, сначала отнесите усилитель к мастеру на диагностику, что бы вновь, не сжечь последующие ВЧ.
Алексей
Пользователь
Сообщений:
09-04-2017 14:46:16
Как с ним списаться?
Eduard Arabadji
Пользователь
Сообщений:
10-04-2017 22:03:08
Цитата
Алексей пишет: Как с ним списаться?
попробуйте через личку (сообщения)
Алексей
Пользователь
Сообщений:
12-04-2017 10:07:59
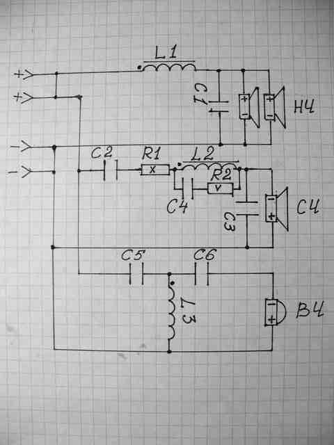
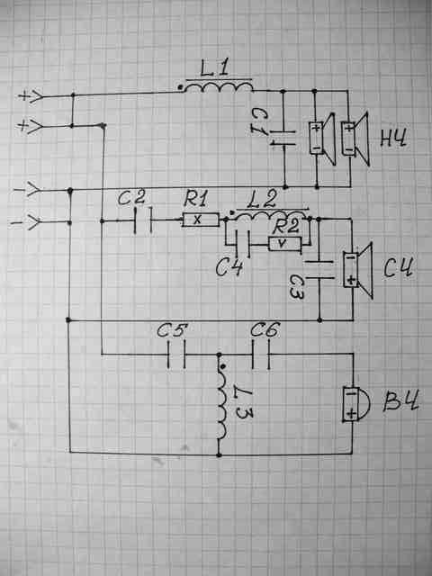
Нашел в просторах интернета, доработка victa 700 Выкладываю электрическую схему VICTA 700 рис.1. Все данные передал мне Wolf_V, ранее он выкладывал фото фильтра, схема платы рис.2 тоже его. Номиналы элементов: L1 – 3.3мГн; L2 – 0,82мГн; L- 0,18мГн C1 – 56мкФ; C2 - 33мкФ; C3 - 15мкФ; C4 – 0,82мкФ; C5 – 5,6мкФ; C6 - 10мкФ R1 – 0,56Ом; R2 – 10Ом Как видим из схемы, АС образована тремя НЧ, СЧ, ВЧ полосами. НЧ головка ограничена НЧ фильтром второго порядка (L1,C1) 12 Дб/окт с полиномом фильтра, адоптированным под конкретную головку без звена Цобеля. СЧ головка ограничена ВЧ фильтром первого порядка (C2) 6Дб/окт и фильтром второго порядка (L2,C3) 12 Дб/окт, адоптированным под конкретную головку без звена Цобеля. Резистор R1 снижает чувствительность СЧ головки на 1Дб. Уже знакомое нам, фазовращательное звено (C4, R2), для адаптации фильтра второго порядка к синфазному подключению. ВЧ головка ограничена ВЧ фильтром третьего порядка (C5, L3, C6) 18 Дб/окт с полиномом Баттервота. НЧ и СЧ головки подключены противофазно, для правильной фазировки СЧ и НЧ звена, т.е. второго и первого порядков. СЧ и ВЧ головки подключены синфазно. Точки стыков НЧ и СЧ 500Гц, СЧ и ВЧ 2800Гц. Схемотехника серии VICTA – это хорошо продуманные инженерные разработки, но, конечно же, не без недостатков. Часто видно, что мало уделяется времени на обкатку изделий, это VICTA 500, 200, а особенно 100, теория теорией, а практика не помешает. Экономят средства при разработке, это VICTA 700, тут, конечно же, подкачал первый порядок ВЧ фильтра СЧ звена. ВЧ фильтр первого порядка обычно вообще не рекомендуется использовать, т.к. спад крутизны ВЧ фильтра не достигает теоретического значения 6Дб/окт, а продолжает уменьшаться к основной резонансной частоте, нагружая головку и внося искажения. Да и само ассиметричное подключение второй – первый вносит искажения основного лепестка направленности фильра и разное время задержки сигнала в этих фильтрах. Второй же порядок подразумевает наличие еще одной катушки, а это дорого. Доработка: Варианта доработки два: первый без изменения схемы, второй с изменением первого порядка ВЧ фильтра СЧ звена на второй рис.3. Т.к. АЧХ в области среза фильтра достаточно гладкие, мною был применён фильтр Линквица-Райли второго порядка с гладкой АЧХ. На рис.4 схематическое изображение стыков НЧ и СЧ головок, с точками срезов и стыка, пунктиром обозначен второй порядок фильтра СЧ головки. Номиналы элементов доработки с изменённым порядком рис.3: C2 – 24мкФ; L4 – 2,2мГн, всё остальное без изменений. 1. Перепаиваем катушки индуктивности на плате фильтра так, что бы сигнал (+) входил на внутреннею обмотку катушки, а выходил с внешней (на схеме центр обмотки катушки отмечен точкой). Они могут стоять правильно, могут нет. 2. Меняем электролитические конденсаторы на полипропиленовые. Т.к. их три и довольно большого номинала, то можно поменять не все. Самый большой результат нам даст замена C2 (33мкФ), меньший C3 (15мкФ), и самый меньший C1 (56мкФ). 3. Для второго варианта переделки. a. Меняем местами R1 и C2. b. Заменяем C2 (33мкФ) на полипропиленовый (24мкФ) c. Вставляем катушку L4 (2,2мГн), как показано на схеме рис.3.
Изменено: - 12-04-2017 10:11:08
Алексей
Пользователь
Сообщений:
12-04-2017 10:14:27
Я инженер строитель, и в радиоэлектронике плохо понимаю, подскажите конденсатор 24мкф бывает? Не смог найти, есть 22 и 27мкф
Eduard Arabadji
Пользователь
Сообщений:
12-04-2017 11:15:34
Цитата
Алексей пишет: Я инженер строитель, и в радиоэлектронике плохо понимаю, подскажите конденсатор 24мкф бывает? Не смог найти, есть 22 и 27мкф
сложите как кирпичики: 22мкФ 1мкФ 1мкФ запараллельте выводы и получите нужные -24 мкФ