Архив Форума Hi-Fi.ru
По 23-5-2020
Портал Hi-Fi.ru более не предоставляет возможностей и сервисов по общению пользователей


Страницы: Пред. 1 ... 205 206 207 208 209 ... 719 След.

Усилители из Европы конца 60 начало 70.

 
 
Цитата
Михаил Ефимов пишет:
Справочники справочниками , а звук звуком и никогда им не сойтись .)
Теперь всё понятно.
Продолжайте дальше зажигать. :)
 
 
Цитата
Михаил Ефимов пишет:
Справочники справочниками , а звук звуком и никогда им не сойтись
при таком подходе - да. А, к примеру, Тесла все понимал по другому, у него условности были на приборах а модели в голове, да все неправильные с эфиром и информационными потоками. поэтому новые устройства и появлялись у него как из рога изобилия. А нашему чкеловеку в ВУЗе каленым железом в мозг вправляли, чтобы он молился на формулы и закорючки. Чтобы меньше всего думал о том что на самом деле происходит а больше зубрил. Это во всем мире так повелось годов с 40-х 50-х, мы не исключение, во всем мире еще хуже. Пострадало по известным причинам все, что связано с физикой. Я вот химии учился, у нас без моделей никуда было, а количественная сторона шла на втором месте как и положено. На формулы E=hv никто вожделеть до оргазма не заставлял :) Скажи бы я преподавателю по химии, что электронная вакансия в разорванной ковалентной связи условность, то то он бы меня порадовал :)
Господа, только без обид!
Aditum nocendi perfido praestat fides
 
 
В.Л. я навскидку глянул не вдаваясь в подробности .) Если бы нужно было реально подобрать , подобрал бы .)
 
 
Цитата
Semion Gtower пишет:
Я говорю, все равно что 5 вольт от батарейки с электролитом, от блока питания из розетки или от солнечной батареи. 5 вольт одинаковые, природа разная. Звук тоже будет разный. Так что мы вообще с вами на разных языках.
Аркадий,вы не обижайтесь,но если вы не видите разницы в источниках питания,которые характеризуются не только напряжением,но и другими параметрами - чё тогда дальше "тереть".
Конечно, звучать по разному будет - вы удивить меня хотели?
Цитата
Semion Gtower пишет:
Будем считать, для удобства, что я на дилетанском  А вы на единственно верном. Как научили по книжечкам подбирать детали так и делаете. Вот же ВАХ, частотка, чего еще надо? конденсаторы бери по меньшим ESR ESL, резисторы по меньшим шумам. Так оно все и идет с середины 70-х. Лучше и лучше.
Для удобства - слив засчитан,вопросов больше нет.
 
 
Мы должны , Семену , спасибо сказать , за то что он занимается осмыслением истории современной науки .) То , что подается , как развитие , открыто еще лет пятьдесят назад и никакого прогресса не видно . Я бы сам занялся , да меня больше историософия занимает и философия конкретно .)
 
 
Цитата
Владимир Леонов пишет:
,но если вы не видите разницы в источниках питания,которые характеризуются не только напряжением,но и другими параметрами - чё тогда дальше "тереть".
интересно, сначала придумали то, что я не говорил, потом это оспорили.  :o :)
Цитата
Владимир Леонов пишет:
Для удобства - слив засчитан
да как угодно ;)
Aditum nocendi perfido praestat fides
 
 
По теме вопроса: о применении комплементарных пар и симметричных схем в УНЧ - ответов "0".
P.S.Восклицания за ответ не принимаются. ;)
Изменено: Владимир Леонов - 19-04-2012 21:46:24
 
 
В.Л. это же очень объемная тема , вы же понимаете что в двух словах все не рассмотреть . Я исследовал , в свое время , все варианты ум с дифкаскадом , токовыми зеркалами и т.д. Без обратной связи искажения там , громадные . Если посмотреть осциллом то мы увидим - искажения в коллекторе первого транзистора дифкаскада вообще невозможно ничем убрать .) Поэтому там для повышения линейности ставятся источники тока и проч . Я бросил это дело ввиду бесперспективности .) У меня все эти открытия америки на вегалабе улыбку вызывают .
Изменено: Михаил Ефимов - 19-04-2012 22:17:00
 
 
;) а вот давайте отбросим объективные параметры, схемы, и т.д. и оглянёмся на редкие, редкие отзывы уважаемых на форуме людей (их все знают) про транзисторные усилители первой волны, которыми мы все восторгаемся........что же мы найдём в их впечатлениях? не затрудните себя.. ;)
 
 
Алекс , не мучайте себя , воображая невесть что .) Вот берем вылизанный до одурения усь в пио 1015 .) Там очень совершенный и продвинутый ум с термокомпенсацией прям в кристалле , что убирает тепловые искажения напрочь , выходной каскад раскачивается дополнительно по переменному току , что  делает его чрезвычайно линейным на маленьких уровнях . Вот ставим Лик Дельта 30 , разница в артикуляции на нч , вокал очень натуральный ... Ставим Дюал и слышим , что у Лик больше сибилянтов . Переключаем на пио и сразу выключаем , потому как слушать это нельзя имея Дюал .) Звук ничем таким особенно не отличается , но в пио , очевидно , звук очень замусорен и этот мусор не дает возможности что-то расслушать . По мере улучшения качества картинка как бы прочищается от мусора и у Дюала звук , в общем , студийного качества ; образцово - показательный .) Хотя , не сомневаюсь , есть аппараты и получше . Вот для сравнения схемы пио и лик стерео плюс . Вне всякого сомнения схема пио более совершенна , должна звучать очень хорошо и это видно по тех параметрам , но не звучит однако ! Почему ?
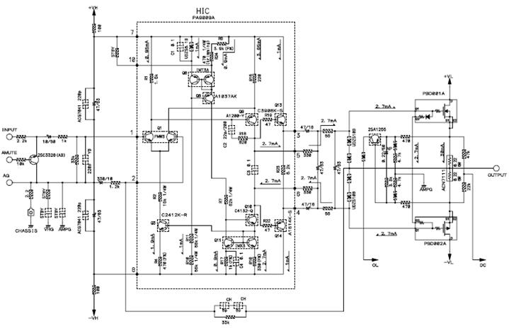
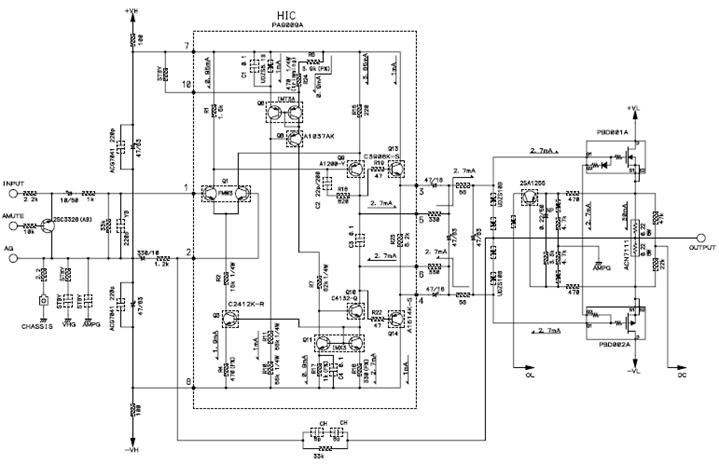
cctStereo30Plus.gif (206.83 КБ)
Изменено: Михаил Ефимов - 20-04-2012 00:26:02
Страницы: Пред. 1 ... 205 206 207 208 209 ... 719 След.
Архив Форума Hi-Fi.ru
По 23-5-2020
Портал Hi-Fi.ru более не предоставляет возможностей и сервисов по общению пользователей

1997—2026 © Hi-Fi.ru (Лицензионное соглашение)