| Цитата |
|---|
Alex Alexandrov пишет: Схема Tandberg 1040 1975 г. Здесь уже стоит защита АС. Но дифкаскад,и значит не музыкален? |
очень музыкален, но более ранним уступает, увы

Призрак того, что потом будут называть "транзисторным звуком" уже имеется.
| Цитата |
|---|
Михаил Ефимов пишет: Емкости нет в усилителях с дифкаскадом или симметричных . Усилители с такими схемными решениями появились в конце семидесятых и не отличаются музыкальностью . |
я бы добавил " по сравнению с предшественниками"
вообще, это страшная ересь

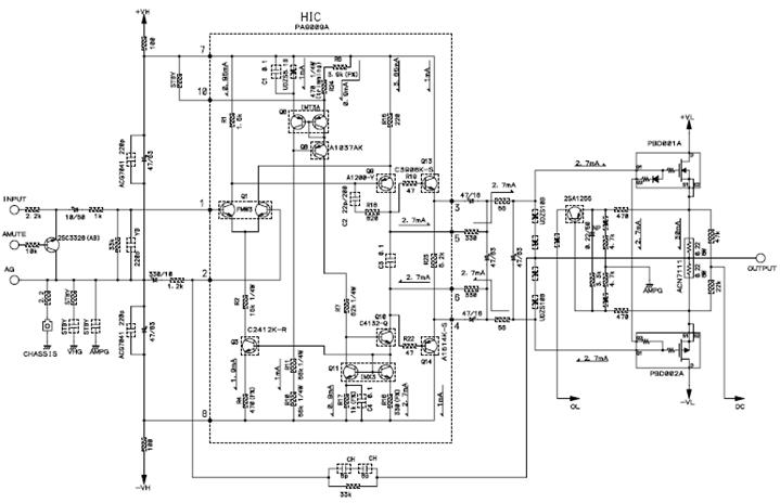
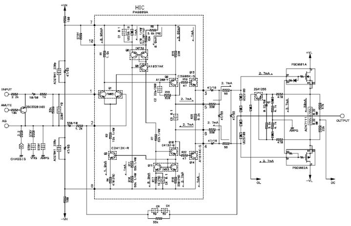
Другая ересь заключается в том, что если на выход вместо Рое или Дали будет поставлена Эльна, это тоже станет бедой. Равно как и вместо аутентичного трансформатора в фазоинверторе какого-нибудь Кертинга. будет стоять китайский с митино. Кстати о последнем. В УМе 2 транзистора на входе,трансформатор и два выходных, все германиевые. Настоящий хаенд

Искажения 0,2% в основном 2-я гармоника. Звук - лучше по-моему просто не бывает в принципе, не исключая и лампы ИМХО.