Архив Форума Hi-Fi.ru
По 23-5-2020
Портал Hi-Fi.ru более не предоставляет возможностей и сервисов по общению пользователей


Страницы: Пред. 1 2 3 4 5 ... 9 След.

Из какого материяла пищалки и их подвесы на Technics SB-7000, задубели подвесы малость, чем то может их можно размягчить?

 
 
Цитата
Анатолий Гаврилов пишет:
Цитата
Sergey Abramov пишет:
Там фильтр по вч навароченный
Да и плевать на него - там третьего порядка,скорее всего - выяснить,на какой частоте глючит проблемный пищ,потом будем дальше думать.

Кондеры меняли для проверки на аналогичные , равные по номиналу.4 мкф слишком мало
 
 
Цитата
Sergey Abramov пишет:
Кондеры меняли для проверки на аналогичные , равные по номиналу.4 мкф слишком мало
А я сказал - "Горбатый!" :D
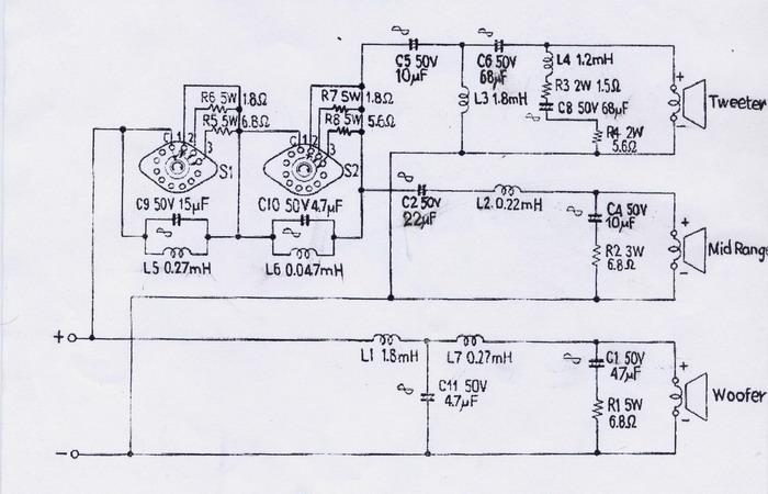
Вот схема этих Техниксов,можно сличить с оригиналом.На вч работают С5 и С6 - 10 и 68 мкф,фильтр третьего порядка с режектором.Средники идут первым порядком от 1.3 до 4 кгц,с цобелем.Вот с четырех кил и запускать пищ первым порядком,а это 4 мкф,обход можно кинуть на входной контакт переключателя.
WWW.SAGA-SIBIR.COM.

Благословляю АЧХ. Кручу взглядом фазу. Режу полосы без скальпеля.Привораживаю бас. Дорого.
 
 
Цитата
Анатолий Гаврилов пишет:
Цитата
Sergey Abramov пишет:
Кондеры меняли для проверки на аналогичные , равные по номиналу.4 мкф слишком мало
А я сказал - "Горбатый!"  
Вот схема этих Техниксов,можно сличить с оригиналом.На вч работают С5 и С6 - 10 и 68 мкф,фильтр третьего порядка с режектором.Средники идут первым порядком от 1.3 до 4 кгц,с цобелем.Вот с четырех кил и запускать пищ первым порядком,а это 4 мкф,обход можно кинуть на входной контакт переключателя.

Скажите пожалуста какие кондеры конкретно подсели по вч, я их просто заменю предположительно и проверю. на фото не видно номиналов наверное?
 
 
Да..интересный факст на фото видно что один кондер 2.2 микрофарада а на схеме такого нет..кстати на ебее продают филтр на 7000 техникс так он совсем другой чем мой.. видимо разные были..
 
 
А я по фото геморрой лечить не умею - это в "Таннои". Хотя вижу паленую ногу у С7. :D
Конкретные конденсаторы можно проследить по дорожке печатной платы - они стоят в цепи сигнала.Но в первую очередь надо убедиться в состоянии самой пищалки,т.е.то,что выше описано.
WWW.SAGA-SIBIR.COM.

Благословляю АЧХ. Кручу взглядом фазу. Режу полосы без скальпеля.Привораживаю бас. Дорого.
 
 
Цитата
Анатолий Гаврилов пишет:
А я по фото геморрой лечить не умею - это в "Таннои". Хотя вижу паленую ногу у С7.  
Конкретные конденсаторы можно проследить по дорожке печатной платы - они стоят в цепи сигнала.Но в первую очередь надо убедиться в состоянии самой пищалки,т.е.то,что выше описано.

Я все это понимаю, вытаскивал филтр с пищалкой , следили подключали , в вашей схеме нет кондера на 2.2 мкф  или есть? Если нет то схема от другой модификации. Тестили емкости на приборе, ставили не полярные для хайфай, бумажномасленные из СССР и полярные на свртречу друг другу(так можно из двух полярныз сделать один не полярный)
 
 
С7 это резистор, прозванивается - живой - видать давали нагрузку не слабую.
 
 
С11 у меня 2.2 микрофарада.. схема немного другая
 
 
Ну короче махну оба кондера, если ничего не изменится то пищалка виновата?
 
 
Цитата
Анатолий Гаврилов пишет:
Вот схема этих Техниксов,можно сличить с оригиналом.На вч работают С5 и С6 - 10 и 68 мкф,фильтр третьего порядка с режектором.Средники идут первым порядком от 1.3 до 4 кгц,с цобелем.В
мать честна! ну надо же такого наворотить. Зачем?
Aditum nocendi perfido praestat fides
Страницы: Пред. 1 2 3 4 5 ... 9 След.
Архив Форума Hi-Fi.ru
По 23-5-2020
Портал Hi-Fi.ru более не предоставляет возможностей и сервисов по общению пользователей

1997—2026 © Hi-Fi.ru (Лицензионное соглашение)