Архив Форума Hi-Fi.ru
По 23-5-2020
Портал Hi-Fi.ru более не предоставляет возможностей и сервисов по общению пользователей


Страницы: 1 2 3 4 След.

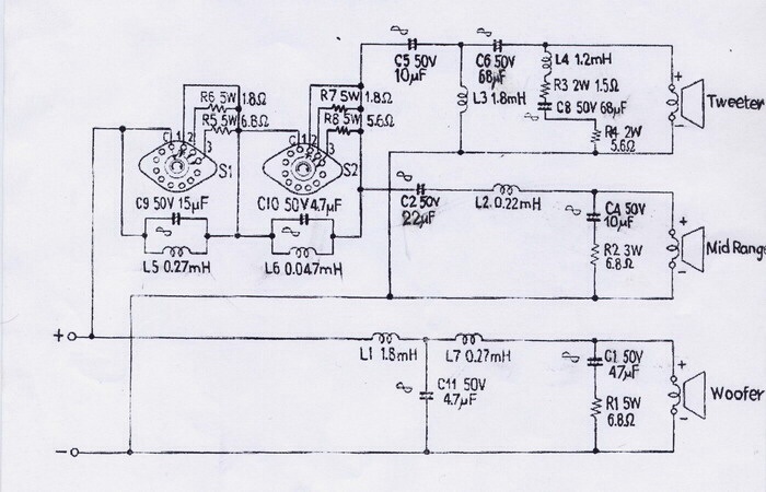
Кроссовер ТекниксSB7000, Если не трудно- порекомендуйте радиодетали для замены.

 
 
Уважаемые господа, прошу помощи.
На форуме неоднократно обсуждалась тема замены старых, потерявших свой номинал кондёров и прочих "резисторов". К сожалению, для профана, коим я являюсь- все темы заканчиваются неподъёмными тех.выкладками, спорами о "теплоте и прозрачности" звучания....
Ну то есть как чукча на Поле Чудес- все буквы отгадал, а слово- нет, не отгадал :cry:

Хочу проверить кроссоверы на своих 7000-ках, для чего  собираюсь реализовать советы, написанные здесь-
http://oldplayer.ru/forum/discussion/5/technics-sb-7000/p1
а именно-

"2. Схема очень качественная с точки зрения теории. На практике никуда не годится с такими комплектующими. Поэтому.
а) Меняем проходные электролитические конденсаторы (10 и 68 мкф) в сигнальной линии ВЧ. И это ОБЯЗАТЕЛЬНО. Контурные фильтры можно оставить как есть: хотя лучше заменить ферритовые катушки индуктивности на ЛЕНТОЧНЫЕ (я ставил все от Мундорф).
б) На фильтр СЧ также обязательно нужно сменить проходной электролитический конденсатор 22 мкф на полипропилен и ферритовую катушку 0,22 мГн на ленточную (или на худой конец - воздушную проволочную).
в) В фильтре НЧ необходимо сменить ВСЕ комплектующие на НОРМАЛЬНЫЕ: и лучше сделать это отдельным блоком с установкой его непосредственно в корпусе НЧ.  
г) Крайне важно избавиться от соединительных колодок и никуда негодных проводов разводки. На НЧ лучше поставить медную моножилу 6мм, а на СЧ и ВЧ серебряный кабель 6 мм. от Ван Дер Хул, припаяв все это в места демонтированных колодок. На переключателях можно оставить все как было.
д) Ну и, разумеется, заменить коннекторы на современные медные с серебряным покрытием (или позолоченные)."

Изготовить плату и распаять детали на ней я смогу, но, к сожалению уровень знаний элементной базы - ниже плинтуса :confuse:
Именно в этом месте нужна помощь-
Если не затруднит-перечислите подробно, списком- типы конденсаторов, резисторов и катушек, рекомендуемых для использования в данной схеме.
Очень хотелось-бы получить "рецепт" в двух вариантах- на деталях средней и низкой ценовой категории. Особенно подробно хочется прочесть про изготовление  индуктивностей без сердечников.
А если кто-то предложит выслать почтой весь набор деталей- буду рад оплатить услугу
Стесняюсь признаться,но покупать кондёр за сотку баксов- не буду...не потяну.
crossover.JPG (137.85 КБ)
Изменено: Podsh - 27-08-2015 08:39:06
Если всё идёт хорошо, значит ты чего-то не заметил.
 
 
Кстати, вот тут- САВСЕМ другой кросс изображён- хотя картинки из одной статьи.
Тут и катушка одна без сердечника и кондёры другие... еси етто кондёры, канешна
Если всё идёт хорошо, значит ты чего-то не заметил.
 
 
Цитата
Podsh  пишет:
Кстати, вот тут- САВСЕМ другой кросс изображён- хотя картинки из одной статьи. Тут и катушка одна без сердечника и кондёры другие... еси етто кондёры, канешна
Это твикнутый кросс.
Фото с японского аукциона, продавец - японская контора с сомнительной репутацией.
 
 
Цитата
Gosvit пишет:
контора с сомнительной репутацией.

Ну что-же, твикнуть всем охота...я вот тоже твикнул-бы, но заблудился напрочь во всяких полипропиленах, МБГО, керамике и прочих изысках по 50 баков за один кондёр.
А после обновления курса до 70 ваще херовастисто становится :o
Если всё идёт хорошо, значит ты чего-то не заметил.
 
 
Не парьтесь! Эти АС и с золотым кроссом не заиграют.
 
 
Цитата
Вася Вологодский пишет:
Не парьтесь! Эти АС и с золотым кроссом не заиграют.
Да они играют...Да и я не парюсь.
Я ответа по теме жду...
Если всё идёт хорошо, значит ты чего-то не заметил.
 
 
Цитата
Podsh  пишет:
Я ответа по теме жду...
Так ведь Вася сказал ответ,чего еще надо?
"В схемах не рублю..денег много нет..кондер от катухи не отличаю.." :D
Я спокойно ставлю наши МБГО-2 и не парюсь,а кто то апгрейдит ленточными катушками,проводом в 6мм и Дуелунгами,а потом остаток жизни вылавливает блох на тест-дисках.Каждый сходит с ума по-своему.
Если хоть немного соображаете,то сделайте ревизию паек на плате,проверьте и промойте  терминалы на плате и на головках,протяните крепления головок и включайте музыку.
WWW.SAGA-SIBIR.COM.

Благословляю АЧХ. Кручу взглядом фазу. Режу полосы без скальпеля.Привораживаю бас. Дорого.
 
 
Цитата
Анатолий Гаврилов пишет:
Так ведь Вася сказал ответ,чего еще надо?
"В схемах не рублю..денег много нет..кондер от катухи не отличаю.."  


1.Кондер от катушки отличить могу,детекторный приёмник собираю\разбираю как автомат Калашникова.  
2.Деньги есть- и мне мнится именно потому, что я их не трачу на "золотые кроссы" о которых ведёт речь Вася.
Вася сказал не то, о чём спрашивали, поэтому его ответ не засчитан.
А вот МБГО- это ответ из нужной оперы, спасибо.
А эти МБГО подвержены старению, как электролиты или етта "музыка будет вечной"? у меня есть их несколько кг., но вот возрастом- мы наверное, ровесники :scout:
Поскольку МБГО явно не влезут в плату- каким посоветуете проводом их припаивать- моножила медная или обычным многожильным?(ну мало-ли... мож тут тоже есть какой сакральный секрет)
Про 6мм золотую моножилу можно не советовать, тут я всё понял раньше Васи.

И ещё один вопрос- поскольку 68,47и 22 мкф будет смешно набирать из МБГО- присоветуйте заменитель равноценный по качеству, с ценником не более 500 руб за штуку.
Только про окрасы, лёгкость и тяжесть с размытостью по краям- не советуйте.
Все окрасы я лучче эквалайзером подкрашу, если скучно станет.
Изменено: Podsh - 27-08-2015 18:05:12
Если всё идёт хорошо, значит ты чего-то не заметил.
 
 
Вот тут один неравнодушный человек написал и выложил полезную статейку
http://interlavka.narod.ru/stats03/conder.htm
Я бы ему плюсанул :cheers:
Если всё идёт хорошо, значит ты чего-то не заметил.
 
 
http://www.klyachin.ru/forum/topic.php?forum=1&topic=1397&p=1
Если всё идёт хорошо, значит ты чего-то не заметил.
Страницы: 1 2 3 4 След.
Архив Форума Hi-Fi.ru
По 23-5-2020
Портал Hi-Fi.ru более не предоставляет возможностей и сервисов по общению пользователей

1997—2026 © Hi-Fi.ru (Лицензионное соглашение)