Архив Форума Hi-Fi.ru
По 23-5-2020
Портал Hi-Fi.ru более не предоставляет возможностей и сервисов по общению пользователей


Страницы: Пред. 1 ... 75 76 77 78 79 ... 92 След.

Onkyo PR-SC5507

 
 
1795-один из верхних цапов BB сделаный специально для обработки  многоканала
так как процессор верний-онкио  не стал экономить и поставил и 2 -по одному в каждом плече
1792-цап,способный обработать только 2 канала

и еще Тимур-личная к вам поставьте плюсик-если вас это не затруднит :)
 
 
Кол вам а не плюс. Изучите вопрос а потом пишите.

Не экономят они... да уж. :хu:
Изменено: Тимур Шейхов - 28-10-2013 01:28:18
 
 
В марте этого года,Тимур сделал твик моего процессора 5507,где он помимо прочего заменил микросхемы цапов с РСМ1795(32/192) на РСМ1792(24/192).По началу мне не понравилось звучание DSD,оно в сравнении с РСМ звучало по цифровому,отдавало цифровой сухостью,долго такой звук слушать не мог,через 30-50мин.наступала слуховая усталость.РСМ же звучал "аналового",без сухости,слушать его было гораздо приятнее.Я тогда решил проблему просто,перевёл на источнике(СА751),DSD конвертировать в РСМ.Конечно детальность снижалась, звучание "замыливалось"но тонально звук был теплее.Я грешил на микросхемы цапов РСМ1792,думал что именно РСМ маркировка микросхемы так ужасно работает с DSD.Но вот прошёл месяц нечастого прогрева и DSD-стерео(с битрейтом 5600кбс)преобразилось,ушла сухость и цифровость,SACD-DSD стерео стало реально приятно слушать,высокая детальность,нежные не колючие высокие,переключал в РСМ,запись"замыливалось",уже слушать так не хотелось.Но это в стерео,на многоканале(с битрейтом 2300кбс)всё ещё цифровая сухость была и я здесь предпочитал конвертировать в РСМ.Прошёл ещё месяц нечастого прогрева и это дало результат: звук стал как и на стерео тонально приятным.Почему прогрев наступил не одновременно не знаю.На РСМ записях недовольства сразу не было,наоборот гладкое музыкальное звучание.Бас: по началу мне показалось что баса стало меньше чем было,но послушав подольше я понял что у баса стало меньше искажений,он стал звучать линейнее что ли,без того грохота что я привык.Вобщем теперь твиком полностью доволен спасибо Тимур преобразил звук моего проца.
 
 
Я рад что теперь все встало на свои места. PCM маркировка совсем не причем.
Изменено: Тимур Шейхов - 05-11-2013 21:47:47
 
 
Тимур.Вызывает удивление у РСМ1795 заявлены крутые характеристики,одно 32бита чего стоит а стоимость её 800руб.А РСМ1792,24бита стоит в разы дороже 2500р.и ставят её как правило в дорогие аппараты это что значит,не смотреть на эти "волшебные"32/192?
И ещё,есть цап РСМ1792,а есть DSD1792,почему ты выбрал именно РСМ?
 
 
Потому что кроме PCM 1792 вместо PCM 1795 или PCM 1796 ничего впаять нельзя в плату цап онкио/интегра.
А характеристики реально лучше у PCM 1792. В даташите надо смотреть внимательно. И кому нужны эти 32 бит когда сам цап и 20 не  дает.
 
 
http://high-end-news.blogspot.ru/2013/11/simaudio-moon-cp-8-high-end.html?m=1
 
 
Сдаётся мне что не всё так просто у этого проца MOON CP-8.Слабо верится что Simaudio просто взяли и содрали схемотехнику у Denon и как есть выпустили на рынок.Наверняка проведена модернизация не говоря уже про более солидный корпус.
Если сравнить в лоб их звучание(подключив Denon как проц)сомневаюсь что звучание будет одинаково.
 
 
В 2808 там нечего улучшать. цап, рег громкости, питание все менять. легче новый собрать проц чем это крутить... я бы не брался.
 
 
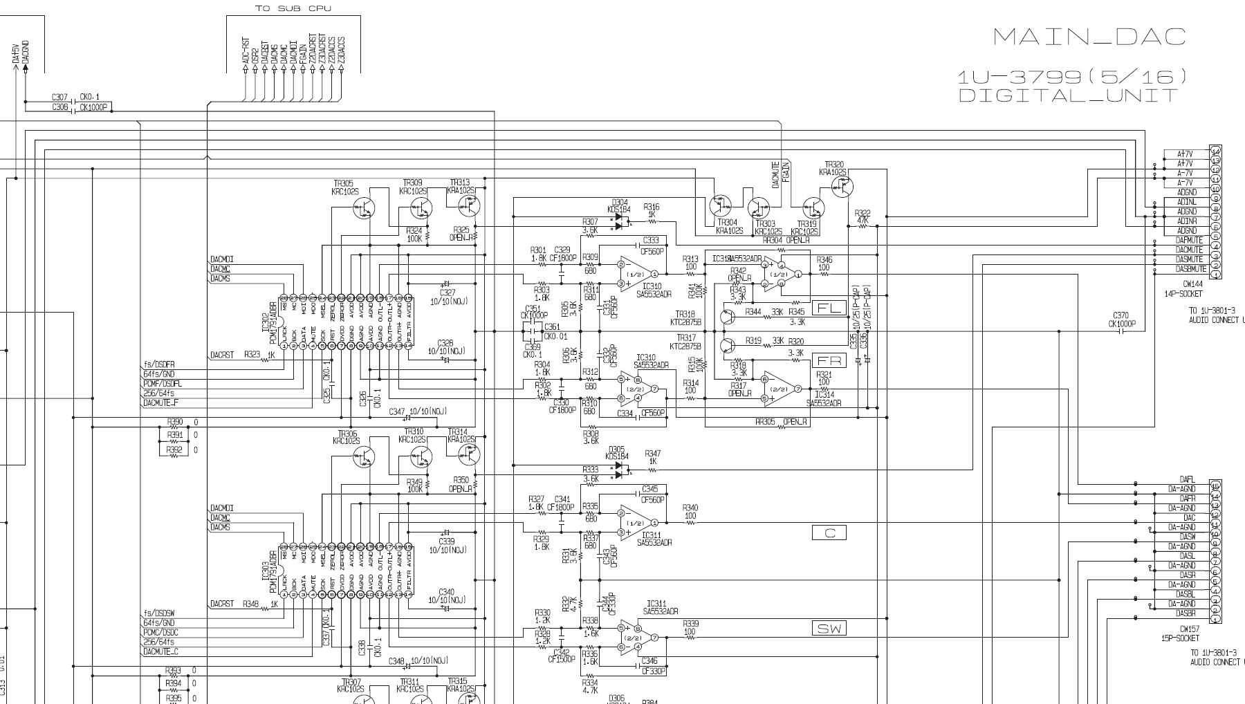
Коль речь зашла про Деноны можно и мне задать несколько вопросов? У меня ресивер Денон-3808,
в котором четыре цапа  PCM1791A, и в них уже встроены преобразователи i/u. На них мы повлиять не можем, можем повлиять на фильтр и неинвертирующий усилитель для фронтальных каналов, а также фильтра для остальных каналов.
Из этого списка операционников:
NE5532; LM4562; LME49720; LME49860; 2*LME49990; OPA2134; AD8066 остановился пока насвязке-
LME49720 в фильтре и два одинарных LME49990 в следующем усилителе для фронтальных каналов.
Также очень понравился AD8066 в фильтре, но получается меньше баса и звонковато, хочу ещё  AD8620 в фильтре попробовать.
У меня возникает такой вопрос, зачем в фронтальных каналах добавили ещё один усилитель, а в других каналах его нет? Может его исключить из фронтальных каналов?
Может какие другие операционники посоветуете попробовать.
Заранее спасибо за ответы.
PCM1791A.PNG (246.03 КБ)
Страницы: Пред. 1 ... 75 76 77 78 79 ... 92 След.
Архив Форума Hi-Fi.ru
По 23-5-2020
Портал Hi-Fi.ru более не предоставляет возможностей и сервисов по общению пользователей

1997—2026 © Hi-Fi.ru (Лицензионное соглашение)