Можно перемычку поставить если MUTE убрать. Не будет повышенного уровня.
Архив Форума Hi-Fi.ru
По 23-5-2020
Портал Hi-Fi.ru более не предоставляет возможностей и сервисов по общению пользователей
По 23-5-2020
Портал Hi-Fi.ru более не предоставляет возможностей и сервисов по общению пользователей
Onkyo PR-SC5507
|
07-12-2013 22:35:24
|
|
|
|
|
|
07-12-2013 22:42:49
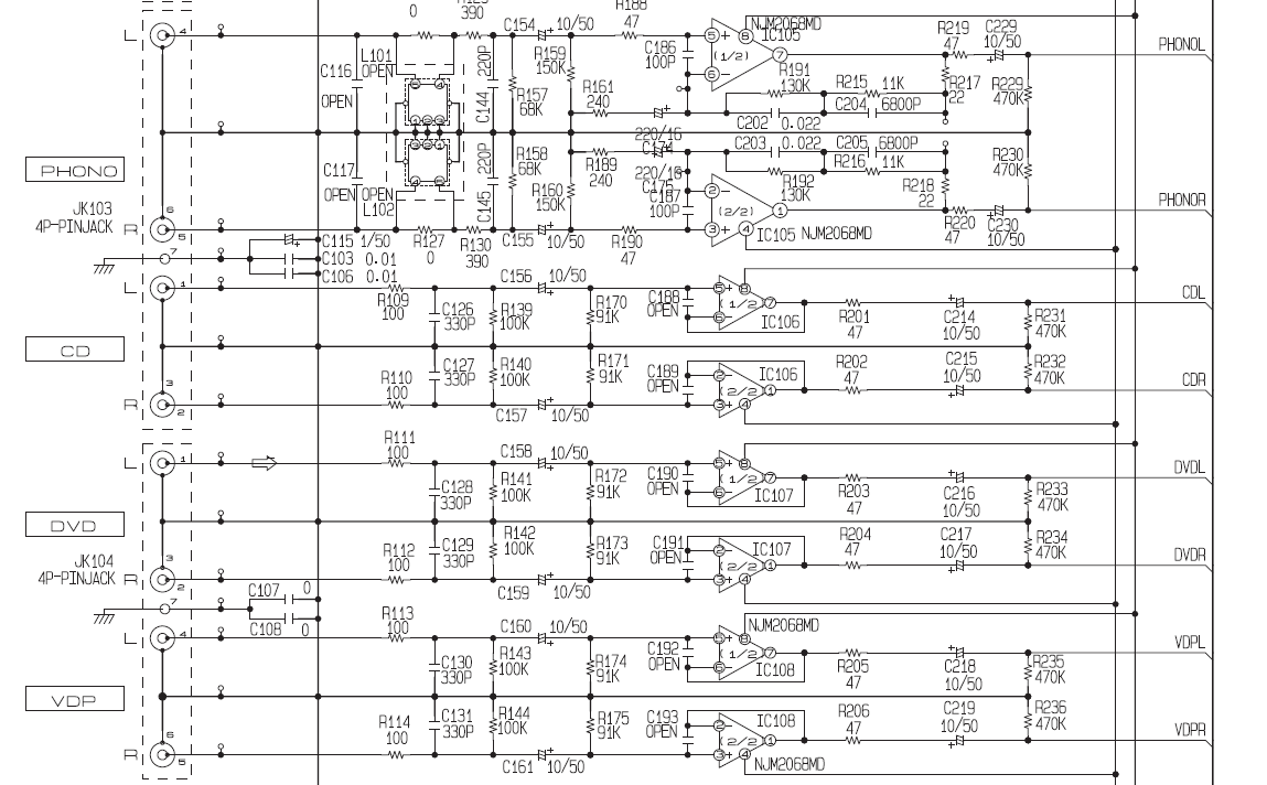
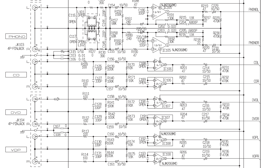
Подскажите, буферную микросхему NJM2068 на CD входе на какую оптимально заменить?
|
|
|
|
|
|
08-12-2013 09:03:54
Хорошо. Но лучше пишите в личку. Не будем ветку про Онкио захламлять Деноном.
|
|
|
|
|
|
04-01-2014 22:35:50
Если через меню выключить сабвуфер или же это можно сделать регулируя уровень сабвуфера, после -12db можно тоже выключить, то уровень громкости центральных каналов падает примерно в два раза. Тимур Шейхов, спасибо за помощь, заглядывайте в эту ветку |
|||
|
|
|
|
30-01-2014 05:27:01
Уважаемый Тимур! Подскажите пожалуйста как лучше сделать хотя бы твик 1 уровня для Onkyo 1010 какие ОУ лучше использовать в преобразователе и фильтрах, что изменить в обвязке, как убрать VLSC, Помогите советом?
![]() |
|
|
|
|
|
20-02-2014 23:52:42
Ну смотрите. Онкио 1010 апгрейдить посложнее чем Онкио 5009. Расположение элементов более хаотичное.
Рассказать как произвести апгрейд на форуме довольно сложно. Преобразователи в i/u можно не трогать, а в буфер поставить можно LME49720 или LME49722. Но! Надо будет пересчитать фильтр и заменить номиналы резисторов в буфере. А возможно и конденсаторы. Менять надо ОУ в буфере. который стоит до рег громкости, на LME49720 лучше. Менять электоролиты в цепи сигнала на перемычки. Я апгрейдил INTEGRA DTR-70.4 и Onkyo TX-NR5010. По простому варианту. Вполне достойно получается. |
|
|
|
|
|
09-03-2014 09:49:04
Всем привет!
Забрал у Тимура апгрейдженный INTEGRA 80.3 пока грею и нет возможности основательно потестить, но уже сейчас сходу могу расказать про заметную прибавку. Уже давно увлекаюсь стерео и именно стерео. До недавнего времени был противником многоканала и театра. Ныняшняя система PMC OB1i, мощник plinius sa-103, межблок Musical wire верхний, акустический кардас голден кросс, сеть карадас для мощника и fisch p3 для цапа. Источк компьютер с ЗК Juli@ с фубар и цап NAD М51. Вот цап я и решил поменять. Сначала была ломка, зачем брать не дешевый процессор для функции ЦАП, но учитывая удобства этого комбайна при хорошем качестве звука, не желею. Да и появилась идея собрать ДК к моему проектору в помощь. Про апгрейд в этой теме написано много, однако моя просьба по апгруду была в максимальном качестве стерео которое только реально получить от апгрейда проца. Привез включил, ощущение положительные. Сначала показалось плоско после прогретого NАD м51, но с детальностью значительно выше и более ровной частоткой. После 2-3 часового прогрева плоскость ушла, появилась фактура, объем и воздух. По ощущениям как будто процессор у меня всегда стоял. Так хорошо и нейтрально, при этом динамично, с хорошим динамическим диапозоном и чистотой. Я уже грешным делом подумал, "Блин, а где прирост звука который я хотел?", но все легко разрешилось когда я решил вернуть обратно ЦАП M51. Не думал, что ухудшения будут на столько заметными. Звук стал более плоским, верха более дискретнымии песочными, бас такой же глубины, но смазанный и без пальцев контрабасиста. Труба вообще ужастная. Короче говоря неплохой цап в своей цене NАD, Тимуровский процессор легко его переигрывает. Хорошим плюсом так же оказалось для меня наличие радио, прогрывания флешек и ipad. Иногда удобно и легко фоном включать. В ближейшее время еще погрею и напишу более полный отзыв. |
|
|
|
|
|
16-03-2014 12:00:27
Небольшой ОФФ. Продам проапгрейженный в прошлом году Тимуром ресивер Onkyo TX-NR5007. Дешево. pogostov@mail.ru
PS Продаю по причине не связанной с качеством звука, с этим все ок. Просто не нужен больше. PPS или рассмотрю обмен на апнутый процессор (5509 или 5510)
Изменено: - 18-03-2014 20:16:02
|
|
|
|
|
|
30-03-2014 17:46:40
Спасибо, хотелось бы поменять преобразователи I/U какие наиболее качественные ОУ лучше использовать? Стоит ли менять цап PCM1796 на PCM1792 в плане улучшения звука? |
||||
|
|
|
|||
Архив Форума Hi-Fi.ru
По 23-5-2020
Портал Hi-Fi.ru более не предоставляет возможностей и сервисов по общению пользователей
По 23-5-2020
Портал Hi-Fi.ru более не предоставляет возможностей и сервисов по общению пользователей


