i/u менять как раз не надо. нужно заменить ОУ в буфере. И удалить ОУ VLSC. Цапы заменить можно. Некоторый прирост дает.
Архив Форума Hi-Fi.ru
По 23-5-2020
Портал Hi-Fi.ru более не предоставляет возможностей и сервисов по общению пользователей
По 23-5-2020
Портал Hi-Fi.ru более не предоставляет возможностей и сервисов по общению пользователей
Onkyo PR-SC5507
|
05-04-2014 23:22:14
|
|
|
|
|
|
09-04-2014 10:28:27
i/u нет смысла менять если не переделываете все. не услышите.
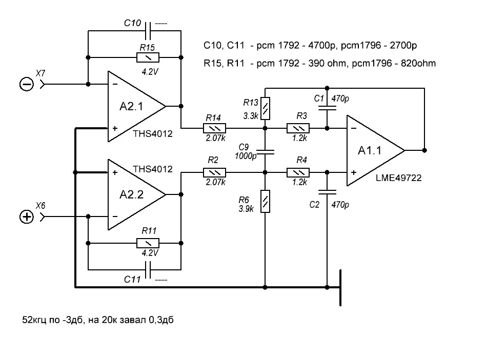
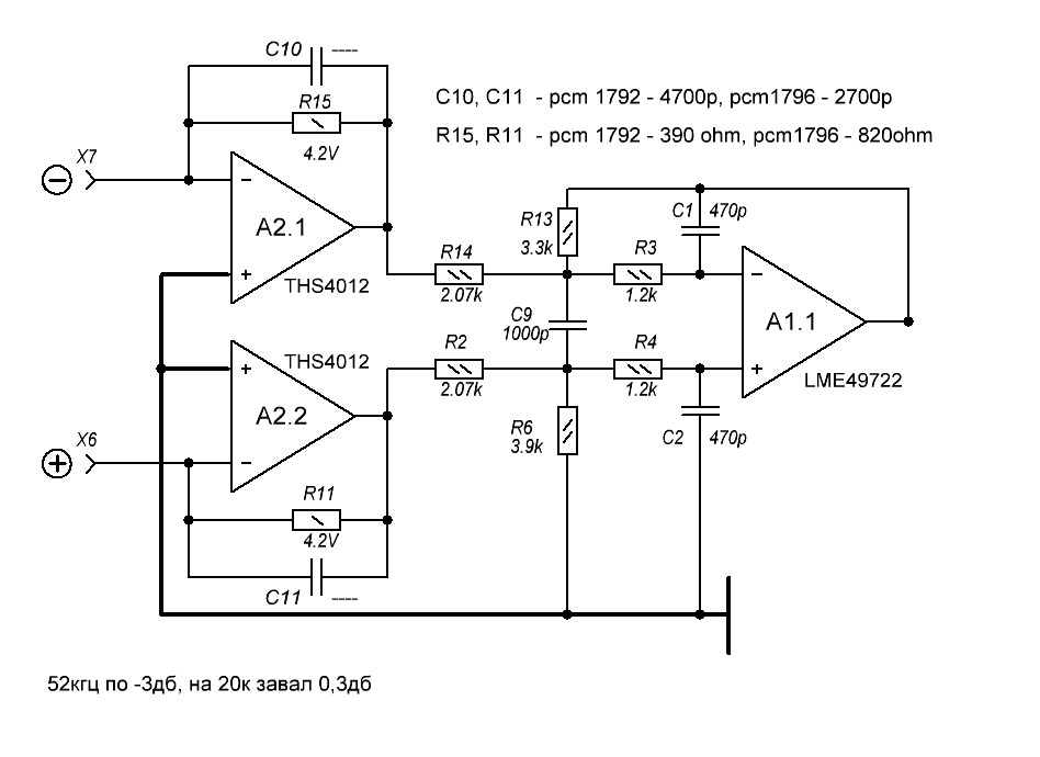
эта схема не очень. родной фильтр онкио. просто под pcm1792. |
|
|
|
|
|
09-04-2014 13:39:21
Поделитесь схемой если не жалко, в интернете нет специалистов вашего уровня с такими знаниями и опытом?
|
|
|
|
|
|
09-04-2014 14:34:36
Почему нет. Хватает специалистов. Но именно по онкио и интегра думаю нет.
Можно так. Но i/u может генерить. лучше оставить родной.
Изменено: - 09-04-2014 14:35:34
|
|
|
|
|
|
09-04-2014 23:22:04
Большое спасибо Тимур,мелкие ошибки,видимо торопились, но все понятно кроме R6-3,3 или R13-3,9? Это ваша последняя разработка?
|
|
|
|
|
|
09-04-2014 23:36:50
Не старая.
3,9. |
|
|
|
|
|
10-04-2014 00:32:31
Еще раз большое спасибо, выкладывайте ваши новые разработки для обсуждения, в споре рождается истина
|
|
|
|
|
|
25-04-2014 11:25:13
Добрый день всем. Пожалуйста помогите с советом, кто пользуется процессорами от ONKYO на днях ожидаю приезд из японии новый процессор ONKYO 5508. Кто-нибудь встречал у них проблемы с перегревом платы и отваливанием чипа DSP.У самого есть ресивер onkyo 3007, и вот спустя 3 года эксплуатации у него отвалился чип процессора DSP, пришлось перепаивать. Я так думаю, что усилительной части в проце нет, соответственно греться должен поменьше. Или сразу прикупить систему охлаждения от видеокарты и замутить как я делал на своем ресивере 3007 описанном с фотами выше.
|
|
|
|
|
|
25-04-2014 14:16:57
Проблем у 5508 нет. у 7 серии платы hdmi другие. не горят. да и процессоры 5507 редко.
Но лучше заведите новую ветку с вопросом чтоб тут не захламлять. |
||||
|
|
|
|||
Архив Форума Hi-Fi.ru
По 23-5-2020
Портал Hi-Fi.ru более не предоставляет возможностей и сервисов по общению пользователей
По 23-5-2020
Портал Hi-Fi.ru более не предоставляет возможностей и сервисов по общению пользователей

