Архив Форума Hi-Fi.ru
По 23-5-2020
Портал Hi-Fi.ru более не предоставляет возможностей и сервисов по общению пользователей


Страницы: Пред. 1 ... 551 552 553 554 555 ... 670 След.

Деки NAKAMICHI, настройка и обсуждение.

 
 
И то будет не совсем синхронно из-за разного порога у каждого светодиода и
разброса в резистивной матрице внутри каждого драйвера
 
 
Я понял Магнитофоныч. Поколупаюсь отпишусь.
Визуально ПАМ - это болтанка стрелки на ВЧ 12-18 кГц на милливольтметре так? Плюс минус сколько в Дб можно считать нормой для 300 го Нака? На той же частоте к примеру 15кГц.
 
 
Цитата
Vitalik1972 Слепченко написал:
Визуально ПАМ - это болтанка стрелки на ВЧ 12-18 кГц на милливольтметре так? Плюс минус сколько в Дб можно считать нормой для 300 го Нака? На той же частоте к примеру 15кГц.
Да, это колебания уровня на выходе деки. 12% это 1дБ. Такая величина вполне приемлема.
Но у большинства дек просадка может быть значительно больше. Кратковременная просадка может быть вдвое (50%) и больше. Кратковременную просадку хорошо видно осциллографом на развертке 10-20мс.
 
 
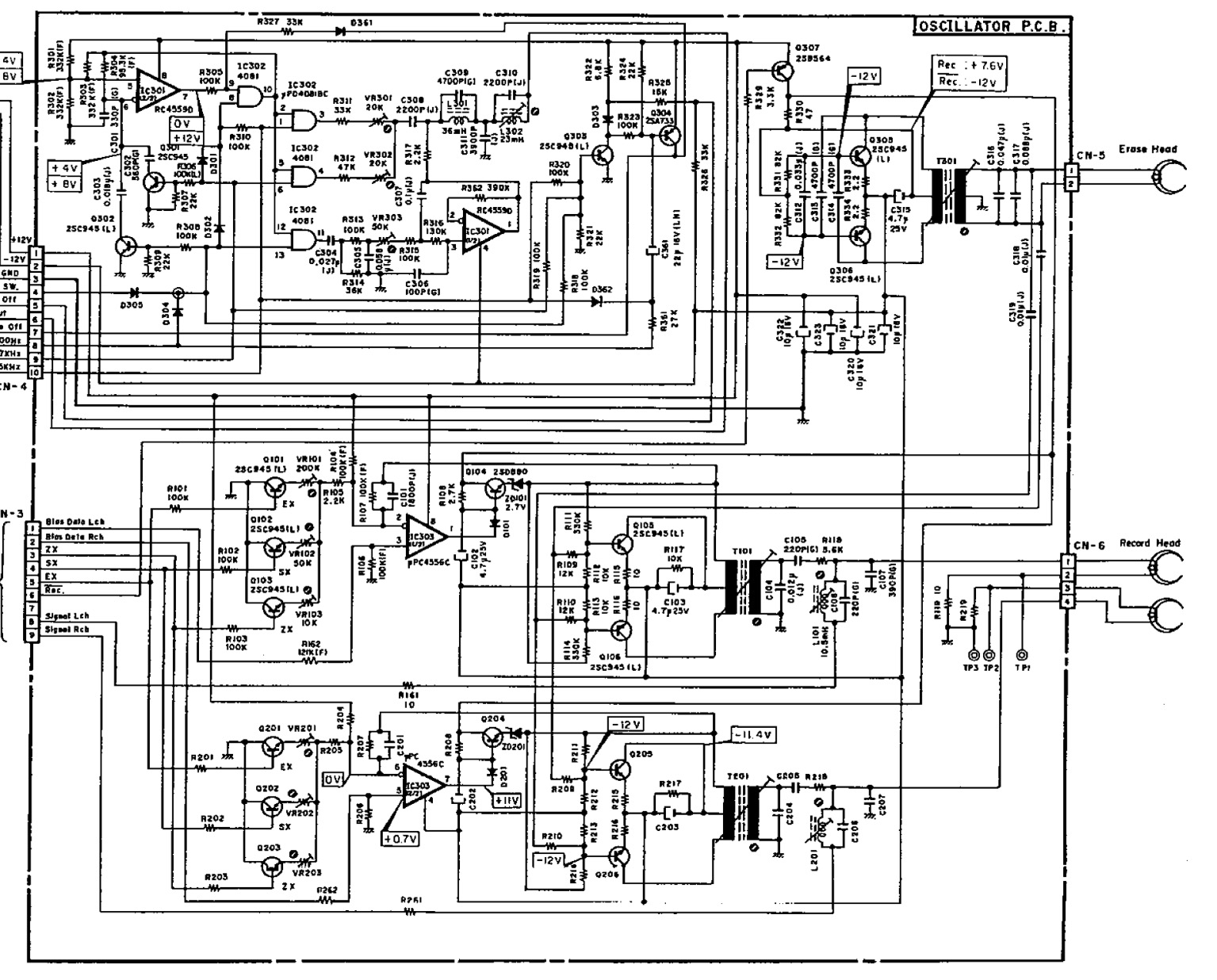
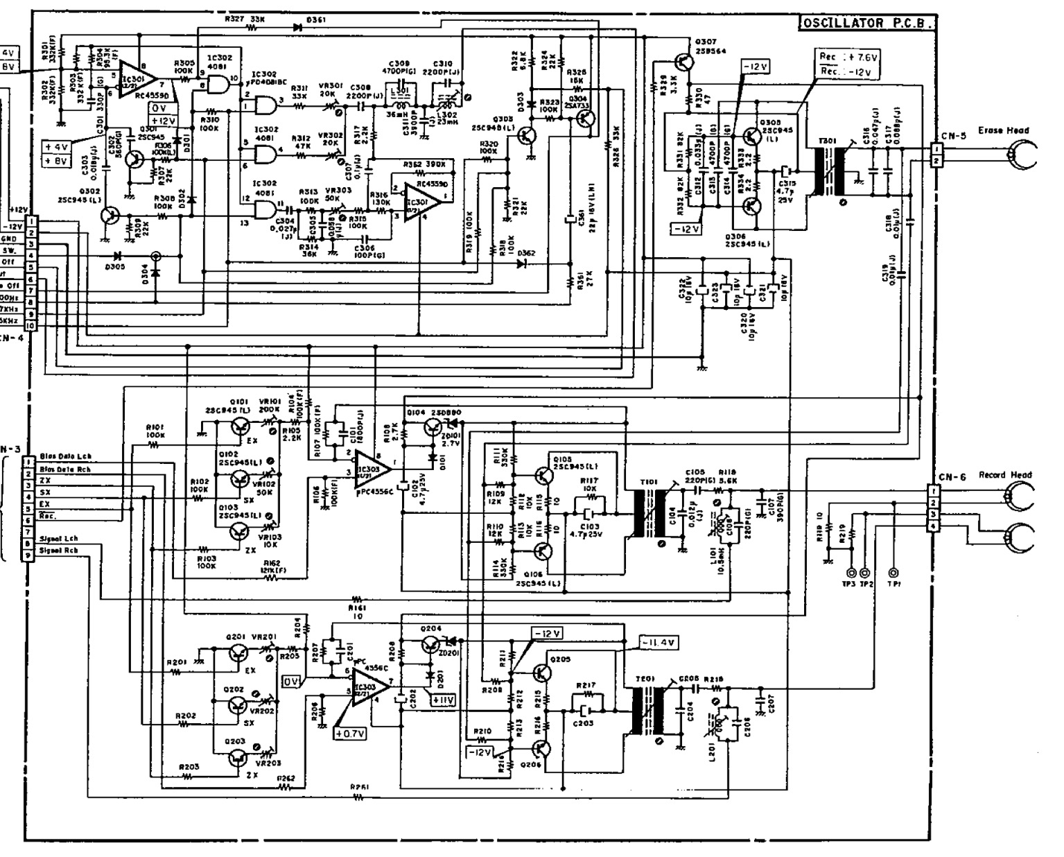
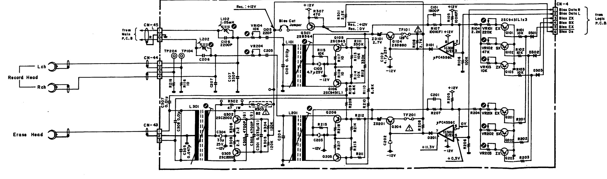
Косячок тут нашел на схеме у довольно уважаемого мафона 700ZXL
В блоке ГСП - Коллекторы Q105/Q106 и Q205/Q206 на схеме подключены не симметрично
В реальности на плате - все нормально - как надо. А мы тут молимся на наки ...  :D

Первая фотка - схема 700ZXL с косяком
Вторая фотка - схема CR-7 для сравнения как должно быть
image.jpeg (472.24 КБ)
image.jpeg (304.75 КБ)
 
 
Цитата
Магнитофоныч  пишет:
Косячок тут нашел на схеме у довольно уважаемого мафона 700ZXL
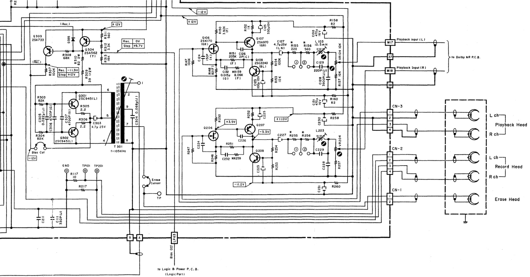
Ну в ЗХ-9 стирающая головка на схеме вообще на земле сидит, обоими концами. :D
Но все понимают что это косяк-опечатка. А вот в мануалах на акаи... ;)
 
 
Обеими концами она не сидит, Олег
Там перепутан экран и сигнальный на схеме
image.jpeg (372.44 КБ)
Изменено: Магнитофоныч - 09-02-2016 13:20:53
 
 
http://www.ebay.com/itm/280399440848?_trksid=p11400.c100368.m3767&_trkparms=aid%3D333008%26algo%3DRIC.MBE%26ao%3D1%26asc%3D20150120121922%26meid%3D29d0732783384bd­1adb5f3c7cfc752a7%26pid%3D100368%26rk%3D2%26rkt%3D8%26mehot%­3Dpp%26sd%3D231840005115

Интересный лот.
 
 
Цитата
Максим  пишет:
Интересный лот.

На кривых "булках" с не понятной плёнкой?...
Он хоть бы на качественных фирменных записал бы  :хu:
 
 
Не ведитесь на это г...но! Абсолютное дерьмо, не имеющее ничего общего с тестовыми кассетами. Ни азимут ни уровень не совпадают с TEAC или A-Bex. Выброшенные деньги :evil:
 
 
Цитата
Алексей Иванов пишет:
Не ведитесь на это г...но!
+1 Кроме как скорость настроить, больше не на что не годятся, Я покупал у него.
作りましょう!
Страницы: Пред. 1 ... 551 552 553 554 555 ... 670 След.
Архив Форума Hi-Fi.ru
По 23-5-2020
Портал Hi-Fi.ru более не предоставляет возможностей и сервисов по общению пользователей

1997—2026 © Hi-Fi.ru (Лицензионное соглашение)