| Цитата |
|---|
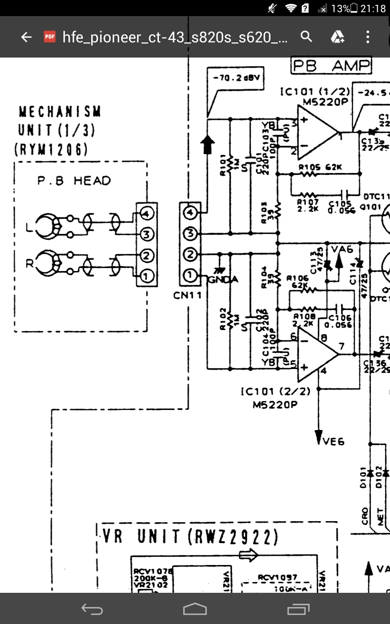
| Синхрофазатрон пишет: Для подбора сопротивления чтоб лишний раз не паять и не снимать плату, удобно просто воткнуть подстроечники в отверстия штекера от головок. Идентичность каналов получаетца однако с довольно разными значениями сопротивления в каналах. |
Архив Форума Hi-Fi.ru
По 23-5-2020
Портал Hi-Fi.ru более не предоставляет возможностей и сервисов по общению пользователей
По 23-5-2020
Портал Hi-Fi.ru более не предоставляет возможностей и сервисов по общению пользователей
Касетная дека Pioneer CT-737, Стоит ли покупать Pioneer CT-737
|
10-07-2016 20:56:41
27ком заводской стандарт, с падением 2 дб с 12 к, я предпочитаю подьем, 270р с 100к, очень приятная сочная яркость, все детали слышно, реально слышно где какая лента где sa, где sa x, где ma, а c 27 ком, что метал что хром все глухо звучит, хочется аппарат выбросить и нак включить
|
|
|
|
|
|
10-07-2016 21:04:14
Пускай не линия, но лучше подьем чем завал, я сам себе не противоречу,как может заметить Фозатроныч, но в деке всегда надо чем то жервовать, главное чтоб до 10 к была линия, а дальше лучше меньшее зло, подьем, чем завал, или на какой хер нужны кассеты по 1500 р чтоб глухату слушать.
|
|
|
|
|
|
10-07-2016 21:09:43
Я когда то ёмкость удалял, без неё завал 18кГц был -7дБ. Про величину сопротивление я имею ввиду то что измерял полностью собраную деку с подключеными головками к разьёмоам и щупами тыкал в разьёмы для голов. С родными головами полностью стоковая дека, С кеноном 270Р вместо стоковых 220Р, и добавлены шунтирующие резюки, в районе 50-70кОм для разных каналов. Измерял сопртивление со всеми этими деталями, полностью всё подключенное.
Может я просто привык к звуку дек где головки уже поношены, и ровная ачх мне кажетца слащавой.
Наличие только диплома = наличию водительского удостоверения у "блондинки". :D
|
|
|
|
|
|
10-07-2016 21:16:28
Наличие только диплома = наличию водительского удостоверения у "блондинки". :D
|
|||
|
|
|
|
10-07-2016 21:21:37
Мерил в точках 1-2, 3-4 с описанным выше.
Наличие только диплома = наличию водительского удостоверения у "блондинки". :D
|
|
|
|
|
|
11-07-2016 06:56:19
|
|||
|
|
|
|
11-07-2016 07:25:57
|
|||
|
|
|
|
11-07-2016 11:34:03
Но ввиду резонанса (из-за емкости в 220-330пф) оно в несколько раз больше. Типовое значение у меня получалось примерно 68кОм (плюс -минус несколько килоом). При этом на крайних ВЧ (18-20кГц) имеется небольшой подъем до +2..3дБ, а до 10кГц - строго ровно. |
|||
|
|
|
|
14-07-2016 09:50:16
Я писал не про сопротивление самой головки, а общее со всеми деталями УВ, так как мерил подключенную головку к плате.
Наличие только диплома = наличию водительского удостоверения у "блондинки". :D
|
||||
|
|
|
|||
Архив Форума Hi-Fi.ru
По 23-5-2020
Портал Hi-Fi.ru более не предоставляет возможностей и сервисов по общению пользователей
По 23-5-2020
Портал Hi-Fi.ru более не предоставляет возможностей и сервисов по общению пользователей
