Архив Форума Hi-Fi.ru
По 23-5-2020
Портал Hi-Fi.ru более не предоставляет возможностей и сервисов по общению пользователей


Страницы: Пред. 1 ... 25 26 27 28 29 ... 51 След.

Тестовые кассеты Nakamichi, кассеты, измерительное оборудование

 
 
Цитата
Михаил Александров написал:
но при этом даже поленились написать с какой нагрузкой)
47к вторая страница мануала )
Ушел до лучших времен
 
 
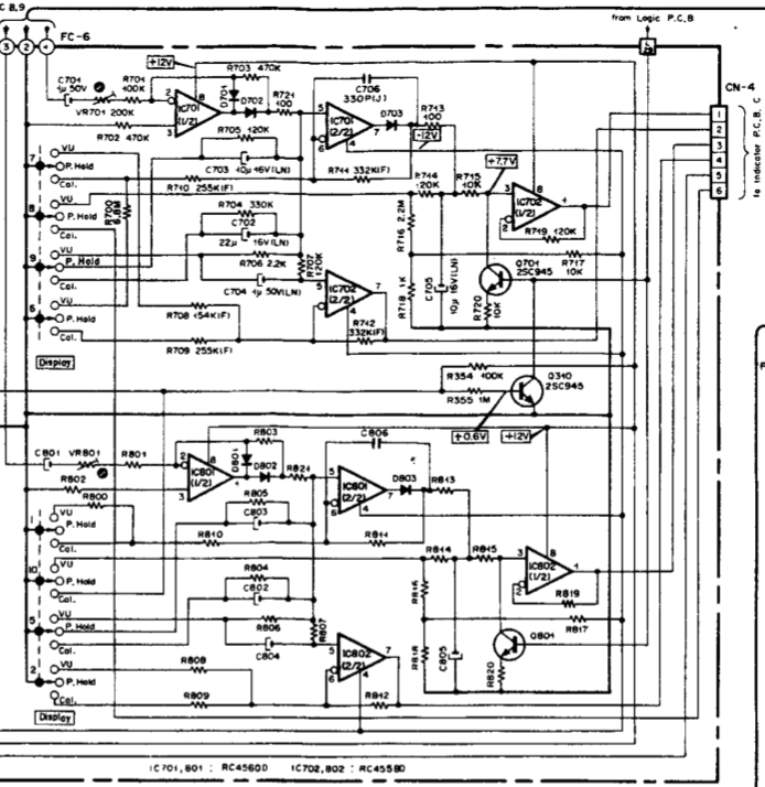
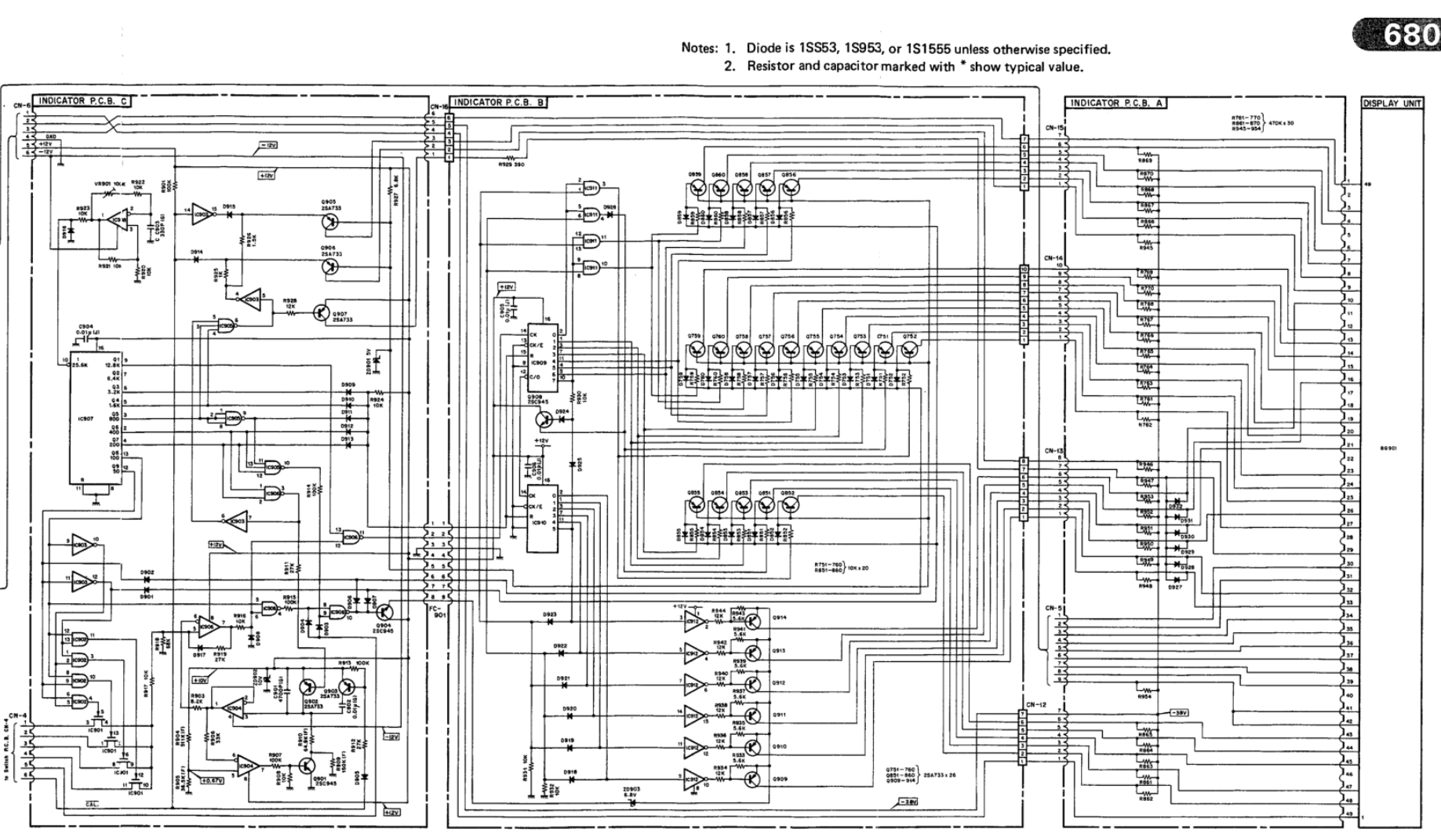
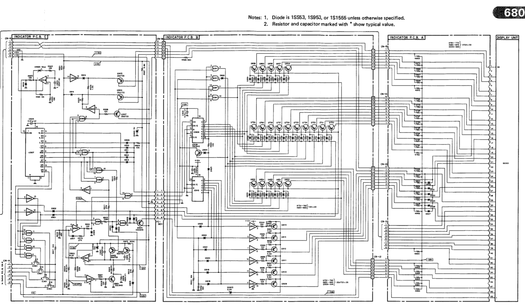
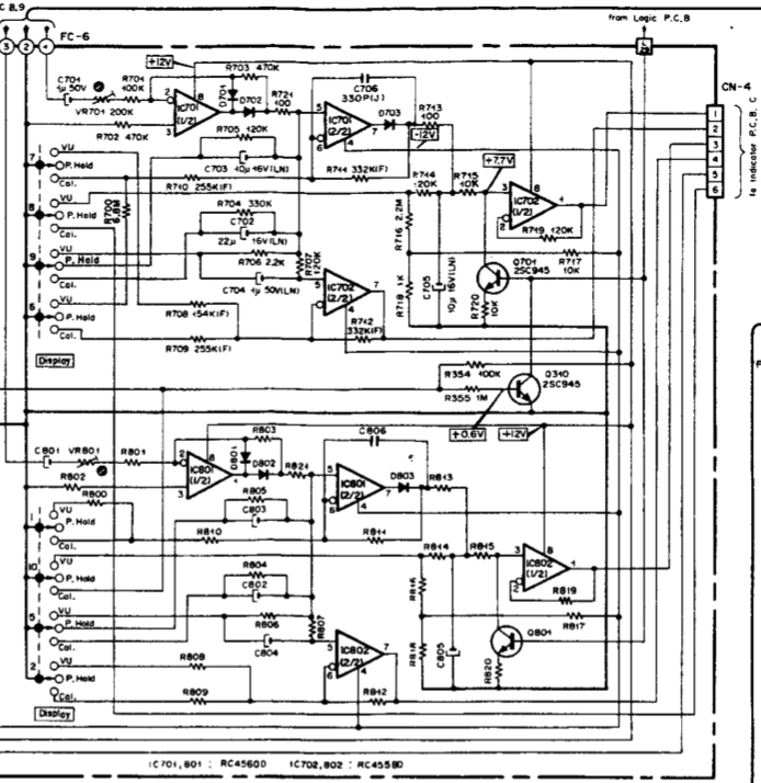
Для понимания - что даже у N680 индикатор мягко говоря не проще

Схема индикатора
одна самостоятельная плата в самом блоке индикатора
и выпрямительная часть находится на плате коммутации
 
 
Цитата
Михаил Александров написал:
Цитата
Mr.Yu написал:
 
Цитата
Михаил Александров  написал:
напряжение на лин. выходе можно выставить тримпотами, и правильное и неправильное - по желанию а вот индикаторы никак не регулируются.
 КТ есть в схеме, по которым можно выставить уровень воспроизведения трммерами?
привет Юра,

нет. Вообще и СМ и стоковые возможности настроек убогие.
Еще раз: уровень воспроизведения трммерами выставляется, измеряется на линейном выходе (но при этом даже поленились написать с какой нагрузкой)
и на показометры это никак не влияет.
Т.е. не удается при проигрывании долби кассеты выставить потенциометрами SFR 201 (202) , чтобы на лин выходе было 720мВ и при этом столбик индикатора доходил значка долби?
作りましょう!
 
 
Цитата
Магнитофоныч написал:
Для понимания, что за индикатор Руфиныч показал на своем фото
Ну показометр, как показометр, я вон соим Мегуро в положении Q-Peak прим. тож самое могу. (установить адекватный УЗ)&
ПС
На Яхе частенько Тиковский блок показометров продается частенько, хор вещь.
Цитата
Магнитофоныч написал:
Для понимания - что даже у N680 индикатор мягко говоря не проще
А у Т100?
作りましょう!
 
 
Причем тут Т100 - это измерительное устройство
 
 
Юр
я про то, что в наках индикатор вполне себе адекватная цветомузыка
время интеграции и обратного хода не замерял
а цена деления 0,5 dB в диапазоне от -10 до +10 dB
Конечно 201 сегмент лучше чем 50 сегментов
но все же - это один из лучших индикаторов в деках
 
 
Цитата
Mr.Yu написал:
Т.е. не удается при проигрывании долби кассеты выставить потенциометрами SFR 201 (202) , чтобы на лин выходе было 720мВ и при этом столбик индикатора доходил значка долби?
Нет Юр, не удается. Потому что штатных регулировок чувствительноти индикатора не предусмотрено.
Why should I care for someone, who doesn't care for me?
 
 
Цитата
Triac написал:
47к вторая страница мануала )
Ха, и точно :)
Слава богу я и без них, со школьных лет, знаю какая нагрузка нужна японскому хай-фаю. Если иное не оговорено отдельно.
Why should I care for someone, who doesn't care for me?
 
 
Цитата
Анатолий Петров написал:
Я не умею сюда выкладывать. А снять могу без проблем.
ну, можно залить на файлообменник или на майл.ру облако.
H_I_G_H _ B_I_A_S
 
 
Цитата
Михаил Александров написал:
ет. Вообще и СМ и стоковые возможности настроек убогие.
Т.е. на CON791 (1) (3) при регулировке уровня воспр. потенц. ничего не меняется? Может МС долби не переключается адекватно?
Изменено: Mr.Yu - 20-01-2019 22:21:46
作りましょう!
Страницы: Пред. 1 ... 25 26 27 28 29 ... 51 След.
Архив Форума Hi-Fi.ru
По 23-5-2020
Портал Hi-Fi.ru более не предоставляет возможностей и сервисов по общению пользователей

1997—2026 © Hi-Fi.ru (Лицензионное соглашение)