Архив Форума Hi-Fi.ru
По 23-5-2020
Портал Hi-Fi.ru более не предоставляет возможностей и сервисов по общению пользователей


Страницы: Пред. 1 ... 407 408 409 410 411 ... 640 След.

Крутые магнитофоны, Фото, описания, нюансы

 
 
Очень приличный вариант.
image.jpg (1.97 МБ)
image.jpg (2.11 МБ)
 
 
Цитата
Магнитофоныч  пишет:
На 16 стр лажанулись конечно  

если внимательно читать, там через страницу косяки.
:D
H_I_G_H _ B_I_A_S
 
 
Цитата
Максим  пишет:
Очень приличный вариант.
Вах - красаучег!
 
 
Цитата
ремонт-NIK пишет:
там через страницу косяки.  
У накаканов эпичные косяки повсюду

Например

В инструкции к размагничивателю DM-10 нарисовано вот что

1. Подносим к башке размагничиватель выключенный
2. Врубаем возле башки!  :o  
3. Водим
4. Отводим
5. Вырубаем

Это как?
Причем это напечатано было во всех размагничивателях DM-10
ВО ВСЕХ КАРЛ!!!

Хоть в пользовательской к декам правильно писали
IMG_3134.JPG (46.46 КБ)
IMG_3136.PNG (478.67 КБ)
 
 
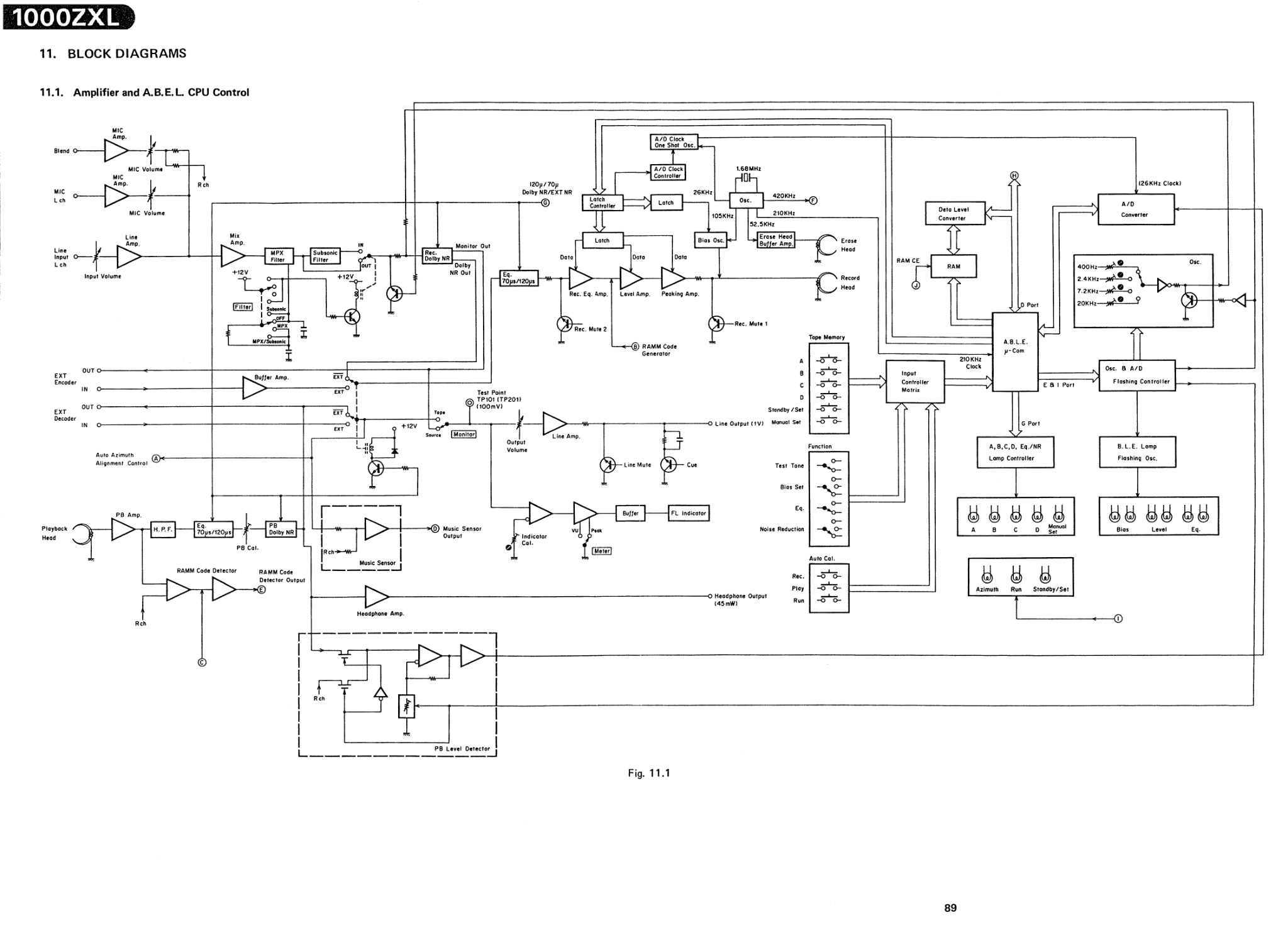
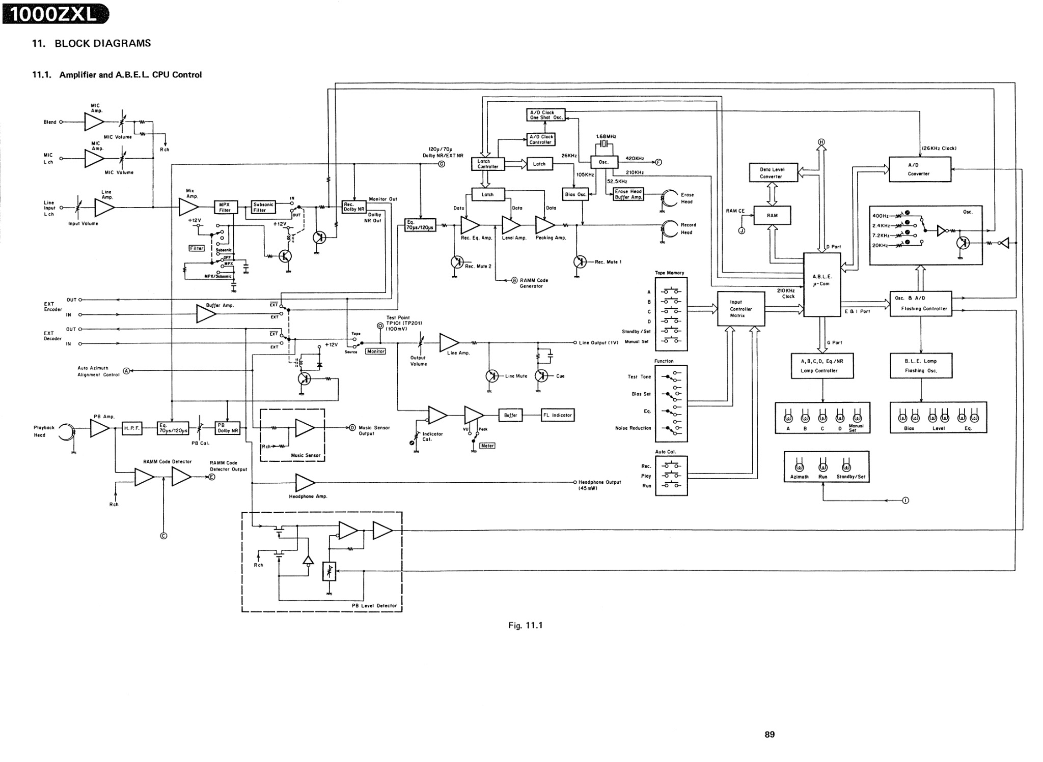
Не отходим далеко от 1000ZXL
Имеющий глаза - да увидит хэдамп и куда они его прилепили на этой схеме
Кароче - водку ключница делала
IMG_3137.PNG (339.72 КБ)
 
 
Цитата
Максим  пишет:
Очень приличный вариант.

ВЕСНА-202..........
Ну я уж совсем заторчал от носителя переживаний юношества
 
 
Цитата
Магнитофоныч  пишет:
Цитата
Максим  пишет:

Очень приличный вариант.
Вах - красаучег!

У меня еще Алимпийская есть в коробке. ;)
В 2014-м сидел в кафе в Дюссельдорфе и бухал. Смотрел авито. Вижу, сразу жене пишу - давай туда срочно, она позвонила, ей говорят, уже, мол, договорились. Предложили вдвое больше денег. Жадность победила. Она тут же метнулась и забрала.. :D

Хорошую Весну найти сложно.. У меня до этого была алимпийская, Артём ее в чувство приводил. Так я ее года 3 искал. Потом взял другую коробочную. А первую товарищ выпросил... :D

С этой тоже была история..приехал на дачу - смотрю Весна. Я сразу звонить, за 2 тыщи дядя выставлял. Он - у меня, типа, очередь на просмотр. Я ему - пятеру даю и шли всех нах. Опять победила жадность... :smoke:

Вот летом займусь. Хотя бы одну сделаю не спеша... ;)

Тут еще один упырь рядом от меня почти новый ИЖ-302 продавал за 200 рублей!!! Я ему с утра тыщу посулил, а он, баклан, уже продал...
Судя по базару - маргинал, чуть не лопнул от досады...
 
 
Цитата
Андрей  пишет:
вот кто цены на авито задирает )    
Мне надо! Остальное пофиг! ;)
 
 
Под хороший девайс  нонче  золотуха
Фишинг, увы  в тренде,
Изменено: TEACOVOD - 05-03-2017 22:44:52
 
 
Цитата
Максим  пишет:
Цитата
Магнитофоныч  пишет:

Цитата
Максим  пишет:



Очень приличный вариант.
Вах - красаучег!

У меня еще Алимпийская есть в коробке.  

В 2014-м сидел в кафе в Дюссельдорфе и бухал. Смотрел авито. Вижу, сразу жене пишу - давай туда срочно, она позвонила, ей говорят, уже, мол, договорились. Предложили вдвое больше денег. Жадность победила. Она тут же метнулась и забрала..  



Хорошую Весну найти сложно.. У меня до этого была алимпийская, Артём ее в чувство приводил. Так я ее года 3 искал. Потом взял другую коробочную. А первую товарищ выпросил...  



С этой тоже была история..приехал на дачу - смотрю Весна. Я сразу звонить, за 2 тыщи дядя выставлял. Он - у меня, типа, очередь на просмотр. Я ему - пятеру даю и шли всех нах. Опять победила жадность...  



Вот летом займусь. Хотя бы одну сделаю не спеша...  



Тут еще один упырь рядом от меня почти новый ИЖ-302 продавал за 200 рублей!!! Я ему с утра тыщу посулил, а он, баклан, уже продал...

Судя по базару - маргинал, чуть не лопнул от досады...

прикольное хобби, Это видимо как хорошая рыбалка, найти в минте занедорого что то советское коллекционное. Только накуй нада, но вам коллекционерам виднее... А маргиналы они такие, у них своя логика... Сам вел переговоры с такими, это вынос мозга. Про ИЖ-302 надо  было водку предложить и быстро (я этим не занимаюсь - мне от маргиналов ничего не нада).  Но у меня старая джиперская привычка, когда едем в е",беня то деньги там не имеют большого значения, "пузырь" вот это валюта. Это про трактор- если тотально застряли.... Трактористу - пузырь! А що делать...
Изменено: Станислав Мужеников - 06-03-2017 00:40:15
Хай-Энд -это законный способ кайфануть)) Но если это надоест, то и неплохо то же.
Страницы: Пред. 1 ... 407 408 409 410 411 ... 640 След.
Архив Форума Hi-Fi.ru
По 23-5-2020
Портал Hi-Fi.ru более не предоставляет возможностей и сервисов по общению пользователей

1997—2026 © Hi-Fi.ru (Лицензионное соглашение)