Архив Форума Hi-Fi.ru
По 23-5-2020
Портал Hi-Fi.ru более не предоставляет возможностей и сервисов по общению пользователей


Страницы: Пред. 1 ... 595 596 597 598 599 ... 640 След.

Крутые магнитофоны, Фото, описания, нюансы

 
 
Цитата
Олег Masterok написал:
У меня был китайЦАП на ПЦМ58, что-то решил я ПЦМ спиртом мазануть, маркировка-то и стерлась...
У них там леватоза на таком потоке...
И в каких крутыхЪ магнитофонах эти ЦАПы используются?
Не Боги горшки обжигают! (с)
 
 
63 и 64ый в СД Пионерах. В мафонах не встречал.
 
 
Цитата
Коломас Кубринский написал:
И в каких крутыхЪ магнитофонах эти ЦАПы используются?
В таких например
правда тут ПэЦэЭм61
 
 
И в таких тоже

Так что, если ты думаешь
что мощно пошутил, Серег
то мимо кассы
;)  
 
 
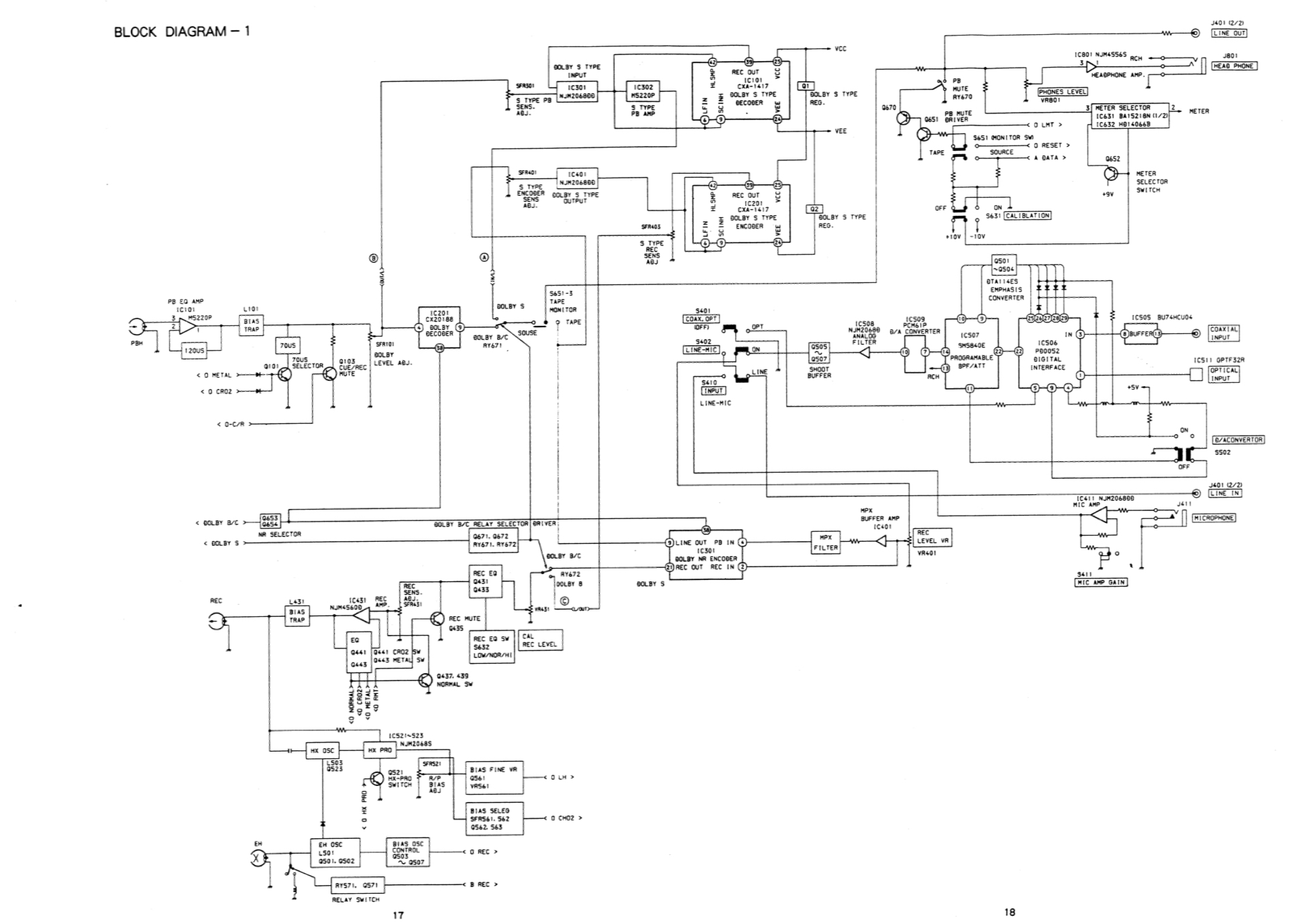
Кусок функциональной схемы
девятитысячной айвы
IC509 - PCM61
 
 
Цитата
Магнитофоныч написал:
правда тут ПэЦэЭм61
А точняк 009/9000!
 
 
Цитата
Магнитофоныч написал:
И в таких тоже

Так что, если ты думаешь
что мощно пошутил, Серег
то мимо кассы
С чего ты взял, что я шутил? Я честно был не в курсе про цифровые входы в магнитофонах.

Или тут принято всем сразу по сусалам давать, если что-то спрашивать начинают?

Так что мимо тазика.  ;)  
Не Боги горшки обжигают! (с)
 
 
Пыром в ебасосину  :laughter:
 
 
Серег
да тебя пальцем даже никто не трогал и не собирался
а уже истерика
;)  
 
 
Цитата
Коломас Кубринский написал:
И в каких крутыхЪ магнитофонах эти ЦАПы используются?
В Айвах 7000\9000,опыт общения с использованием ЦАП, в деках - отрицательный, не имеет распространения в дальнейшем.
P.S.Дань моде, от универсализации...
Страницы: Пред. 1 ... 595 596 597 598 599 ... 640 След.
Архив Форума Hi-Fi.ru
По 23-5-2020
Портал Hi-Fi.ru более не предоставляет возможностей и сервисов по общению пользователей

1997—2026 © Hi-Fi.ru (Лицензионное соглашение)