Классический транс на входе (для МС-головок) - есть очень красивое с точки зрения энергетики решение, которое пришло в звук из радиочастотной сферы применения. Не требует питания, не вносит шума и искажений. Но в силу довольно крупных габаритов являлся источником наводок и помех, в особенности в условиях плохой электромагнитной ситуации. Кроме того, как любой НЧ-трансформатор в случае большой индуктивности вторички (такие тоже встречаются) является инерционным звеном, сглаживающим фронты (видно на прямоугольном сигнале).
У моего препода из МЭИ А.М. Николаева (друга Котельникова) и автора бестселлеров по радиотехнике был картридж с подвижными катушками с самодельным трансом. Слушать он любил пластинки А.Галича, а аппаратуру высокой верности с сарказмом называл "Хай-Фи"!
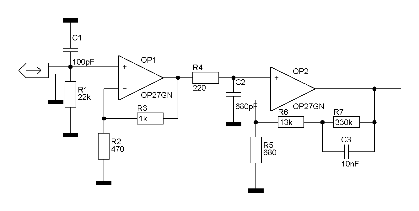
Именно так, поэтому я проповедаю схемы, аналогичные приведенным ниже: первая применена в промышленном изделии Arcam "Delta-100", вторая из книги Аналог Девайс Аппликейшн мануал:
У моего препода из МЭИ А.М. Николаева (друга Котельникова) и автора бестселлеров по радиотехнике был картридж с подвижными катушками с самодельным трансом. Слушать он любил пластинки А.Галича, а аппаратуру высокой верности с сарказмом называл "Хай-Фи"!
| Цитата |
|---|
| sony metallic дмитрий написал: усилитель на opa827 и аd 797 лепту не внесут так как они более линейны и имеет меньше искажений чем схема на транзисторах |
